LEMON Manuals: Even more car manuals for everyone: 1960-2025
Home >> Acura >> 1988 >> Legend Base, 4D Sedan, Standard >> Repair and Diagnosis >> Engine Performance >> System >> Electronic Control System >> Testing >> Code 18, Ignition Timing Adjuster
April 5, 2026: LEMON Manuals is launched! Read the announcement.

Code 18, Ignition Timing Adjuster

  1. Turn ignition off and disconnect alternator sense fuse in under-hood relay box for 10 seconds to reset ECU. Start engine and observe PGM-FI warning light. If light is off, problem is intermittent. Test drive and check again.
  2. If light is on, turn ignition off. Disconnect 4-terminal connector on right side of firewall which has only 3 wires. See Fig 1 . Measure resistance between Yellow/White wire terminal and Green/White wire terminal on ignition timing adjuster side of harness. If resistance is not 3000-6000 ohms, replace ignition timing adjuster.
  3. If resistance is within specification, measure and record resistance between Brown wire terminal and Yellow/White wire terminal on timing adjuster side of harness. Measure and record resistance between Brown wire terminal and Green/White wire terminal on same side of connector. Add the 2 resistance values together. If the total of the resistance values is not 3500-6500 ohms, replace ignition timing adjuster.
  4. If resistance values fall within 3500-6500 ohms, turn ignition on. Measure voltage between Yellow/White (pos.) wire terminal and Green/White (neg.) wire terminal on harness side of connector. If voltage is about 5 volts, go to step 6). If voltage reading is not about 5 volts, measure voltage between ground and Yellow/White wire terminal on harness side of connector. If voltage reading is about 5 volts, repair open in Green/White wire between ECU terminal C14 and ignition timing adjuster connector.
  5. If reading is not about 5 volts, turn ignition off. Connect system checker harness between ECU and ECU connector. Turn ignition on. Measure voltage between terminals C13 (pos.) and C14 (neg.). If reading is about 5 volts, repair open in Yellow/White wire between ECU terminal C13 and ignition timing adjuster connector. If voltage is not 5 volts, substitute a known good ECU. If voltage is not about 5 volts, replace original ECU.
  6. If voltage reading between Yellow/White wire terminal and Green/White (neg.) wire terminal in step 4) was about 5 volts, turn ignition off. Connect system checker harness between ECU and ECU connector. Turn ignition on. Measure voltage between terminals B18 (pos.) and C14 (neg.). If voltage is not between .5 and 4.5 volts, repair open or short in Brown wire between ECU terminal B18 and ignition timing adjuster.
  7. If voltage reads between .4 and 4.5 volts, substitute a known good ECU. If condition is rectified, replace original ECU.
Fig 1: Legend Timing Adjuster Connector
G94321Courtesy of AMERICAN HONDA MOTOR CO., INC.
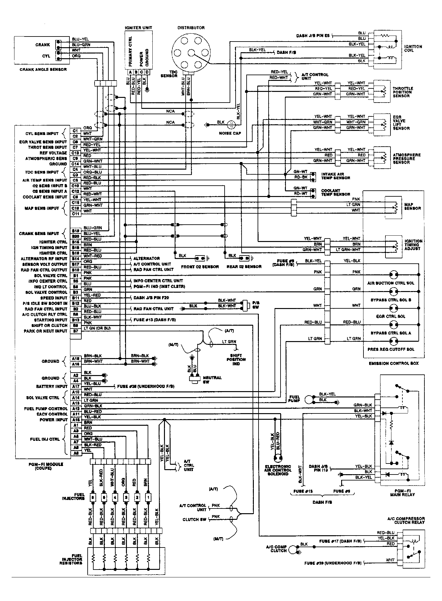
Fig 2: Legend Coupe Wiring Diagram
G94323Courtesy of AMERICAN HONDA MOTOR CO., INC.
Fig 3: Legend Sedan Wiring Diagram
G94324Courtesy of AMERICAN HONDA MOTOR CO., INC.