LEMON Manuals: Even more car manuals for everyone: 1960-2025
Home >> Acura >> 1992 >> Integra GS-R >> Repair and Diagnosis >> Maintenance >> Procedures >> Maintenance Information >> Fuses & Circuit Breakers >> UNDERHOOD Main Fuse Panel Identification - 1990-93 Models >> Notes
April 5, 2026: LEMON Manuals is launched! Read the announcement.

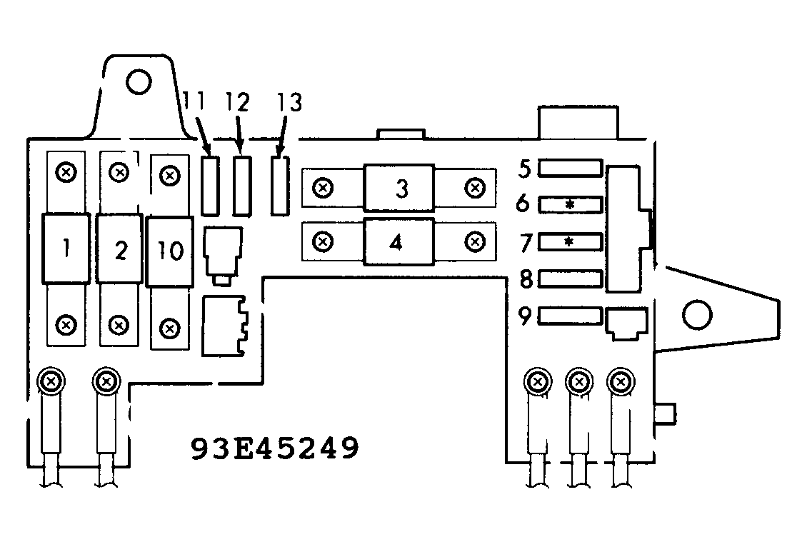
UNDERHOOD Main Fuse Panel Identification - 1990-93 Models: Notes

WARNING: Always disconnect battery ground cable before servicing "high-current fuses. It is recommended that "high-current" fuses be replaced by a qualified technician.
Fig 1: Underhood Main Fuse Panel Identification (1990-93 Models)
G93E45249Courtesy of AMERICAN HONDA MOTOR CO., INC.