LEMON Manuals: Even more car manuals for everyone: 1960-2025
Home >> Acura >> 1992 >> NSX Automatic >> Repair and Diagnosis >> Engine Performance >> System >> Engine Controls - System & Component Testing >> Emission Systems >> Evaporative Emission Controls >> Notes
April 5, 2026: LEMON Manuals is launched! Read the announcement.

Evaporative Emission Controls: Notes

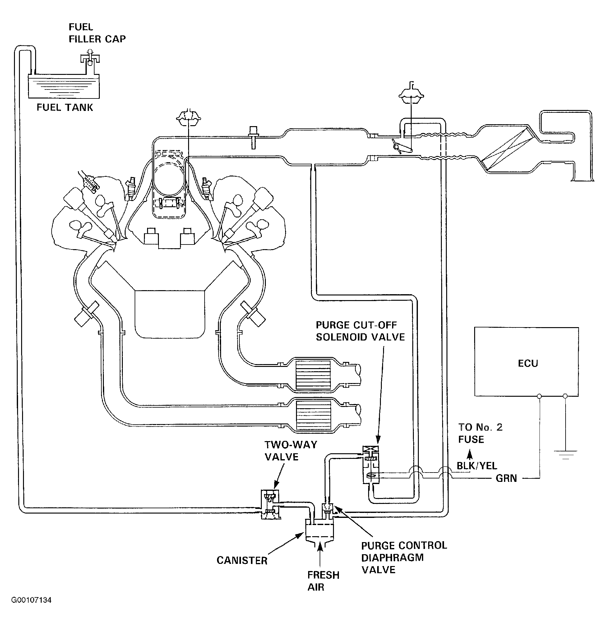
The evaporative controls are designed to minimize the amount of fuel vapor escaping to the atmosphere. The system consists of a charcoal canister, A canister for the temporary storage of fuel vapor until the fuel vapor can be purged from the canister into the engine and burned, a vapor purge control system canister purging is accomplished by drawing fresh air through the canister and into a port on the throttle body.

The purging vacuum is controlled by the purge control diaphragm valve and the purge cut-off solenoid valve and a fuel tank vapor control system. When fuel vapor pressure in the fuel tank is higher than the set value of the two-way valve, the valve opens and regulates the flow of fuel vapor to the canister. See Fig 1 . For troubleshooting of the EEC, see Figure -Figure .

Fig 1: Identifying Evaporative Emission Controls (EEC)
G00107134Courtesy of AMERICAN HONDA MOTOR CO., INC.