LEMON Manuals: Even more car manuals for everyone: 1960-2025
Home >> Acura >> 1993 >> Legend Base, Standard >> Repair and Diagnosis (Single Page) >> Engine Mechanical >> Engine Cooling Fan >> Component Testing >> Radiator Fan Control Module & Fan Control Unit
April 5, 2026: LEMON Manuals is launched! Read the announcement.

Radiator Fan Control Module & Fan Control Unit

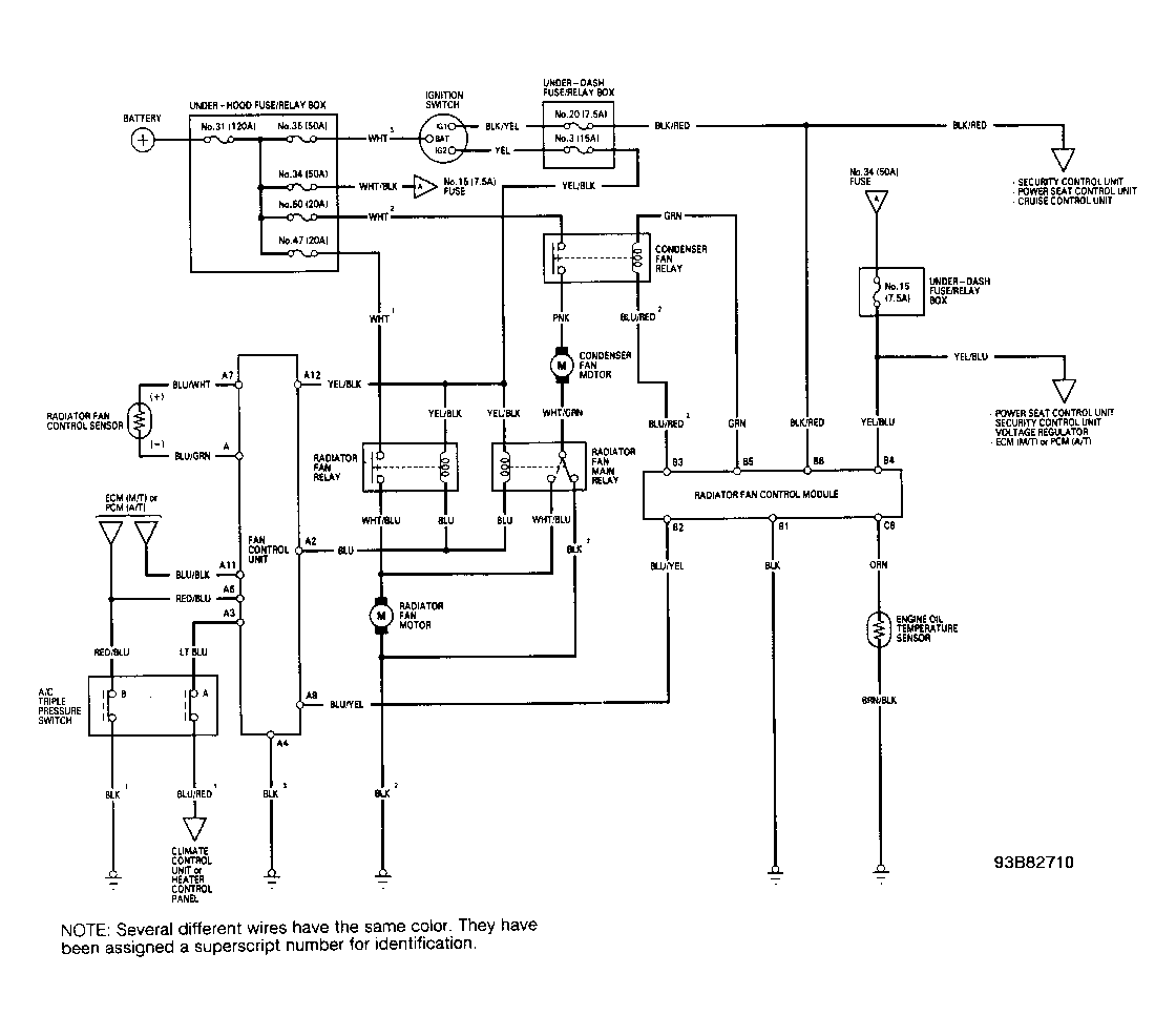
If fan does not operate, check for open or short circuits in wiring between components and radiator fan control module or fan control unit. See appropriate RADIATOR FAN CONTROL MODULE TERMINAL IDENTIFICATION table or FAN CONTROL UNIT TERMINAL IDENTIFICATION table. See Fig 1 or Fig 2 . Also see appropriate wiring diagram. See Figure . If all wiring and other components are okay, replace fan control unit or radiator fan control module .

RADIATOR FAN CONTROL MODULE TERMINAL IDENTIFICATION

Terminal (1) Wire Color Circuit
B1 Black Ground
B2 Blue/Yellow Fan Control Unit
B3 Blue/Red Condenser Fan Relay
B4 Yellow/Blue Ignition Voltage
B5 Green Condenser Fan Relay
B6 Black/Red Battery Voltage
B7 --- Not Used
B8 Orange Oil Temperature Switch
(1) See Fig 1 .
Fig 1: Identifying Radiator Fan Control Module Connector Terminals
G93G82731Courtesy of AMERICAN HONDA MOTOR CO., INC.
FAN CONTROL UNIT TERMINAL IDENTIFICATION

Terminal (1) Wire Color Circuit
A1 Blue/Green Coolant Temp. Switch
A2 Blue Radiator Fan Relay
A3 Light Blue A/C Pressure Switch
A4 Black Ground
A5 Green ECU
A6 Red/Blue A/C Pressure Switch
A7 Blue/White Coolant Temp. Switch
A8 --- Not Used
A9 Blue/Yellow Fan Control Module
A10 --- Not Used
A11 Blue/Black ECU
A12 Yellow/Black Ignition Voltage
(1) See Fig 2 .
Fig 2: Identifying Fan Control Unit Connector Terminals
G92B00506Courtesy of AMERICAN HONDA MOTOR CO., INC.