LEMON Manuals: Even more car manuals for everyone: 1960-2025
Home >> Acura >> 1995 >> 2.5TL >> Repair and Diagnosis >> Brakes >> Traction Control >> Anti-Lock Brake System >> Removal & Installation >> Modulator Unit >> Installation
April 5, 2026: LEMON Manuals is launched! Read the announcement.

Modulator Unit: Installation

  1. Ensure brake fluid level in reservoir is to MAX level. Slowly tilt modulator unit suction port upward, about a 45-degree, to bleed air from suction port. To complete installation, reverse removal procedure.
  2. Start engine and allow to idle a few minutes. Ensure ABS indicator light goes out and there are no brake fluid leaks. Stop engine and ensure brake fluid level in reservoir is filled to MAX level. Bleed brake system. See BLEEDING BRAKE SYSTEM . Using an ABS tester ensure ABS system is functioning properly.
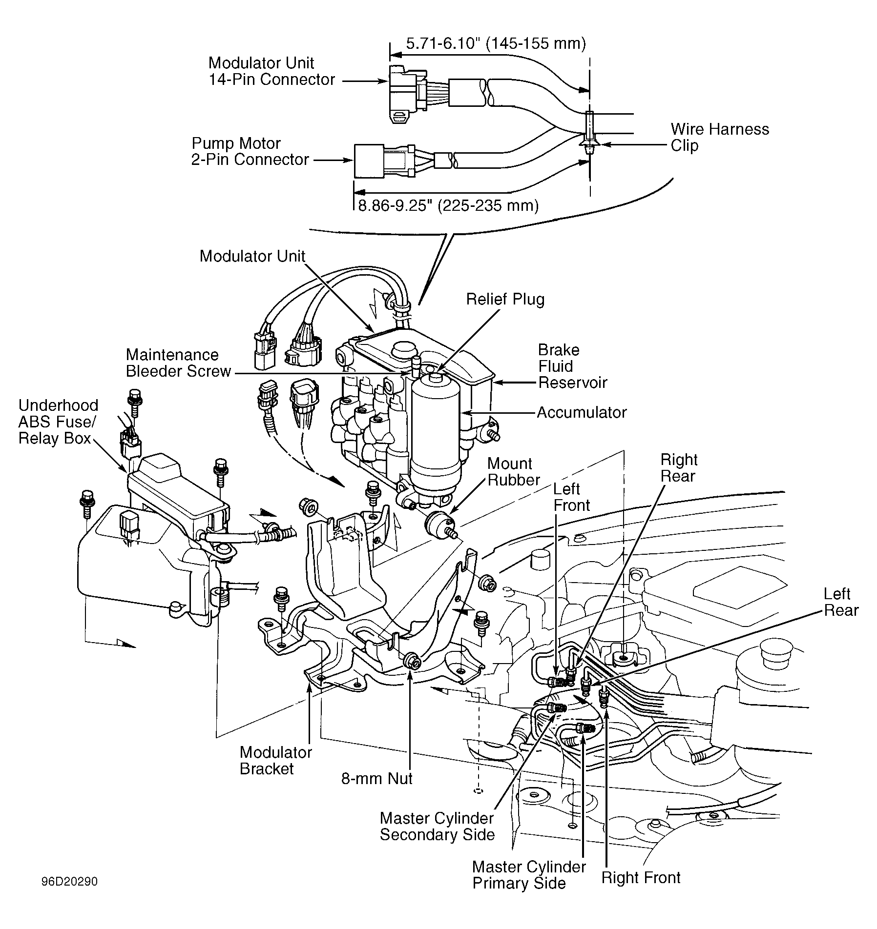
NOTE: If wire harness clip is replaced, ensure correct position. See Fig 1.
Fig 1: Locating ABS Modulator Unit Components
G96D20290Courtesy of AMERICAN HONDA MOTOR CO., INC.