LEMON Manuals: Even more car manuals for everyone: 1960-2025
Home >> Acura >> 1996 >> NSX Standard >> Repair and Diagnosis >> External Pages >> Different car >> Section 12 (Integrated Control Unit) >> System Tests >> Input Tests >> Rear Window Defogger Timer System
April 5, 2026: LEMON Manuals is launched! Read the announcement.

Rear Window Defogger Timer System

WARNING: This page does not describe the selected car, but rather 14 other vehicles, including the 2005 Acura NSX, 2004 Acura NSX, 2003 Acura NSX-T, 2003 Acura NSX, and 2002 Acura NSX-T. However, it is still accessible from the selected car via links, so may be relevant.

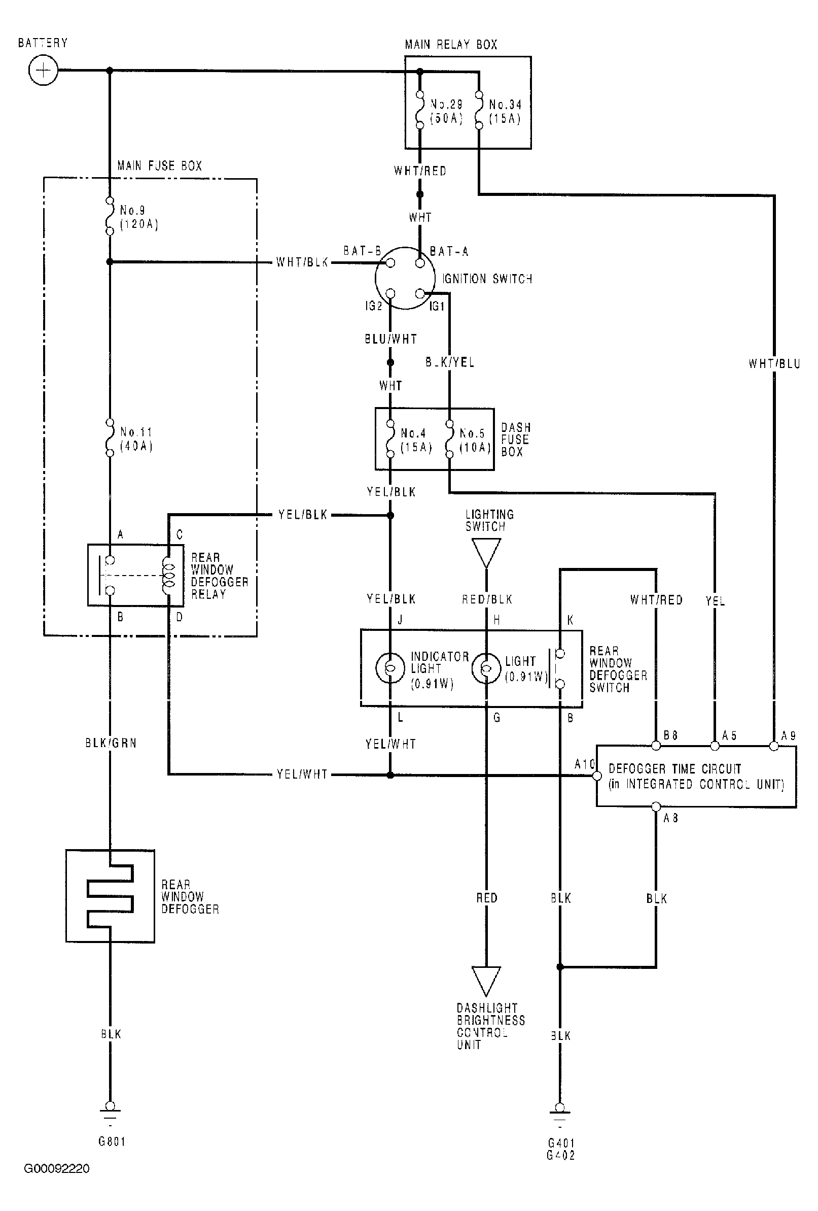
For rear window defogger component location and circuit diagram, see Figure and Figure . To diagnose rear window defogger, follow diagnostic flow chart. See Fig 1 . For more information on rear window defogger system, see REAR WINDOW DEFOGGER SYSTEM -- NSX & NSX-T article in ACCESSORIES & EQUIPMENT.

Fig 1: Rear Window Defogger Timer System Input Test
G00092228Courtesy of AMERICAN HONDA MOTOR CO., INC.