LEMON Manuals: Even more car manuals for everyone: 1960-2025
Home >> Acura >> 1999 >> 3.2TL >> Repair and Diagnosis >> Transmission >> Automatic Trans >> A/T Interlock System >> Circuit Diagram
April 5, 2026: LEMON Manuals is launched! Read the announcement.

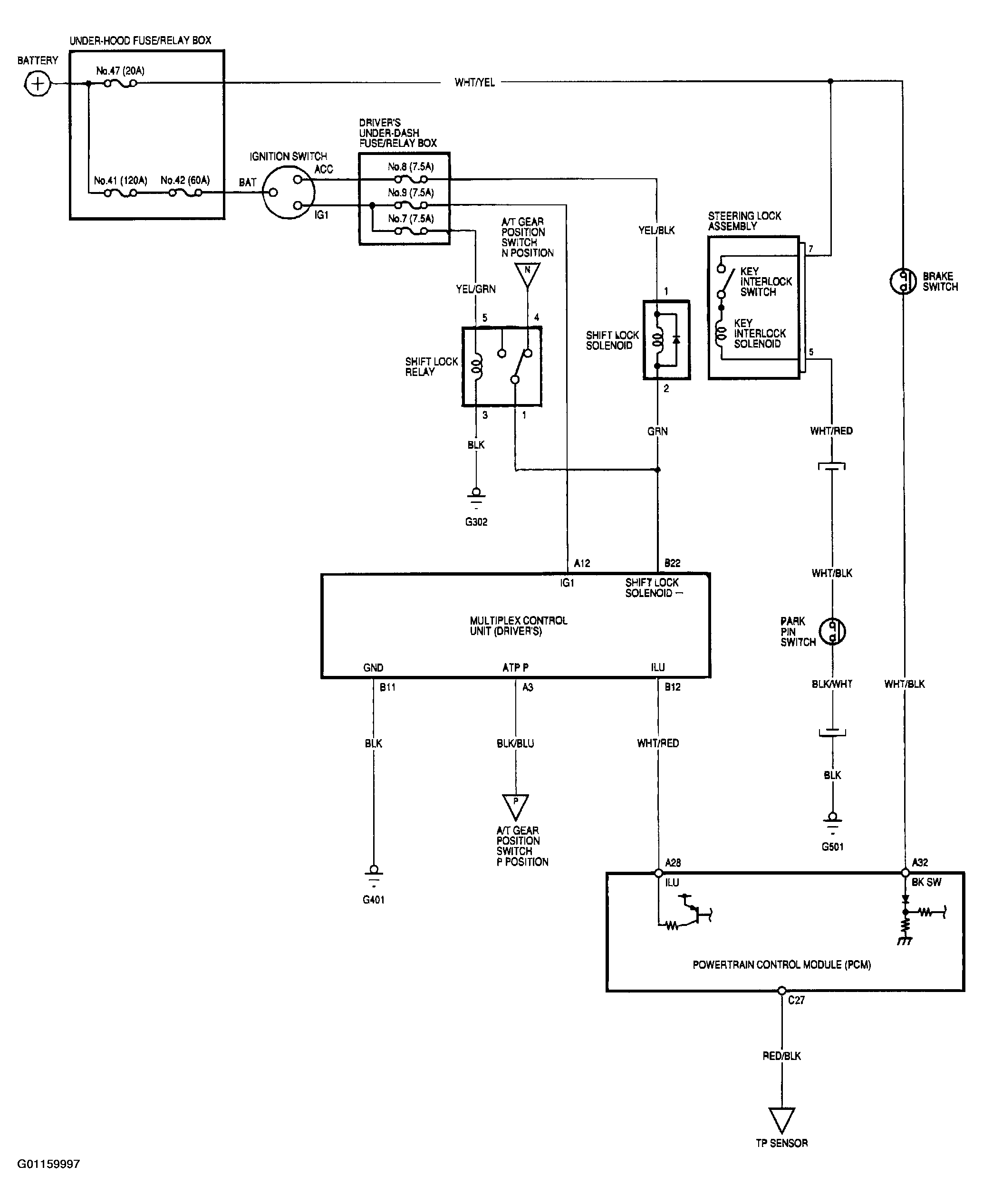
Circuit Diagram

Fig 1: Identifying A/T Interlock System Circuit Diagram
G01159997