LEMON Manuals: Even more car manuals for everyone: 1960-2025
Home >> Acura >> 2000 >> RL V6-3474cc 3.5L >> Repair and Diagnosis >> Powertrain Management >> Diagrams >> Electrical Diagrams >> Control Module Circuit Diagrams
April 5, 2026: LEMON Manuals is launched! Read the announcement.

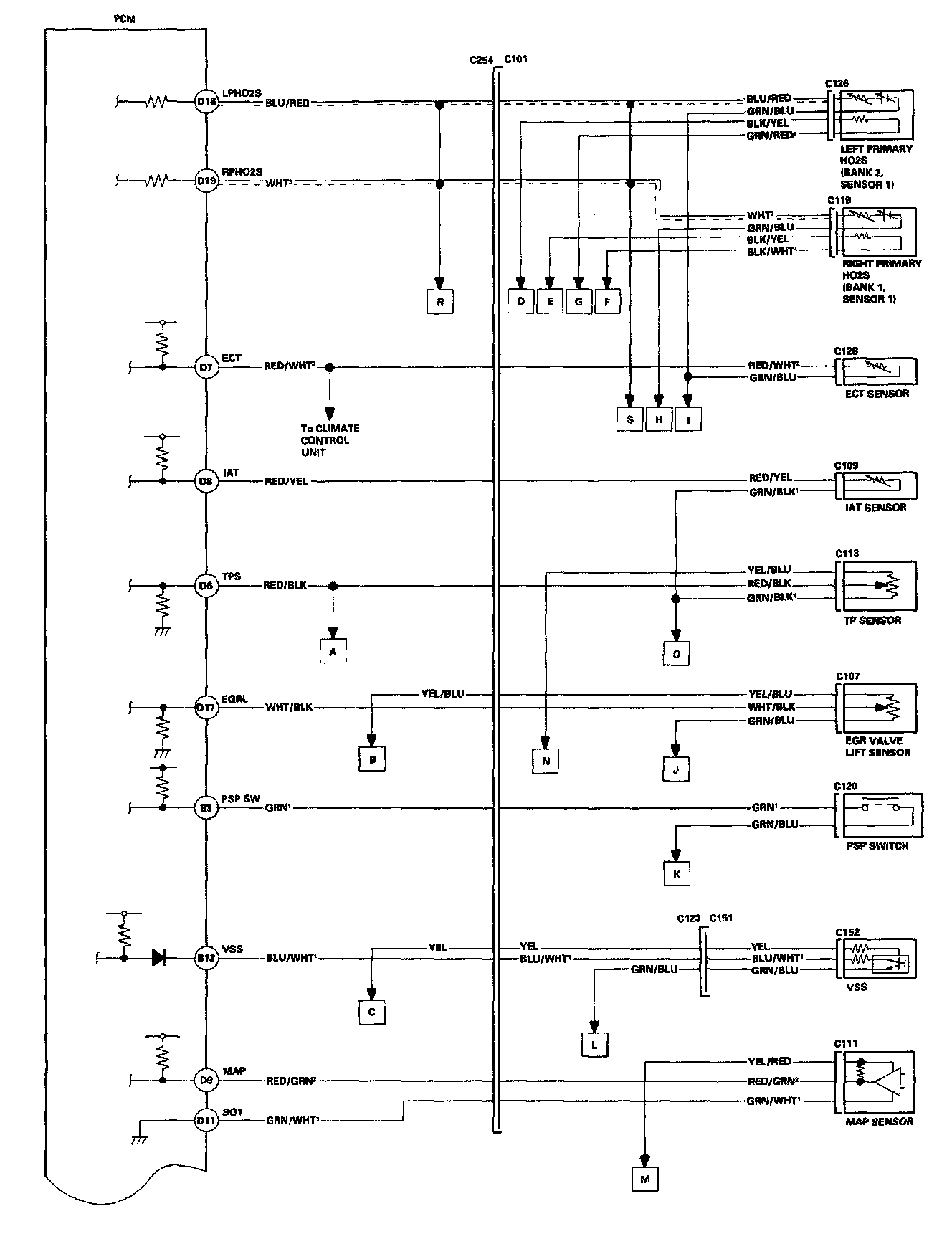
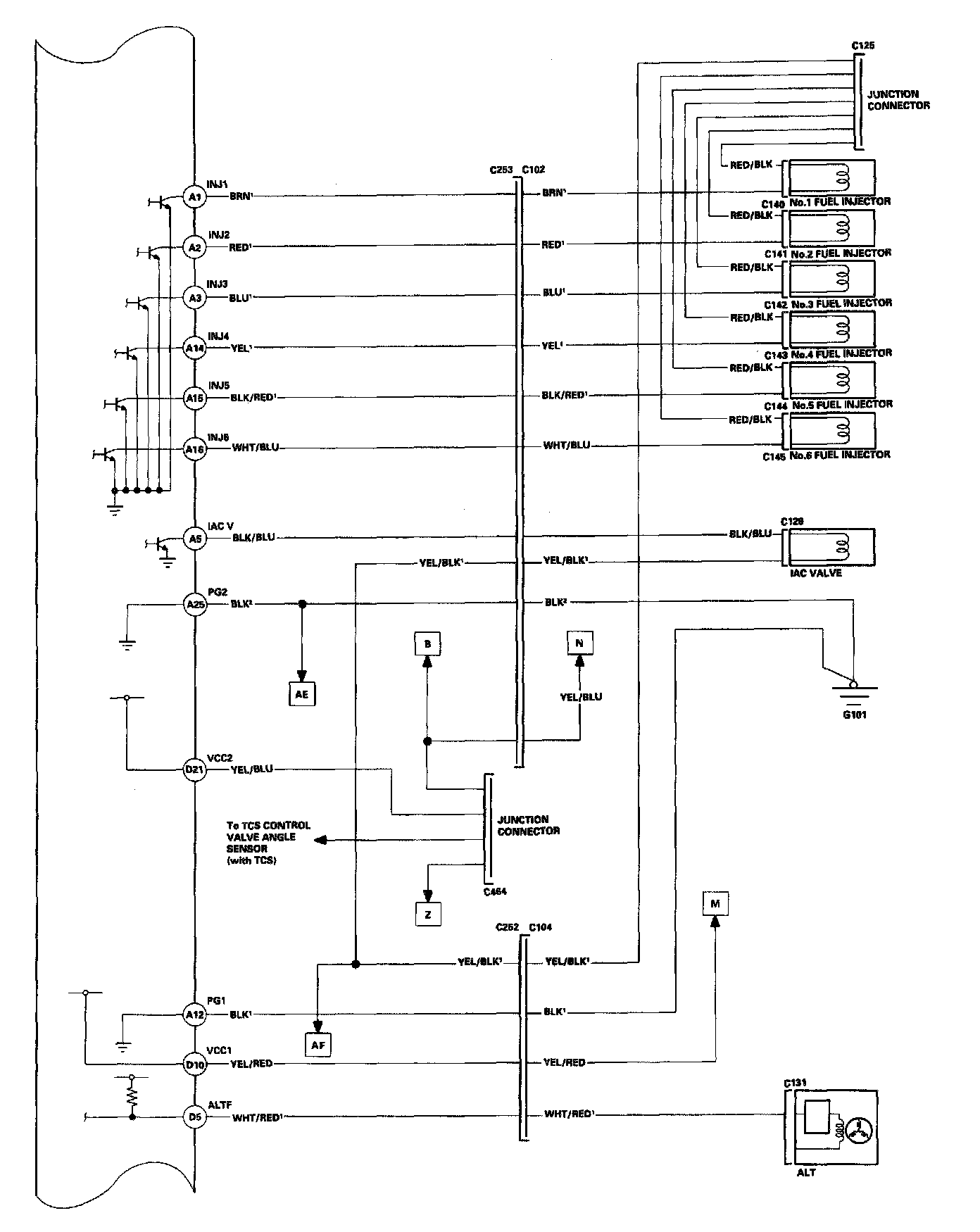
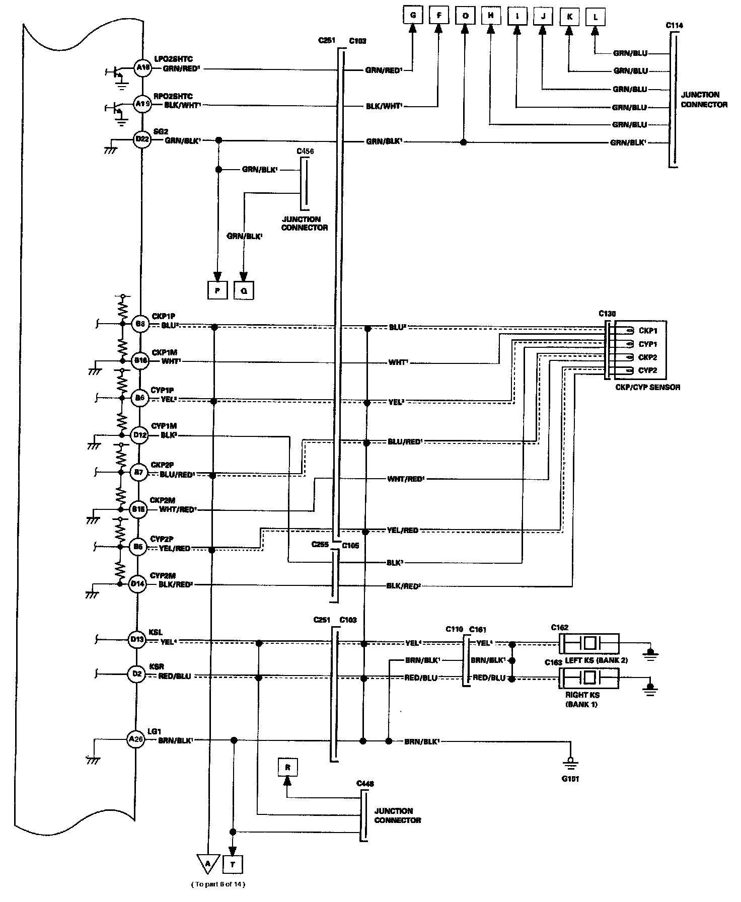
Control Module Circuit Diagrams

Part 1 Of 14:




Part 2 Of 14:




Part 3 Of 14:




Part 4 Of 14:




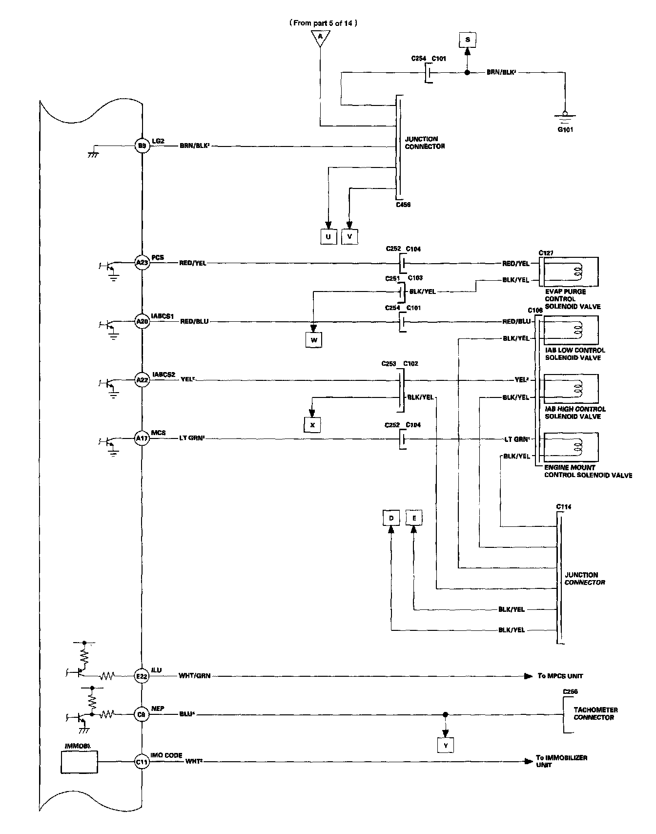
Part 5 Of 14:




Part 6 Of 14:




Part 7 Of 14:




Part 8 Of 14:




Part 9 Of 14:




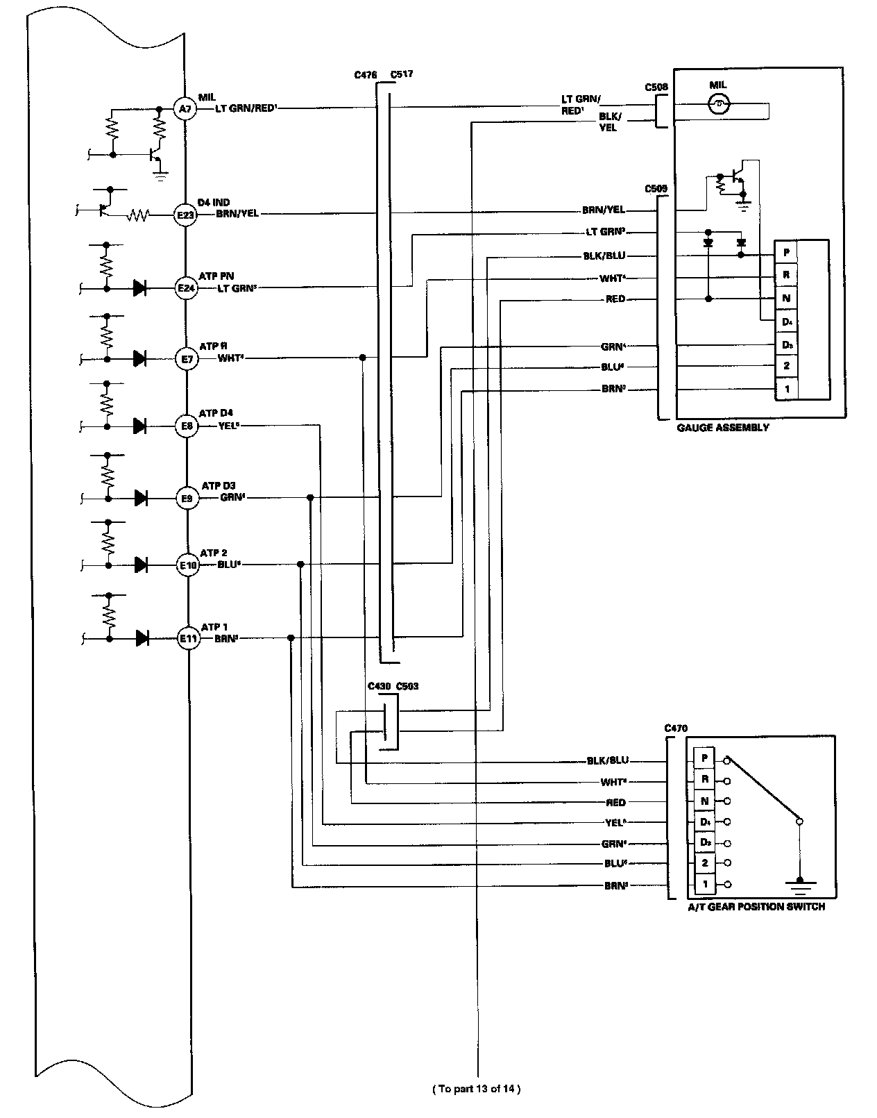
Part 10 Of 14:




Part 11 Of 14:




Part 12 Of 14:




Part 13 Of 14:




Part 14 Of 14:






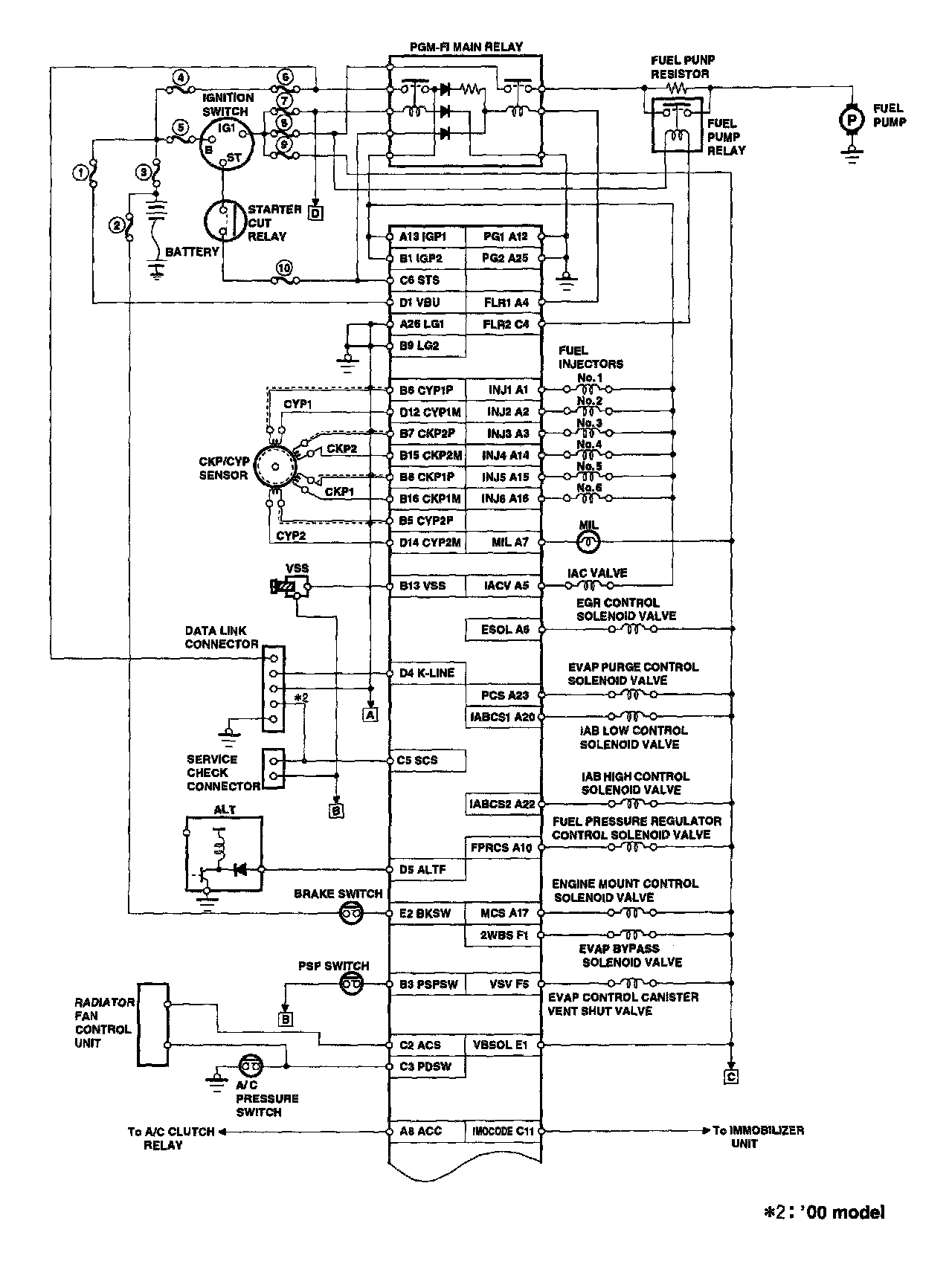
FUSES
1. BACK UP (RADIO) (7.5A)*
2. STOP HORN (15A)*
3. BATTERY (120A)*
4. FUSE BOX (50A)*
5. IG. SW (50A)*
6. No.6 ECU(PCM) (20A)
7. No.25 IG COIL (30A)
8. No.22 FUEL PUMP (20A)
9. No.20 ECU(PCM) (20A)
10. No.14 STARTER SIGNAL (7.5A)

*: in the under-hood fuse/relay box