LEMON Manuals: Even more car manuals for everyone: 1960-2025
Home >> Acura >> 2002 >> 3.2CL Base >> Repair and Diagnosis >> Body & Frame >> Seats >> Multiplex Control Systems >> Multiplex Control System >> Circuit Diagram (Power, Ground, Communication Lines)
April 5, 2026: LEMON Manuals is launched! Read the announcement.

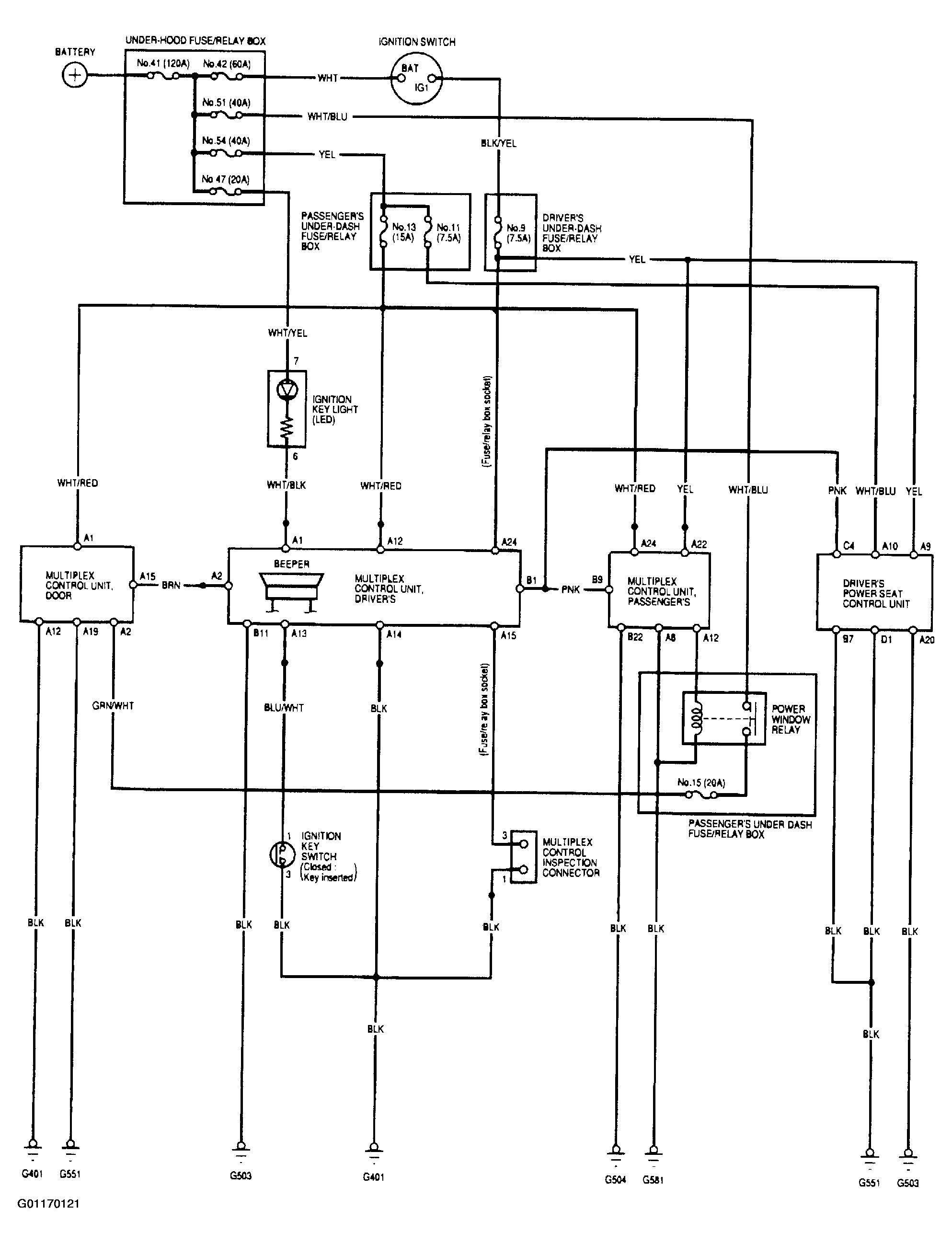
Circuit Diagram (Power, Ground, Communication Lines)

Fig 1: Multiplex Control System Wiring Diagram
G01170121Courtesy of AMERICAN HONDA MOTOR CO., INC.