LEMON Manuals: Even more car manuals for everyone: 1960-2025
Home >> Acura >> 2003 >> 1.7EL Standard >> Repair and Diagnosis >> Steering >> Power Steering >> Steering Gearbox Overhaul >> Exploded View
April 5, 2026: LEMON Manuals is launched! Read the announcement.

Exploded View

Fig 1: Exploded View Of Steering Gearbox Overhaul
G01955084

Special Tools Required 

NOTE: Refer to the Exploded View as needed during this procedure.

Removal 

  1. Remove the steering gearbox (see Steering Gearbox Removal  ).

    Disassembly 

  2. Unbend the lock washer (A).
    Fig 2: Unbending Lock Washer
    G01955085
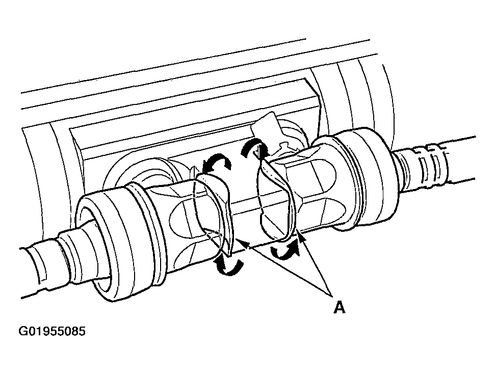
  3. Hold the bracket (A) with one wrench, and unscrew both rack ends (B) with another wrench. Remove the lock washers.
    Fig 3: Holding Bracket And Unscrewing Both Rack Ends With Wrenches
    G01955086
  4. Remove cylinder lines (A) from the gearbox.
    Fig 4: Removing Cylinder Lines From Gearbox
    G01955087
  5. Drain the fluid from the cylinder fitting by slowly moving the steering rack back and forth.
  6. Remove the stop washer (A), the 12 mm flange bolts (B), O-rings (C), and bracket (D) from the steering gearbox.
    Fig 5: Removing Boot Guard
    G01955088
  7. Remove the boot guard (A) by removing the 8 mm flange bolt (C) on the rack end.
    Fig 6: Removing Boot Band
    G01955089
  8. Remove the boot band (D) and clip (E). Pull the boot (B) and away from the end of the steering gearbox. Remove the rack end plug (F).
  9. Loosen the locknut (A), then remove the rack guide screw (B), spring (C), and rack guide (D) from the steering gearbox.
    Fig 7: Removing Rack Guide Screw, Spring And Rack Guide
    G01955090
  10. Remove the snap ring (A) and backup ring (B) from the cylinder of the steering gearbox.
    Fig 8: Removing Snap Ring And Backup Ring
    G01955091
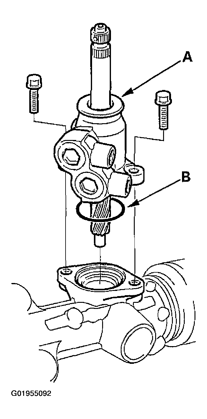
  11. Remove the valve body unit (A) from the steering gearbox. Remove the O-ring (B) and discard it.
    Fig 9: Remove Valve Body Unit
    G01955092
  12. Remove the two boot bands (B) from boot (A). Compress boot (A) by hand, and apply vinyl tape (C) so the boots stay collapsed and pulled back.
    Fig 10: Removing Boot Bands
    G01955093
  13. Attach the yoke (A) of a universal puller to the steering gearbox mounts with bolts. Securely clamp the yoke in a vise with jaws as shown in Fig 11 . Do not clamp the gearbox housing in the vise.
    Fig 11: Attaching Yoke Of Universal Puller To Steering Gearbox Mounts With Bolts
    G01955094
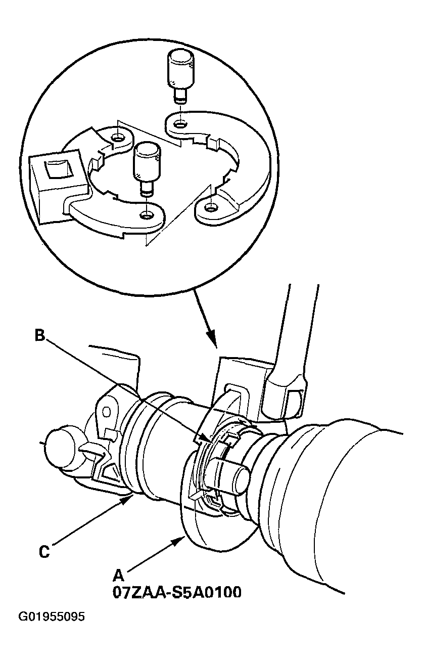
  14. Set the special tool (A) on the lock washer (B) securely, then loosen and remove the lock washer from inside of the gearbox housing (C).
    Fig 12: Removing Lock Washer From Inside Gearbox Housing
    G01955095
  15. Remove the special tool.
  16. Pull on the cylinder to remove it from the gearbox housing. Remove boot (A) and the slider guide (B) from the cylinder.
    Fig 13: Removing Boot And Slider Guide From Cylinder
    G01955096
  17. Check the slider guide for damage and cracks. Using vernier calipers to measure the thickness of the slider guide. If the thickness is less than the service limit, replace the slider guide.
    Fig 14: Checking Slider Guide For Damage And Cracks
    G01955097
  18. Remove and discard the stop ring (A) on the cylinder by expanding it with snap ring pliers. Remove and discard the lock washer (B).
    Fig 15: Removing And Discarding Stop Ring
    G01955098
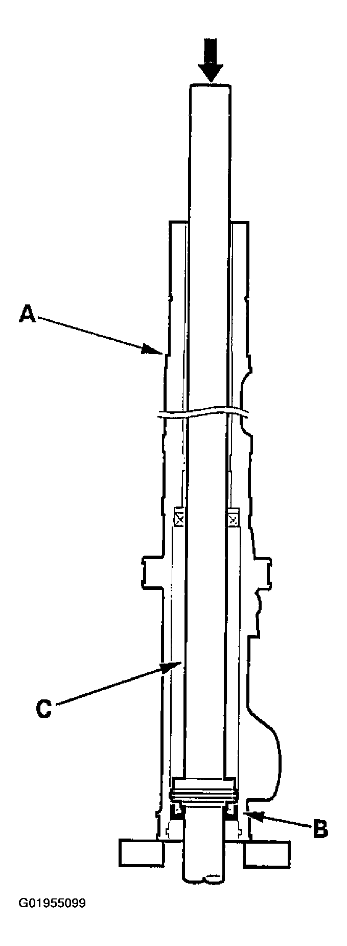
  19. Set the cylinder housing (A) in a press so the cylinder side points downward, then press the cylinder end seal (B) and steering rack (C) out of the cylinder. Hold the rack to keep it from falling when pressed clear.
    Fig 16: Setting Cylinder Housing In Press
    G01955099
  20. Remove the cylinder end seal from the steering rack.
  21. Insert the special tools into the cylinder. Make sure the attachment (A) of the special tools is securely positioned on the bushing edges (B).
    Fig 17: Inserting Special Tools Into Cylinder
    G01955100
  22. Place the cylinder in a press, then remove the cylinder end seal (C), backup ring (D), and bushing (B) from the cylinder by pressing on the special tool end.

    Note these items when pressing the cylinder end seal:

    • Keep tool straight to avoid damaging the cylinder wall. Check the tool angle, and correct it if necessary, when removing the cylinder end seal.
    • Use a press to remove the cylinder end seal. Do not try to remove the seal by striking the tool; striking the tool would break the cylinder end seal, and the seal would remain in the cylinder.
  23. Carefully pry the piston seal ring (A) and O-ring (B) off the rack piston. Be careful not to damage the inside of the seal ring groove and piston edges when removing the seal ring.
    Fig 18: Removing Piston Seal Ring And O-Ring
    G01955101
  24. Before removing the valve housing (A) apply vinyl tape (B) to the splines on the pinion shift.
    Fig 19: Applying Vinyl Tape To Splines
    G01955102
  25. Separate the valve housing from the pinion shaft/valve using a press.
  26. With your finger, check the inner wall of the valve housing where the seal ring slides. If there is a step in the wall, the housing is worn. Replace it.
    NOTE: There may be sliding marks from the seal ring on the wall of the valve housing. Replace the valve housing only if the wall is stepped.
    Fig 20: Checking Inner Wall Of Valve Housing
    G01955103
  27. Check or wear, burrs, and other damage to the edges of the grooves in the sleeve.
    NOTE: The pinion shaft and sleeve are a precision matched set. If either the pinion shaft or sleeve must be replaced, replace both parts as a set.
    Fig 21: Checking Sleeve For Wear, Burrs And Other Damage
    G01955104
  28. Remove the snap ring (A) and sleeve (B) from the pinion shaft.
    Fig 22: Removing Snap Ring And Sleeve From Pinion Shaft
    G01955105
  29. Using a cutter or an equivalent tool, cut and remove the four seal rings from the sleeve. Be careful not to damage the edges of the sleeve grooves and the outer surface when removing the seal rings.
    Fig 23: Removing Four Seal Rings From Sleeve
    G01955106
  30. Using a cutter or an equivalent tool, cut the valve seal ring (A) and O-ring (B) at the groove (C) in the pinion shaft. Remove the valve seal ring and O-ring. Be careful not to damage the edges of the pinion shaft groove and outer surface when removing the valve seal ring and O-ring.
    Fig 24: Cutting Valve Seal Ring And O-Ring At Groove
    G01955107
  31. Remove the valve oil seal (A) and wave washer (B) from the pinion shaft.

    Note these items during disassembly:

    • Inspect the ball bearing (C) by rotating the outer race slowly. If there is any excessive play, replace the pinion shaft and sleeve as an assembly.
    • The pinion shaft and sleeve are a precise fit; do not-intermix old and new pinion shafts and sleeves.
    Fig 25: Removing Valve Oil Seal And Wave Washer From Pinion Shaft
    G01955108
  32. Press the valve oil seal (A) and bushing (B) out of the valve housing using a hydraulic press and special tool.
    Fig 26: Pressing Valve Oil Seal And Bushing Out Of Valve Housing
    G01955109

    Reassembly 

  33. Apply vinyl tape (A) to the stepped port on of the pinion shaft, and coat the surface of the vinyl tape with the power steering fluid.
    Fig 27: Applying Vinyl Tape To Stepped Port On Pinion Shaft
    G01955110
  34. Install the wave washer (B). Coat the inside surface of the new valve oil seal (C) with power steering fluid, and install the seal with its grooved side facing opposite the bearing, then slide over the pinion shaft, being careful not to damage its sealing lip (D). Remove the vinyl tape.
  35. Install the special tool over the pinion, and coat the surface of the tool with the power steering fluid. Slip the new O-ring (A) and new valve seal ring (B) over the special tool, and expand them.
    Fig 28: Slipping New O-Ring And Seal Over Special Tool
    G01955111
  36. Fit the O-ring in the groove of the pinion shaft. Then slide the valve seal ring over the shaft and in the groove on the pinion shaft.
  37. Remove the special tool, and apply power steering fluid to the surface of the valve seal ring (A).
    Fig 29: Applying Power Steering Fluid To Surface Of Valve Seal Ring
    G01955112
  38. Apply power steering fluid to the inside of the special tool. Set the larger diameter end of the special tool over the valve seal ring, and move the special tool up and down several times to make the valve seal ring fit in the pinion shaft groove.
  39. Remove the special tool, turn it over, slide the smaller diameter end over the valve seal ring. Move it up and down several times to make the valve seal ring fit snugly in the pinion shaft groove.
  40. Apply power steering fluid to the surface of the special tool. Slip two new seal rings (A) over the special tool from the smaller diameter end, and expand them. Install only two rings at a time from each end of the pinion shaft sleeve (B).

    Note these items when installing the seal ring:

    • Do not over-expand the seal ring. Install the resin seal rings with care so as not to damage them. After installation, be sure to contract the seal rings using the special tool (sizing tool).
    • There are two types of sleeve seal rings: black and brown. Do not mix the different types of rings as they are not compatible.
    Fig 30: Slipping Seal Rings Over Smaller Diameter End Of Special Tool
    G01955113
  41. Align the special tool with each groove in the sleeve, and slide a sleeve seal ring into each groove. After installation, compress the seal rings with your fingers temporarily.
  42. Apply power steering fluid to the seal rings on the sleeve, and to the entire inside surface of the special tool, then slowly insert the sleeve into the special tool.
    Fig 31: Applying Power Steering Fluid To Seal Rings On Sleeve
    G01955114
  43. Move the sleeve back and forth several times to make the seal rings snugly fit in the sleeve. Be sure that the seal rings are not twisted.
  44. Apply power steering fluid to the surface of the pinion shaft (A). Slide the sleeve (B) onto the pinion shaft by aligning the locating pin (C) on the inside of the sleeve with the cutout (D) in the shaft. Then install the new snap ring (E) securely in the pinion shaft groove. Be careful not to damage the valve seal ring when inserting the sleeve.
    Fig 32: Applying Power Steering Fluid To Surface Of Pinion Shaft
    G01955115
  45. Apply power steering fluid to the seal ring lip of the new valve oil seal (A), then install the seal in the valve housing (B) using a hydraulic press and special tools. Install the seal with its grooved side (C) facing the tool.
    Fig 33: Applying Power Steering Fluid To Seal Ring Lip Of Valve Oil Seal
    G01955116
  46. Press the bushing (D) into the valve housing with a hydraulic press and special tool.
  47. Apply vinyl tape (A) to the pinion shaft, then coat the vinyl tape with power steering fluid
    Fig 34: Applying Vinyl Tape To Pinion Shaft And Coating With Power Steering Fluid
    G01955117
  48. Insert the pinion shaft into the valve housing (B). Be careful not to damage the valve seal rings (C).
  49. Remove the vinyl tape from the pinion shaft, then remove any residue from the tape adhesive.
  50. Press the pinion shaft/sleeve into the valve housing with a hydraulic press. Check that the pinion shaft/sleeve turns smoothly by hand after installing it.
    Fig 35: Pressing Pinion Shaft/Sleeve Into Valve Housing
    G01955118
  51. Coat the special tool with power steering fluid, then slide it onto the rack, big end first.
  52. Position the new O-ring (A) and new piston seal ring (B) on the special tool, then slide them down toward the big end of the tool.

    Note these items during reassembly:

    • Do not over expand the resin seal rings. Install the resin seal rings with care so as not to damage then. After installation, be sure to contract the seal ring using the special tool (sizing tool).
    • Replace piston's O-ring and seal ring as a set.
    Fig 36: Positioning O-Ring And Piston Seal Ring On Special Tool
    G01955119
  53. Pull the O-ring off into the piston groove, then pull the piston seal ring off into the piston groove on top of the O-ring.
  54. Coat the piston seal ring (A) and the inside of the special tool with power steering fluid, then carefully slide the tool onto the rack and over the piston seal ring.
  55. Move the special tool back and forth several times to make the piston seal ring fit snugly in the piston.
    Fig 37: Moving Special Tool Back And Forth Several Times
    G01955120
  56. Set the new bushing (A) on the special tool, and insert the special tools into the cylinder housing (B).
    Fig 38: Setting Bushing On Special Tool And Inserting Into Cylinder Housing
    G01955121
  57. Set the cylinder in a press, and install the bushing (A) into the bottom of the cylinder by pressing on the tool with press. Do not push on the tool with excessive force as it may damage the new bushing.
  58. Coat the sliding surface of the special tool (A) and new cylinder end seal (B) with power steering fluid. Place the seal on the special tool with its grooved side (C) facing opposite the special tool.
    Fig 39: Coating Sliding Surface
    G01955122
  59. Apply a thin coat of grease to the inside of the special tool.
  60. Install the cylinder end seal (A) onto the steering rack (B) with its grooved side (C) toward the piston (D). Make sure the gap in special tool is opposite of rack teeth.
    Fig 40: Installing Cylinder End Seal Onto Steering Rack With Grooved Side Toward Piston
    G01955123
  61. Separate the cylinder end seal from the special tool, then remove the special tool.
    Fig 41: Separating Cylinder End Seal From Special Tool
    G01955124
  62. Install the new backup ring (A) on the steering rack, then place the backup ring and cylinder end seal (B) against the piston (C).
    Fig 42: Installing Backup Ring On Steering Rack
    G01955125
  63. Mark (A) a position on the steering rack surface with a felt-tip marker, 14.5 mm (0.57 in) from the rack end edges.
    Fig 43: Marking Position On Steering Rack Surface From Rack End Edges
    G01955126
  64. Grease the steering rack teeth, then insert the steering rack (A) into the cylinder (B). Be careful not to damage to inner surface of the cylinder wall and bushing with the rack edges.
    Fig 44: Greasing Steering Rack Teeth And Inserting Steering Rack Into Cylinder
    G01955127
  65. Set the cylinder (A) in a press, then press the cylinder end seal (B) into the bottom of the cylinder until the mark (C) on the rack meets the edges (D) of the cylinder.
    Fig 45: Pressing Cylinder End Seal Into Bottom Of Cylinder
    G01955128
  66. Coat the inside and outside surfaces of the new cylinder end seal (A) with power steering fluid.
    Fig 46: Coating Inner And Outer Surfaces Of Cylinder End Seal With Power Steering Fluid
    G01955129
  67. Install the cylinder end seal onto the steering rack (B) with its grooved side (C) toward the piston. Push in the cylinder end seal with your finger.
  68. Place the backup ring (D) on the cylinder end seal with its flat side facing upward. Then drive the backup ring in with the appropriate size socket wrench until the its surface is below the snap ring groove (E). Install the snap ring (F) in the groove.
  69. Install the new lock screw (A) on the cylinder.
    Fig 47: Installing Lock Screw On Cylinder
    G01955130
  70. Install the new stop ring (B) in the groove (C) on the cylinder by expanding it with snap ring pliers. Be careful not to scratch or damage on the cylinder surface with the stop ring edges.
  71. Set the new boot bands (B) on the band installation grooves of the boot (A) by aligning the tabs (C) with the holes (D) of the band. Do not close the ear portion of the boot band in this step.
    Fig 48: Setting Boot Bands On Band Installation Grooves Of Boot
    G01955131
  72. Compress the boot (A) by hand, and apply vinyl tape (E) to the bellows so the boots stay collapsed and pulled back. Pass boot (A) over the cylinder so the smaller diameter end of the boot faces the gearbox housing.
  73. Attach the yoke (A) of a universal puller to the gearbox housing (B) with bolts, then securely clamp the yoke in a vise with jaws. Do not clamp the gearbox housing in a vise.
    Fig 49: Attaching Yoke Of Universal Puller To Gearbox Housing
    G01955132
  74. Push the cylinder (A) into the gearbox housing (B) so the notch (C) is aligned with the pin (D) inside of the gearbox housing.
    Fig 50: Pushing Cylinder Into Gearbox Housing Aligning Notch With Pin
    G01955133
  75. Tighten the lock screw (A) by hand first then set the special tool (B) on the lock screw securely. Tighten the lock screw to specified torque.
    Fig 51: Tightening Lock Screw Setting Special Tool
    G01955134
  76. Remove the special tool.
  77. Apply multipurpose grease to the sliding surface of the slider guide (A).

    Slide the steering rack all the way to left, and place the slider guide on the steering rack by aligning the bolt holes (B).

    Fig 52: Applying Grease To Sliding Surface Of Slider Guide
    G01955135
  78. Center the steering rack within its stroke, and align the slider guide (B) with the holes (C) in boot (A). Fit the slider guide to boot (A) by pressing around the edges of the holes securely.
    Fig 53: Aligning Slider Guide With Holes In Boot
    G01955136
  79. Clean off any grease or contamination from the boot installation grooves around on the housing.
  80. Expand boot (A) by removing the vinyl tape, and fit the bolt both ends (D) in the installation grooves on the cylinder housing.
  81. Close the ear portion (A) of the bands (B) with a commercially available pincers, Oetiker 1098 or equivalent (C).
    Fig 54: Closing Ear Portion Of Bands With Pincers
    G01955137
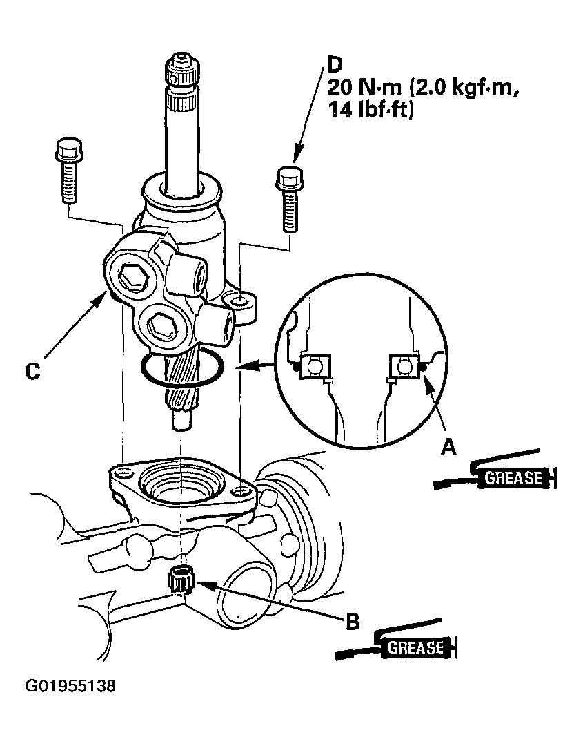
  82. Coat the new O-ring (A) with grease, and carefully fit it on the valve housing.
    Fig 55: Coating O-Ring With Grease And Fitting It On Valve Housing
    G01955138
  83. Apply grease to the needle bearing (B) in the gearbox housing, then install the valve body unit (C) by engaging the gears. Note the valve body unit installation position (direction of the line connections).
  84. Tighten the flange bolts (D) to the specified torque.
  85. Grease the sliding surface of the rack guide (A), and install it onto the gearbox housing.
    Fig 56: Greasing Sliding Surface Of Rack Guide And Installing It Onto Gearbox Housing
    G01955139
  86. Apply sealant all around the threads on the rack guide screw (B), then install the spring (C), rack guide screw, and locknut (D). Adjust the rack guide screw (see Rack Guide Adjustment  ). After adjusting, check that the rack moves smoothly by sliding it right and left.
  87. Install the rack end plug (A).
    Fig 57: Installing Rack End Plug
    G01955140
  88. Clean off any grease or contamination from the boot installation grooves (C) around on the housing.
  89. Install boot (B) and set the boot end in the installation grooves in the cylinder housing and rack end plug properly.
  90. Install the clip (D) and boot guard (E).
  91. Install the new boot band (F) in the band grooves of boot (B) by aligning the tabs (G) with the holes (H) in the band.
  92. Close the ear portion (A) of the band (B) with a commercially available pincers, Oetiker 1098 or equivalent (C).
    Fig 58: Closing Ear Portion Of Band With Pincers
    G01955141
  93. Slide the rack right and left to be certain that the boots are not deformed or twisted.
  94. Before installing the bracket (A), clean the mating surface of the 12 mm flange bolts (B) and bracket. Then install the new O-rings (C) on the 12 mm flange bolts.
    Fig 59: Installing Bracket
    G01955142
  95. Install the bracket on the steering rack with 12 mm flange bolts.
  96. After tightening the 12 mm flange bolts, install the lock washer (A) over one of bolt heads (B). Be sure the tabs (C) of the lock washer with the flat surfaces (D) of the bolt head.
    Fig 60: Installing Lock Washer Over Bolt Heads
    G01955143
  97. Install the cylinder lines.

    Note these items during reassembly:

    • Thoroughly clean the joints of the cylinder lines. The joints must be free of foreign material.
    • Install the cylinder lines by tightening the flare nuts by hand first, then tighten the flare nuts to the specified torque.
    Fig 61: Installing Cylinder Lines
    G01955144
  98. Install the new lock washer (A) on the tie-rod (B) with the radius side of the washer toward the tie-rod, and screw the tie-rod on the bracket (C). Repeat this step for the other tie-rod. Hold the bracket with one wrench, and tighten both tie-rods to the specified torque with another wrench.
    Fig 62: Installing Lock Washer On Tie-Rod
    G01955145
  99. Bend the lock washer against the flat spots on the bracket with a large pair of pliers.
    Fig 63: Bending Lock Washer Against Flat Spots On Bracket
    G01955146