LEMON Manuals: Even more car manuals for everyone: 1960-2025
Home >> Acura >> 2003 >> 3.2CL V6-3.2L SOHC >> Repair and Diagnosis >> Diagrams >> Electrical Diagrams >> Powertrain Management >> System Diagram >> Control Module Circuit Diagrams >> ECM/PCM Electrical Connections
April 5, 2026: LEMON Manuals is launched! Read the announcement.

ECM/PCM Electrical Connections

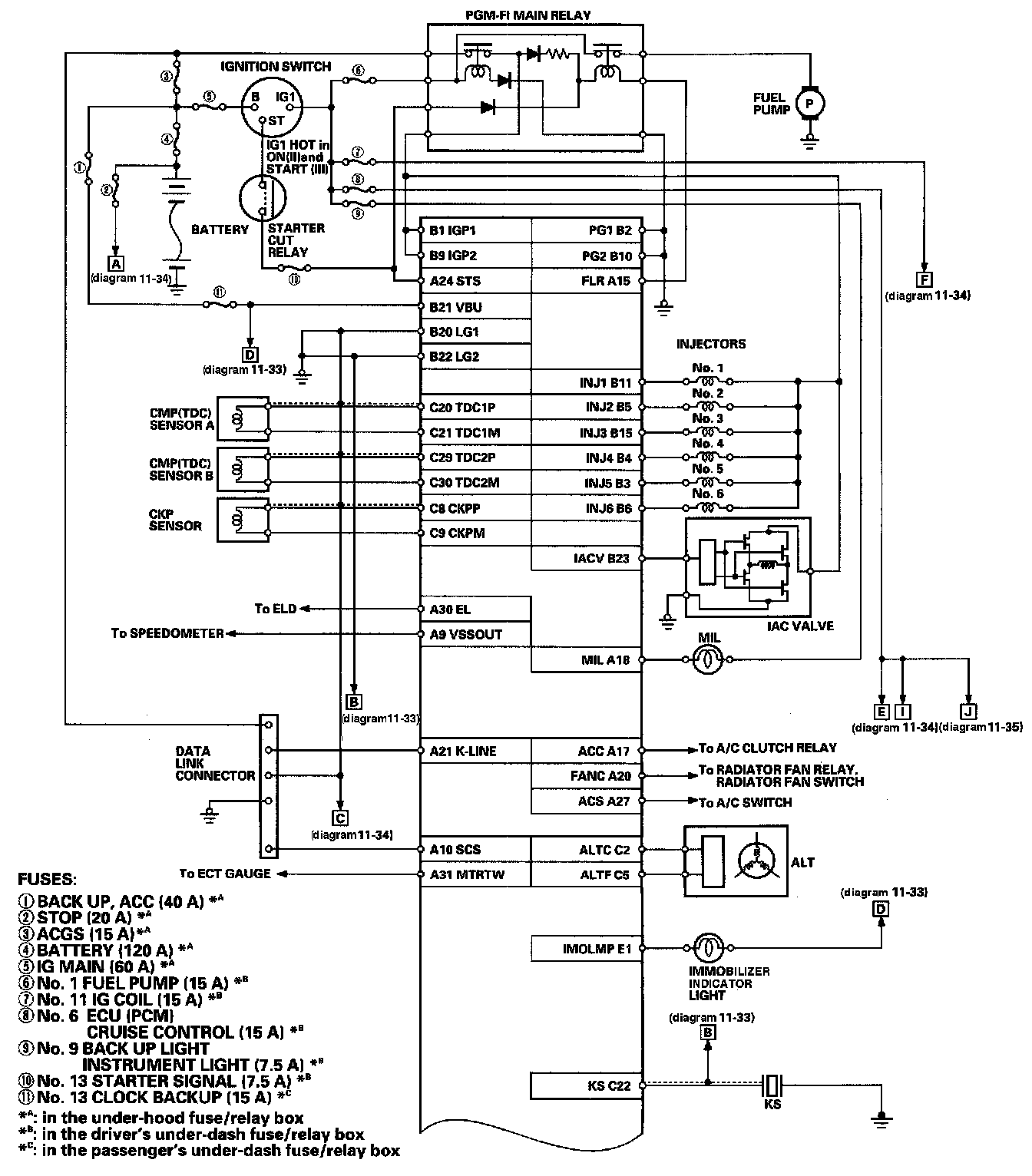
ECM/PCM Electrical Connections Diagram 11-33:



ECM/PCM Electrical Connections Diagram 11-34:



ECM/PCM Electrical Connections Diagram 11-35:



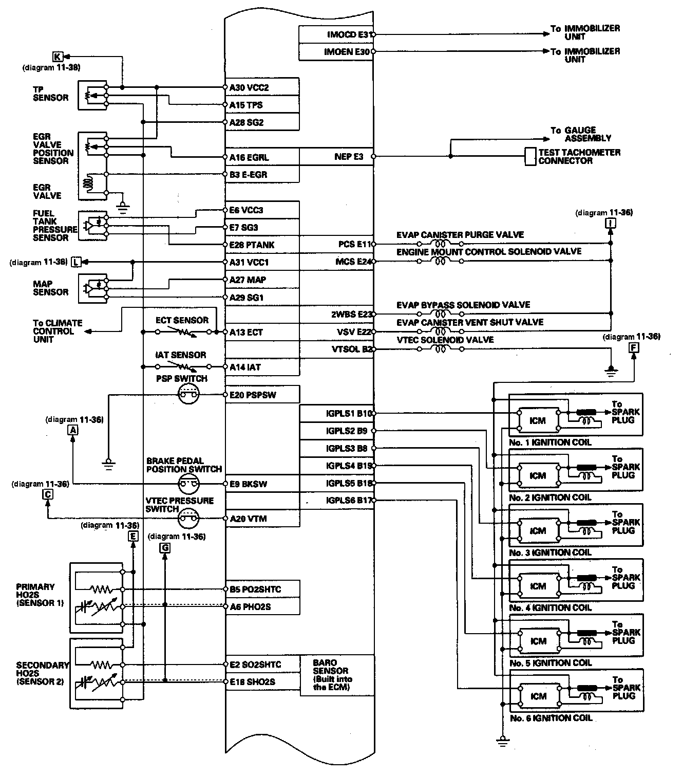
ECM/PCM Electrical Connections Diagram 11-36:



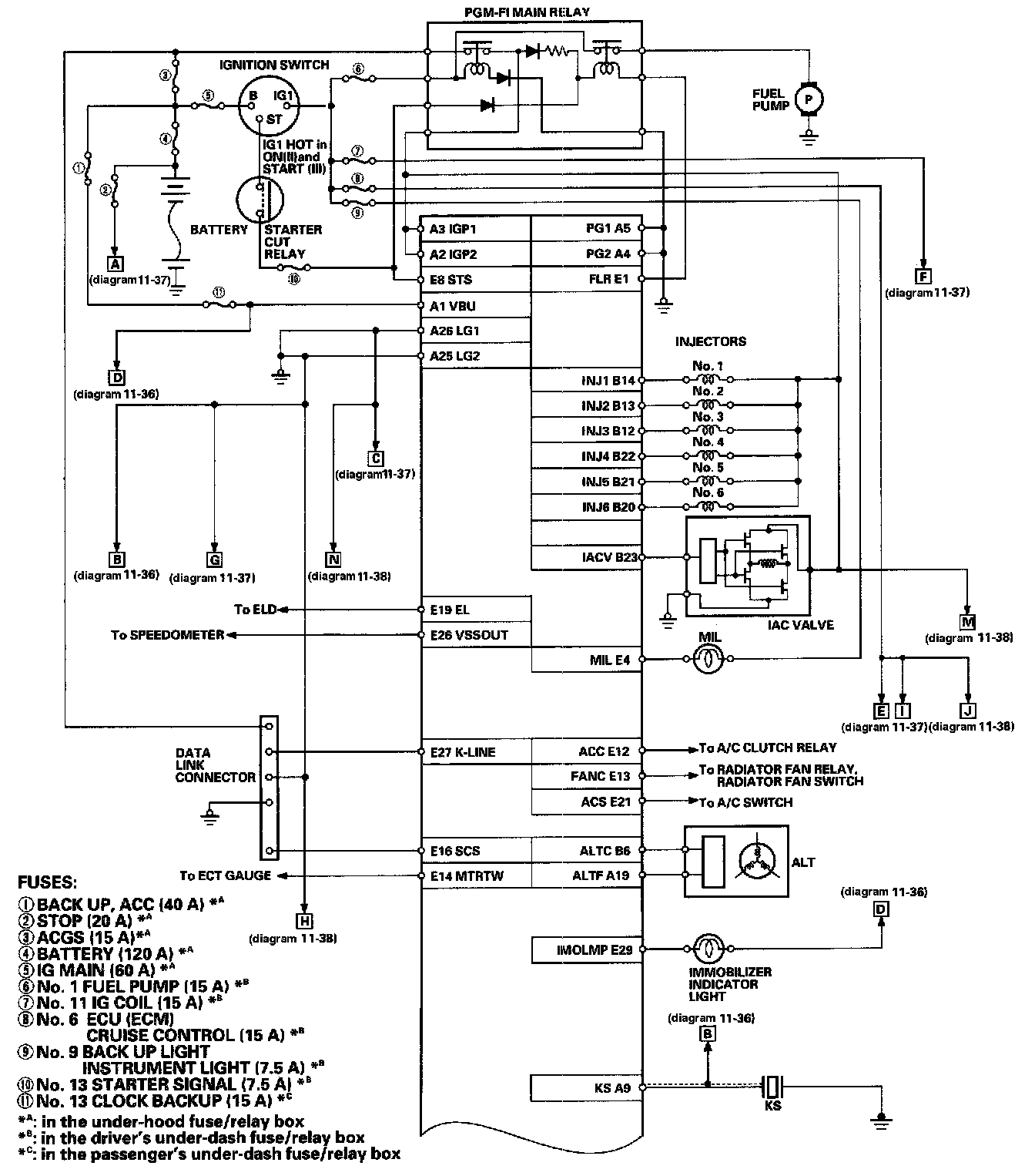
ECM/PCM Electrical Connections Diagram 11-37:



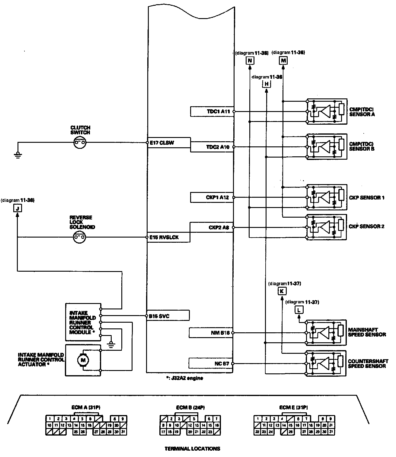
ECM/PCM Electrical Connections Diagram 11-38: