LEMON Manuals: Even more car manuals for everyone: 1960-2025
Home >> Acura >> 2003 >> 3.2TL V6-3.2L SOHC >> Repair and Diagnosis >> Diagrams >> Electrical Diagrams >> Diagrams By Number >> Diagram Set 143 (DPMS (Driving Position Memory System))
April 5, 2026: LEMON Manuals is launched! Read the announcement.

Diagram Set 143 (DPMS (Driving Position Memory System))

Diagram 143-0:



Diagram 143-1:



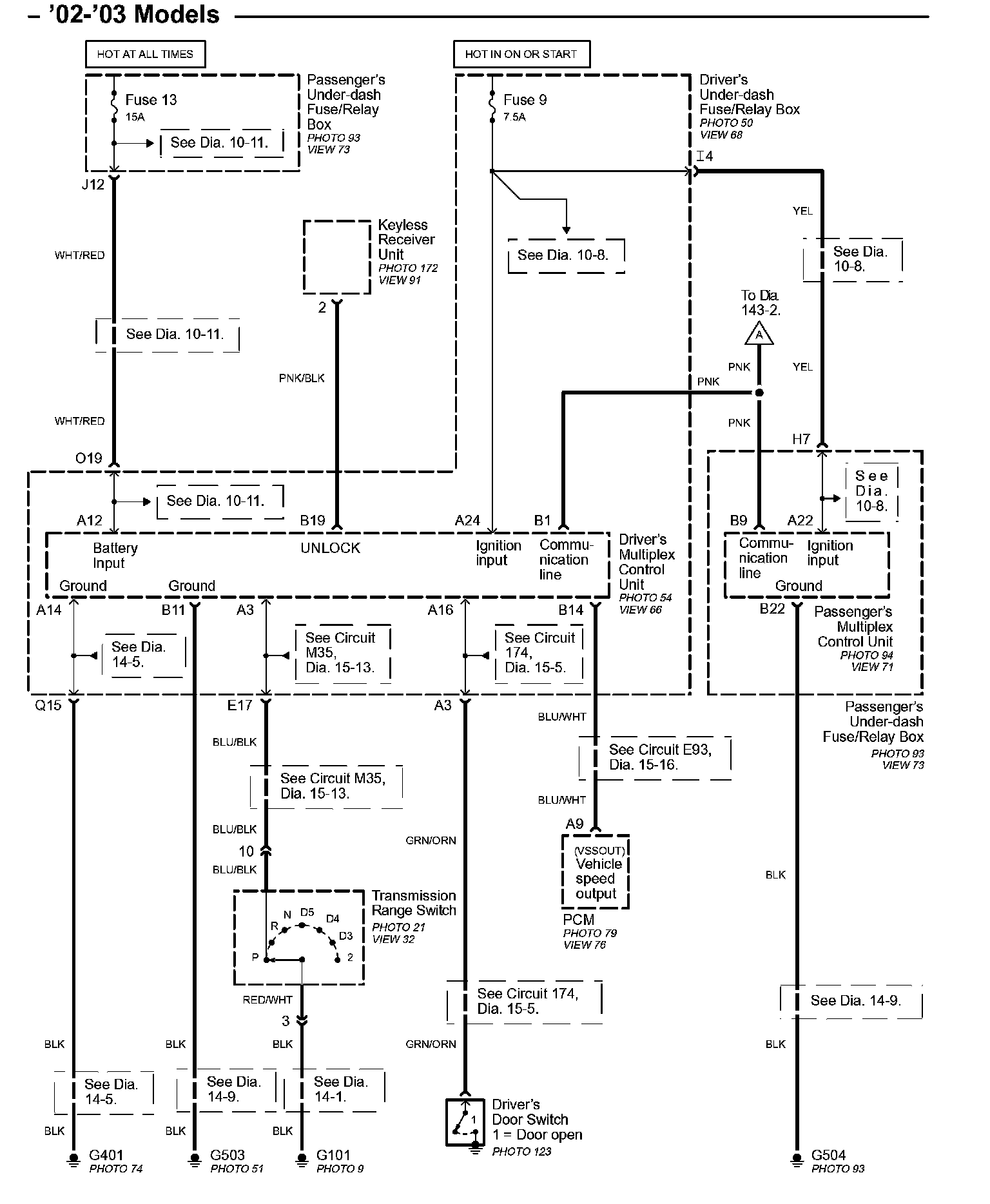
Diagram 143-2:



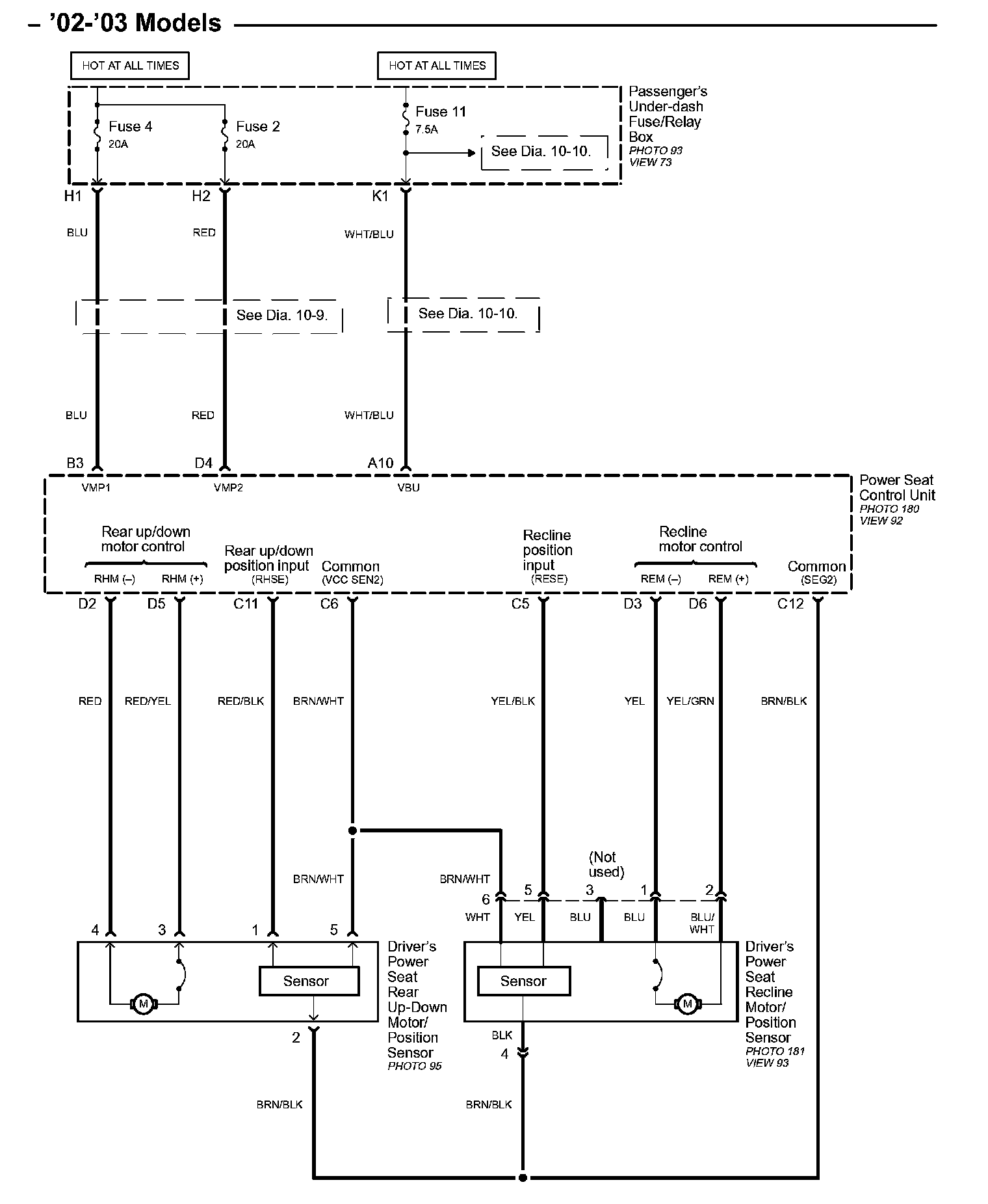
Diagram 143-3:



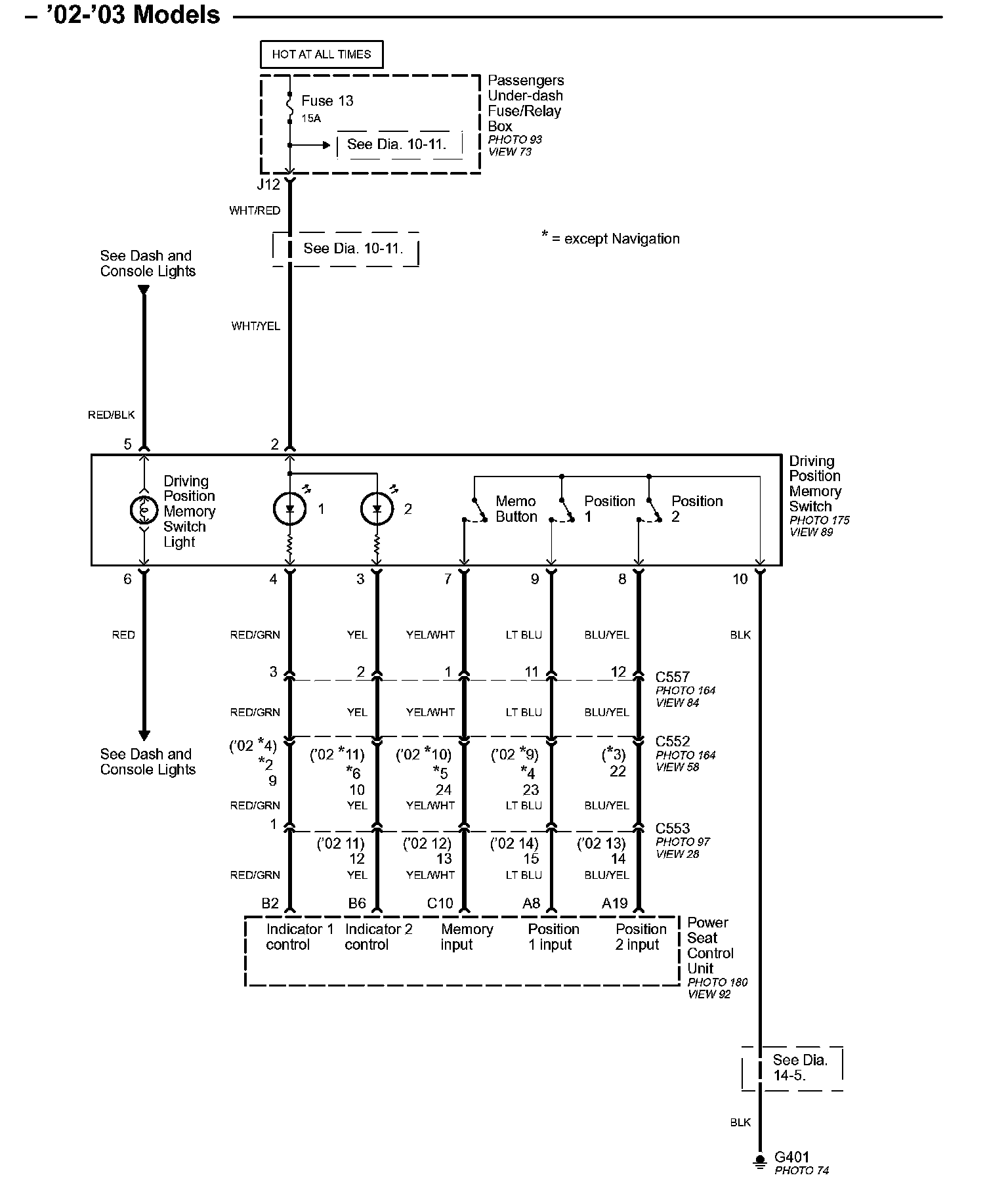
Diagram 143-4:



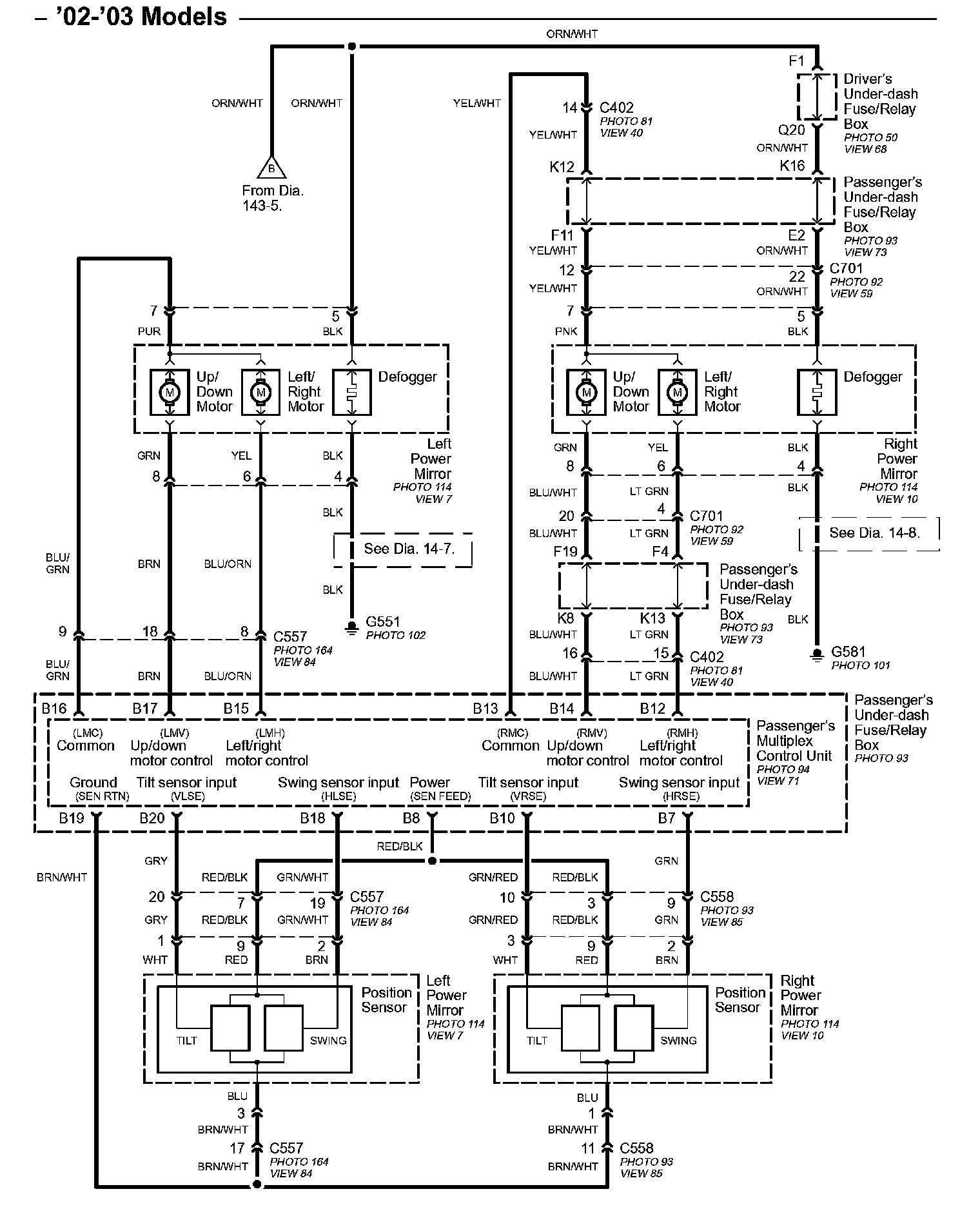
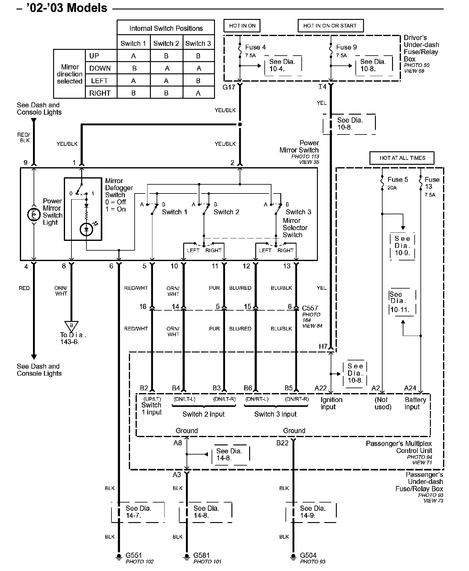
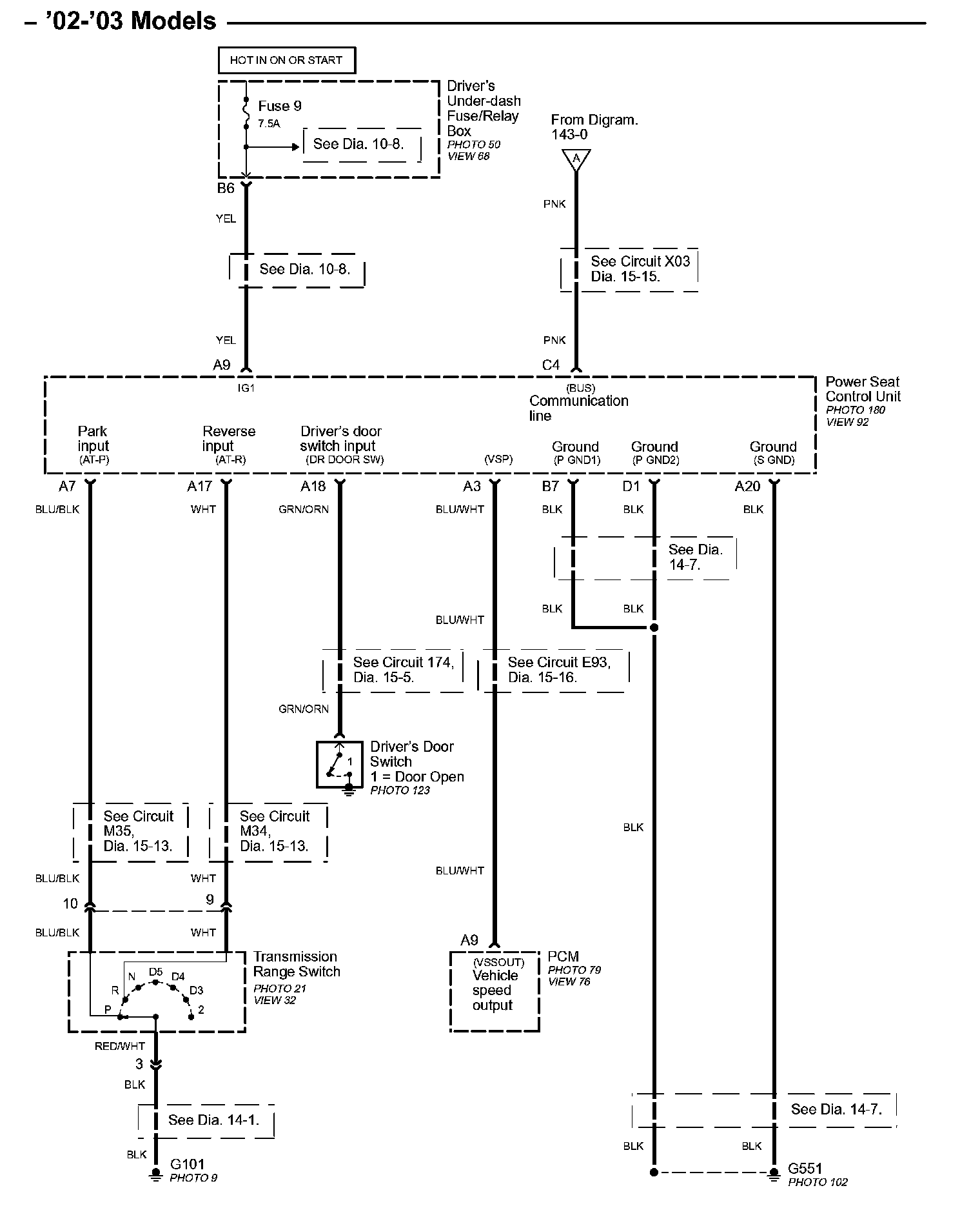
Diagram 143-5:



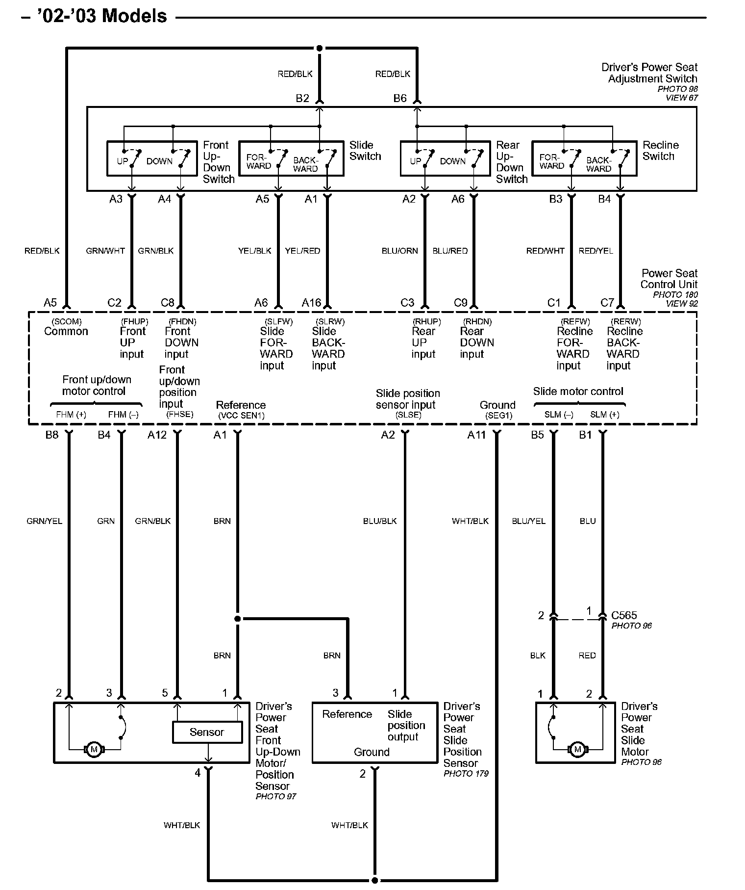
Diagram 143-6: