LEMON Manuals: Even more car manuals for everyone: 1960-2025
Home >> Acura >> 2003 >> 3.2TL V6-3.2L SOHC >> Repair and Diagnosis >> Specifications >> Mechanical Specifications >> Cooling System >> System Specifications >> Torque Specifications
April 5, 2026: LEMON Manuals is launched! Read the announcement.

Torque Specifications

COOLING SYSTEM





Thermostat Replacement





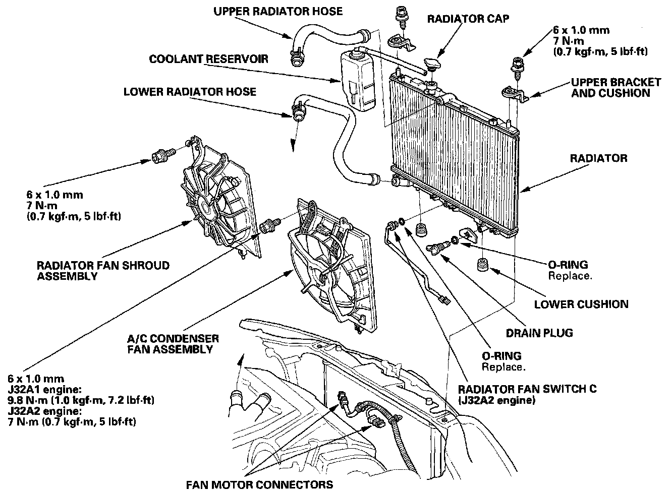
Radiator and Fans Replacement





Water pump displacement
at 6,000 engine rpm 172 L/min (182 US qt/min)

Water Pump Bolt Torque:




Water Pump Torque