LEMON Manuals: Even more car manuals for everyone: 1960-2025
Home >> Acura >> 2003 >> MDX Base >> Repair and Diagnosis >> External Pages >> Different car >> Section 80 (Climate Control System) >> Heater Unit/Core Replacement
April 5, 2026: LEMON Manuals is launched! Read the announcement.

Heater Unit/Core Replacement

WARNING: This page is about a different car, the 2009 Acura MDX, 2008 Acura MDX, and 2007 Acura MDX. However, it is still accessible from the selected car via links, so may be relevant.

SRS components are located in this area. Review the SRS component locations (see COMPONENT LOCATION INDEX ) and the precautions and procedures (see PRECAUTIONS AND PROCEDURES ) before doing repairs or service.

  1. Do the battery terminal disconnection procedure.(see BATTERY TERMINAL DISCONNECTION AND RECONNECTION ).
  2. Disconnect the front receiver line and front suction line from the front evaporator core (see FRONT EVAPORATOR CORE REPLACEMENT  ).
  3. From under the hood, open the cable clamp (A), then disconnect the heater valve cable (B) from the heater valve arm (C). Turn the heater valve arm to the fully opened position as shown.
    Fig 1: Turning Heater Valve Arm
    G05487720Courtesy of AMERICAN HONDA MOTOR CO., INC.
  4. When the engine is cool, drain the engine coolant from the radiator (see COOLANT CHECK ).
  5. Remove the clamp (A). Slide the hose clamps (B) back. Remove the nut and the water valve (C), then disconnect the inlet heater hose (D) and the outlet heater hose (E) from the heater unit. Engine coolant will run out when the hoses are disconnected; drain it into a clean drip pan. Be sure not to let coolant spill on the electrical parts or the painted surfaces. If any coolant spills, rinse it off immediately.
    Fig 2: Clamp, Slide Hose Clamps, Water Valve, Heater Hose And Outlet Heater Hose Nut With Torque Specification
    G05487721Courtesy of AMERICAN HONDA MOTOR CO., INC.
  6. Remove the mounting nuts from the heater unit. Take care not to damage or bend the fuel lines or brake lines, etc.
    Fig 3: Heater Unit Mounting Nuts With Torque Specification
    G05487722Courtesy of AMERICAN HONDA MOTOR CO., INC.
  7. Remove the dashboard (see DASHBOARD REPLACEMENT ).
  8. Disconnect the connector (A) from the front blower motor. Remove the wire harness clips (B).
    Fig 4: Identifying Front Blower Motor Connector And Harness Clips
    G05487723Courtesy of AMERICAN HONDA MOTOR CO., INC.
  9. Disconnect the connector (A) from the adaptive front lighting control unit, then remove the harness clip (B).
    Fig 5: Identifying Adaptive Front Lighting Control Unit Connector And Harness Clip
    G05487724Courtesy of AMERICAN HONDA MOTOR CO., INC.
  10. Disconnect the connectors (A) from the front mode control motor, the passenger's air mix control motor, the recirculation control motor, and the front power transistor. Remove the wire harness clips (B).
    Fig 6: Identifying Front Mode Control Motor Connector And Wire Harness Clip
    G05487725Courtesy of AMERICAN HONDA MOTOR CO., INC.
  11. Disconnect the connectors (A) from the driver's air mix control motor and the front evaporator temperature sensor. Remove the wire harness clips (B) and the wire harness (C).
    Fig 7: Identifying Driver's Air Mix Control Motor Connector And Wire Harness Clips And Wire Harness
    G05487726Courtesy of AMERICAN HONDA MOTOR CO., INC.
  12. Turn over the carpet. Remove the wire harness clips (A), the rear heater duct mounting clips (B), and the rear heater duct (C).
    Fig 8: Identifying Wire Harness Clips
    G05487727Courtesy of AMERICAN HONDA MOTOR CO., INC.
  13. Remove the mounting nuts. Slide the blower-heater unit (A), then remove the drain hose (B) and blower-heater unit.
    Fig 9: Blower-Heater Unit And Drain Hose With Mounting Nuts With Torque Specification
    G05487728Courtesy of AMERICAN HONDA MOTOR CO., INC.
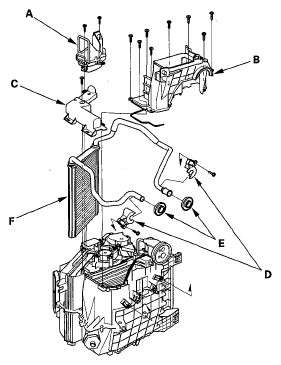
  14. Remove the self-tapping screws and the passenger's heater duct (A). Remove the self-tapping screws and the expansion valve cover (B). Remove the self-tapping screw and the front heater core cover (C). Remove the self-tapping screws, the heater pipe brackets (D), the grommets (E), and carefully pull out the front heater core (F).
    Fig 10: Identifying Passenger's Heater Duct, Expansion Valve Cover, Front Heater Core Cover And Grommets
    G05487729Courtesy of AMERICAN HONDA MOTOR CO., INC.
  15. Install the front heater core, and the front evaporator core in the reverse order of removal.
  16. Install the heater unit in the reverse order of removal, and note these items:
  17. Do the battery terminal reconnection procedure.(see BATTERY TERMINAL DISCONNECTION AND RECONNECTION ).