LEMON Manuals: Even more car manuals for everyone: 1960-2025
Home >> Acura >> 2003 >> MDX Base >> Repair and Diagnosis >> External Pages >> Different car >> Section 90 (Engine Block) >> Component Location Index
April 5, 2026: LEMON Manuals is launched! Read the announcement.

Component Location Index

WARNING: This page is about a different car, the 2009 Acura MDX, 2008 Acura MDX, and 2007 Acura MDX. However, it is still accessible from the selected car via links, so may be relevant.
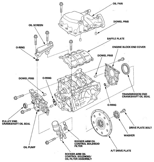
Fig 1: Identifying Engine Block Component Location (1 Of 3)
G05484756Courtesy of AMERICAN HONDA MOTOR CO., INC.
Fig 2: Identifying Engine Block Component Location (2 Of 3)
G05484757Courtesy of AMERICAN HONDA MOTOR CO., INC.
Fig 3: Identifying Engine Block Component Location (3 Of 3)
G05484758Courtesy of AMERICAN HONDA MOTOR CO., INC.