LEMON Manuals: Even more car manuals for everyone: 1960-2025
Home >> Acura >> 2003 >> RSX Base, Standard >> Repair and Diagnosis >> Engine Performance >> Ignition System >> Circuit Diagram >> 2005-2006 Models
April 5, 2026: LEMON Manuals is launched! Read the announcement.

2005-2006 Models

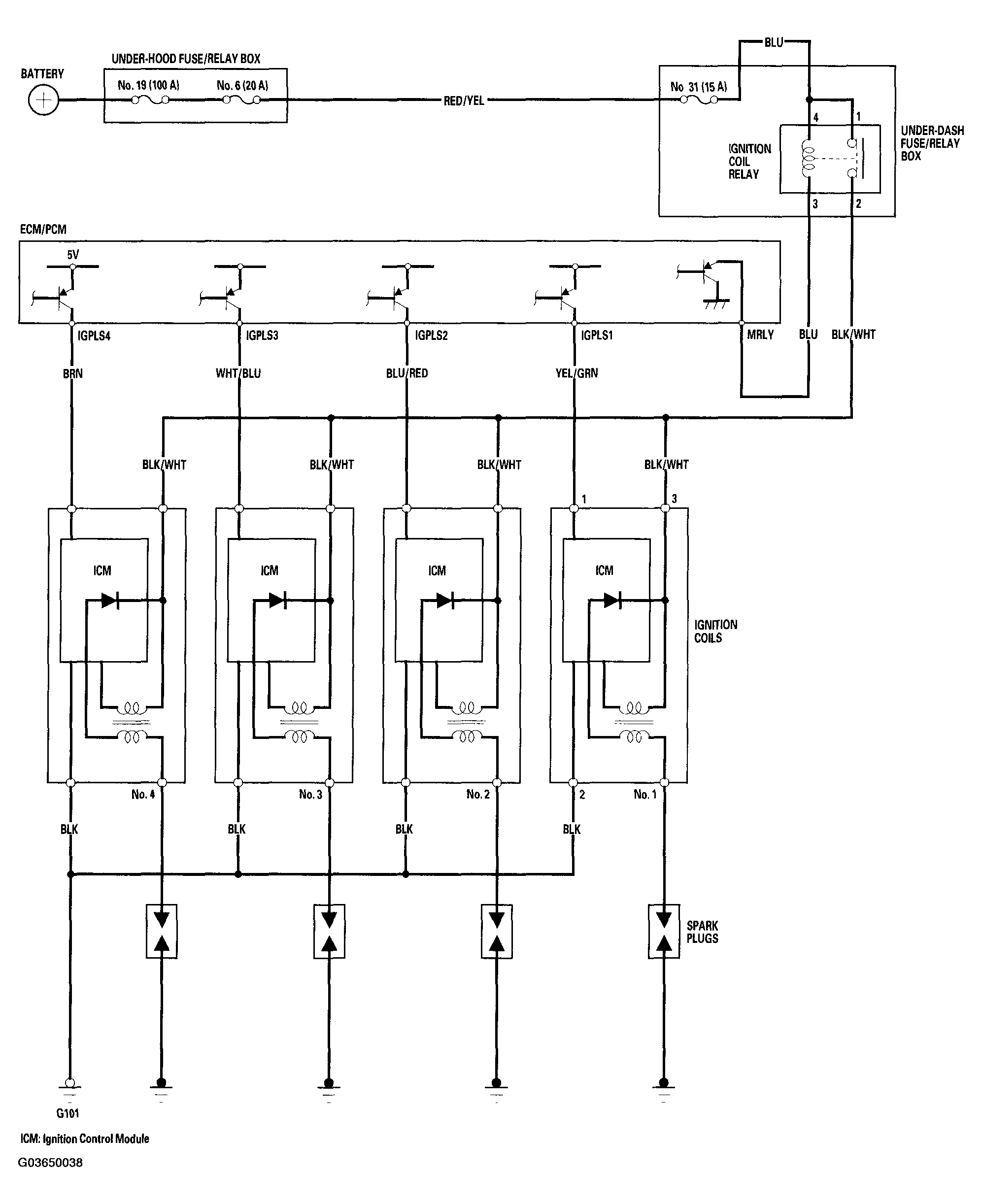
Fig 1: Circuit Diagram Ignition System - 2005-2006 Models
G03650038Courtesy of AMERICAN HONDA MOTOR CO., INC.