LEMON Manuals: Even more car manuals for everyone: 1960-2025
Home >> Acura >> 2003 >> RSX L4-2.0L >> Repair and Diagnosis >> Diagrams >> Electrical Diagrams >> Powertrain Management >> System Diagram >> Control Module Circuit Diagrams >> ECM/PCM Circuit Diagrams
April 5, 2026: LEMON Manuals is launched! Read the announcement.

ECM/PCM Circuit Diagrams

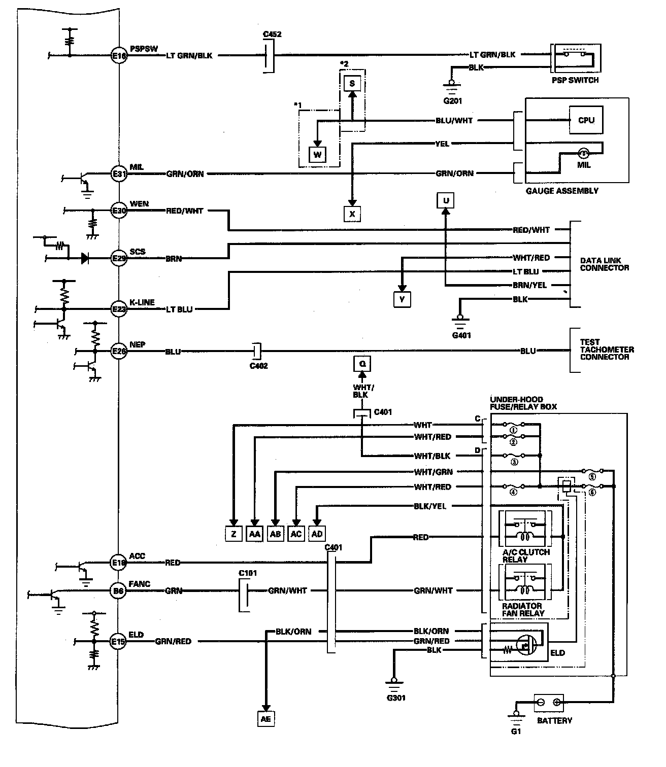
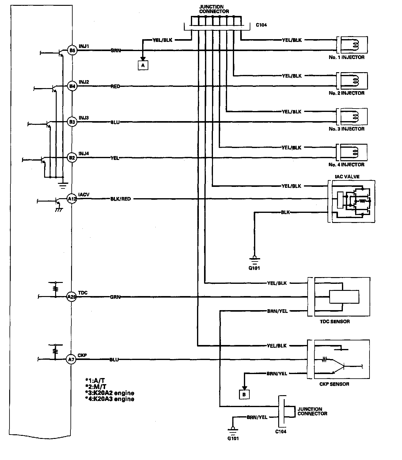
ECM/PCM Circuit Diagram Image 11-44:



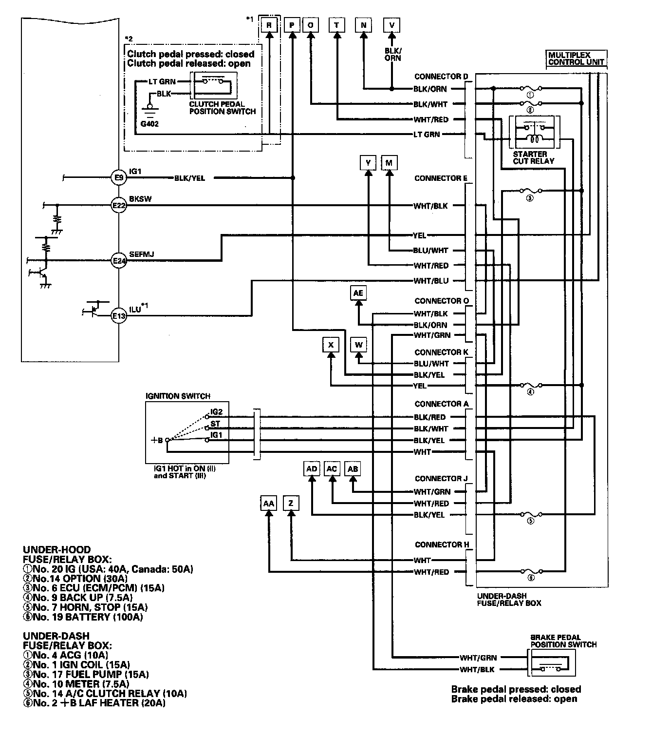
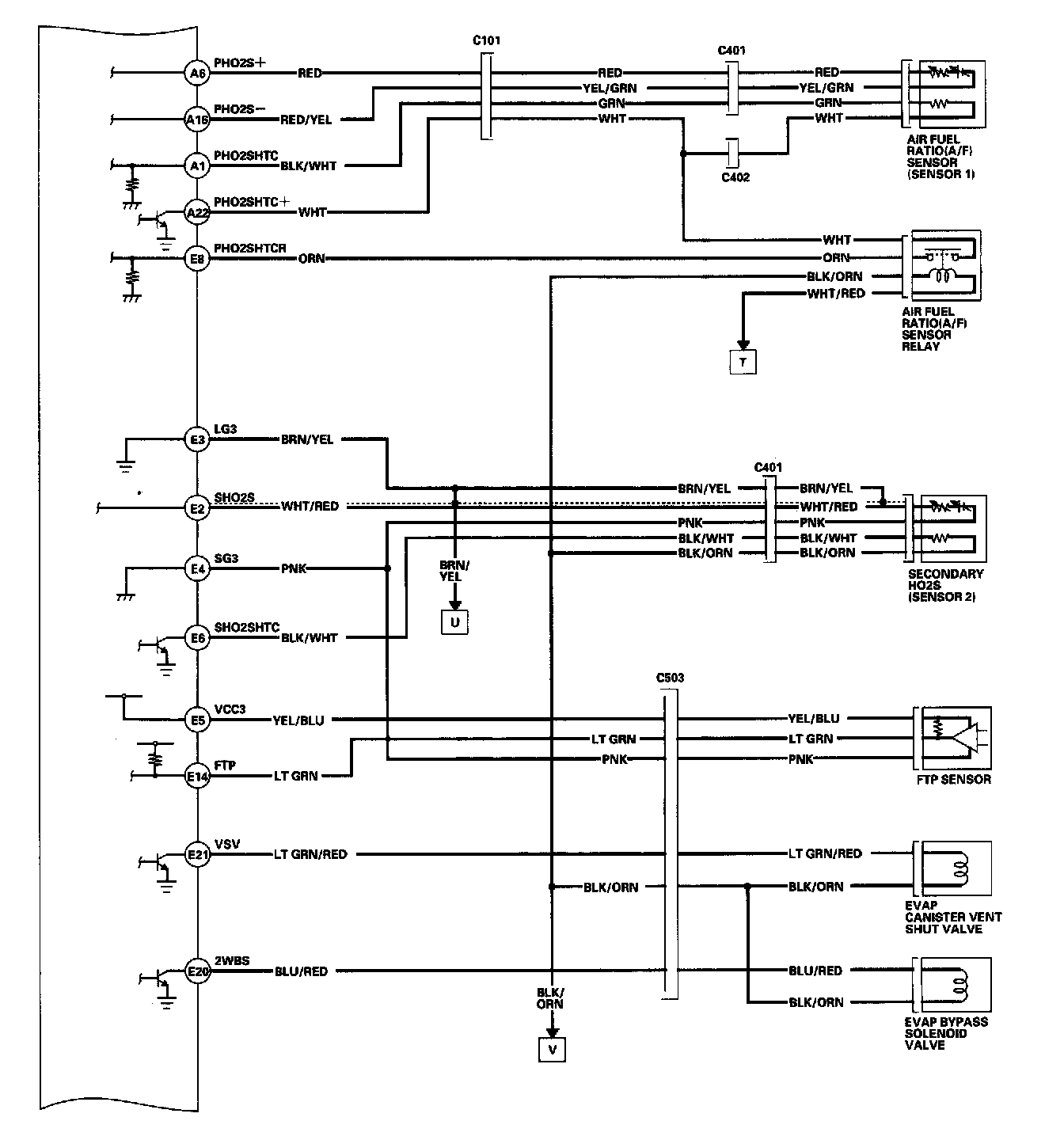
ECM/PCM Circuit Diagram Image 11-45:



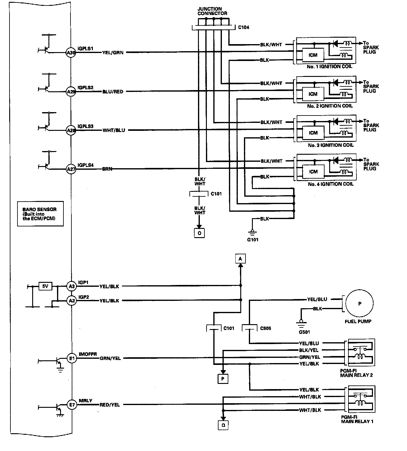
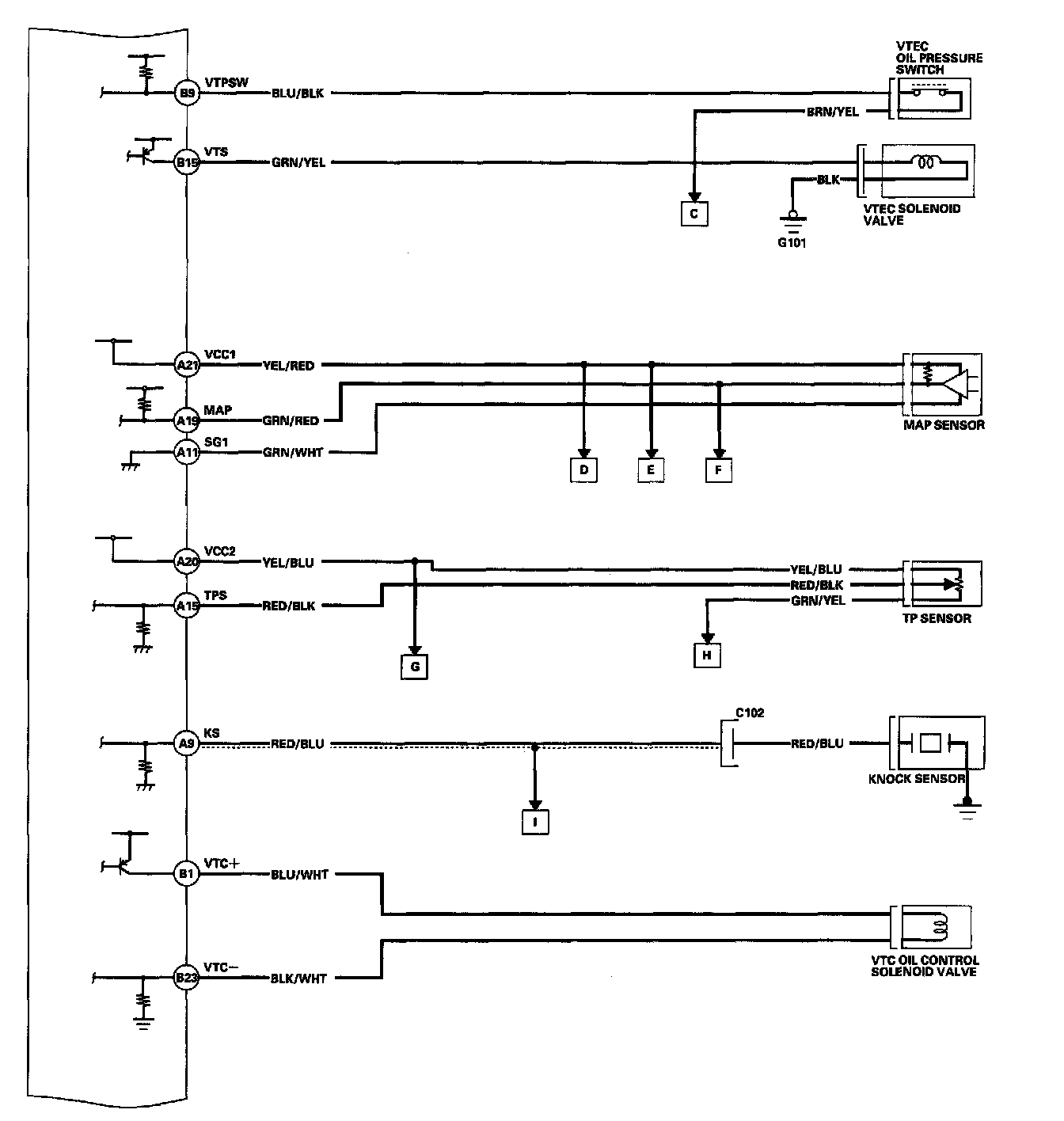
ECM/PCM Circuit Diagram Image 11-46:



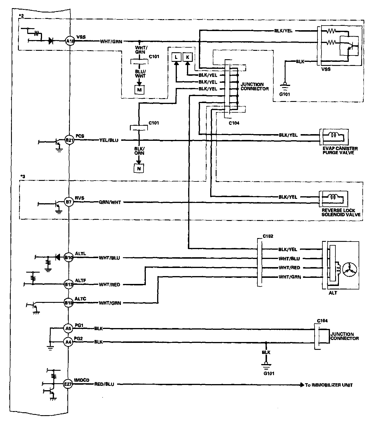
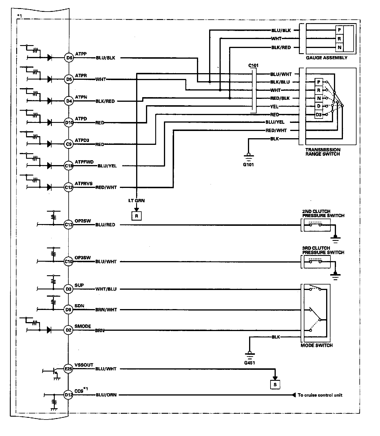
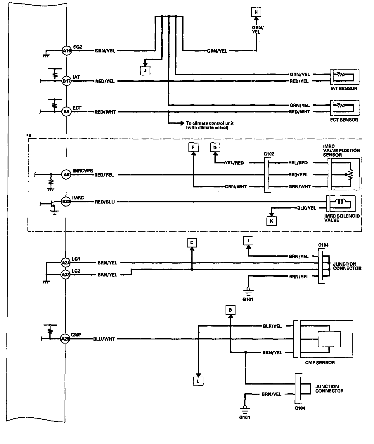
ECM/PCM Circuit Diagram Image 11-47:



ECM/PCM Circuit Diagram Image 11-48:



ECM/PCM Circuit Diagram Image 11-49:



ECM/PCM Circuit Diagram Image 11-50:



ECM/PCM Circuit Diagram Image 11-51:



ECM/PCM Circuit Diagram Image 11-52:



ECM/PCM Circuit Diagram Image 11-53: