LEMON Manuals: Even more car manuals for everyone: 1960-2025
Home >> Acura >> 2003 >> RSX L4-2.0L >> Repair and Diagnosis >> Relays and Modules >> Relays and Modules - Restraints and Safety Systems >> Air Bag Control Module >> Description and Operation >> Occupant Position Detection System (OPDS)
April 5, 2026: LEMON Manuals is launched! Read the announcement.

Occupant Position Detection System (OPDS)

Supplemental Restraint System:






OPDS

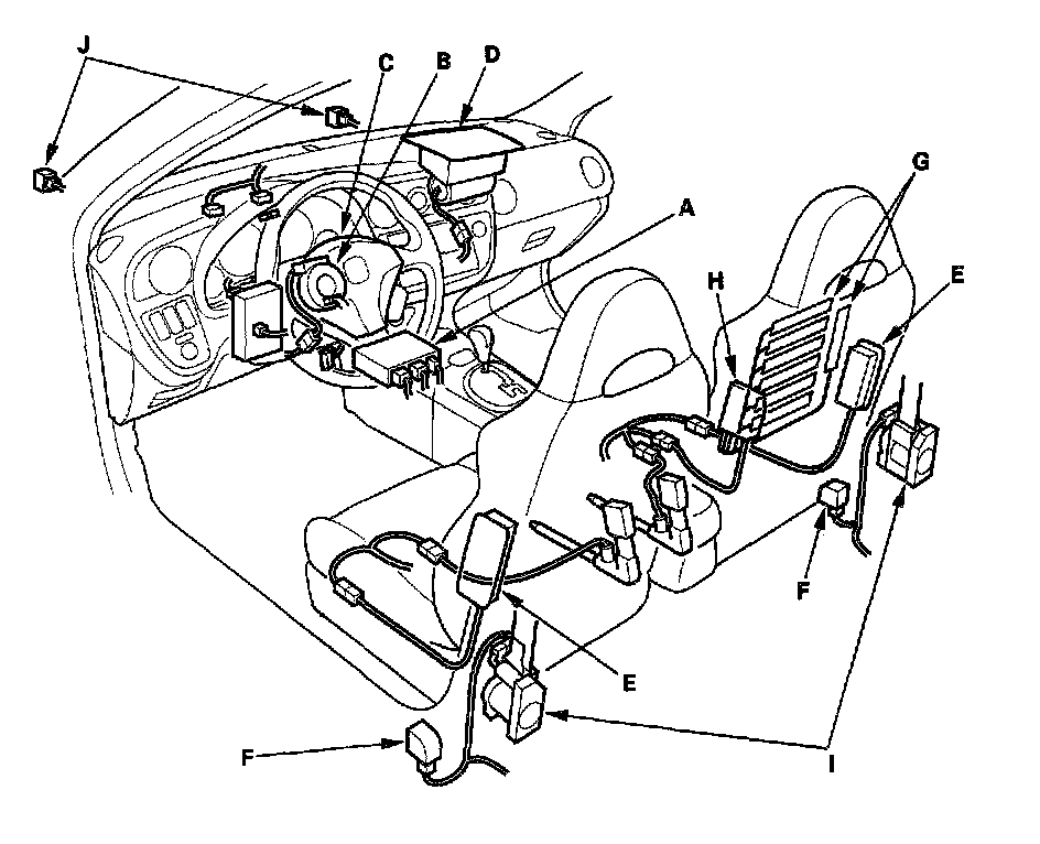
The side airbag system also includes an Occupant Position Detection System (OPDS). This system consists of sensors (G) and a OPDS unit (H) in the front passenger's seat-back. The control unit sends occupant height and position data to the SRS unit. If the SRS unit determines that the front passenger is of small stature (for example, a child) and the front passenger is leaning into the side airbag deployment path, it will automatically disable the airbag. The SRS unit will also disable the airbag when the OPDS detects certain objects on the seat. When the side airbag is disabled, the Side Airbag Cut-off indicator on the instrument panel alerts the driver that the passenger's side airbag will not deploy in a side impact. When the object is removed, or the passenger sits upright, the Side Airbag Cut-off indicator will go off, alerting the driver that the side airbag will deploy in a side impact.