LEMON Manuals: Even more car manuals for everyone: 1960-2025
Home >> Acura >> 2004 >> 3.5RL V6-3474cc 3.5L >> Repair and Diagnosis >> Relays and Modules >> Relays and Modules - Brakes and Traction Control >> Traction Control Module >> Service and Repair >> VSA Modulator-Control Unit
April 5, 2026: LEMON Manuals is launched! Read the announcement.

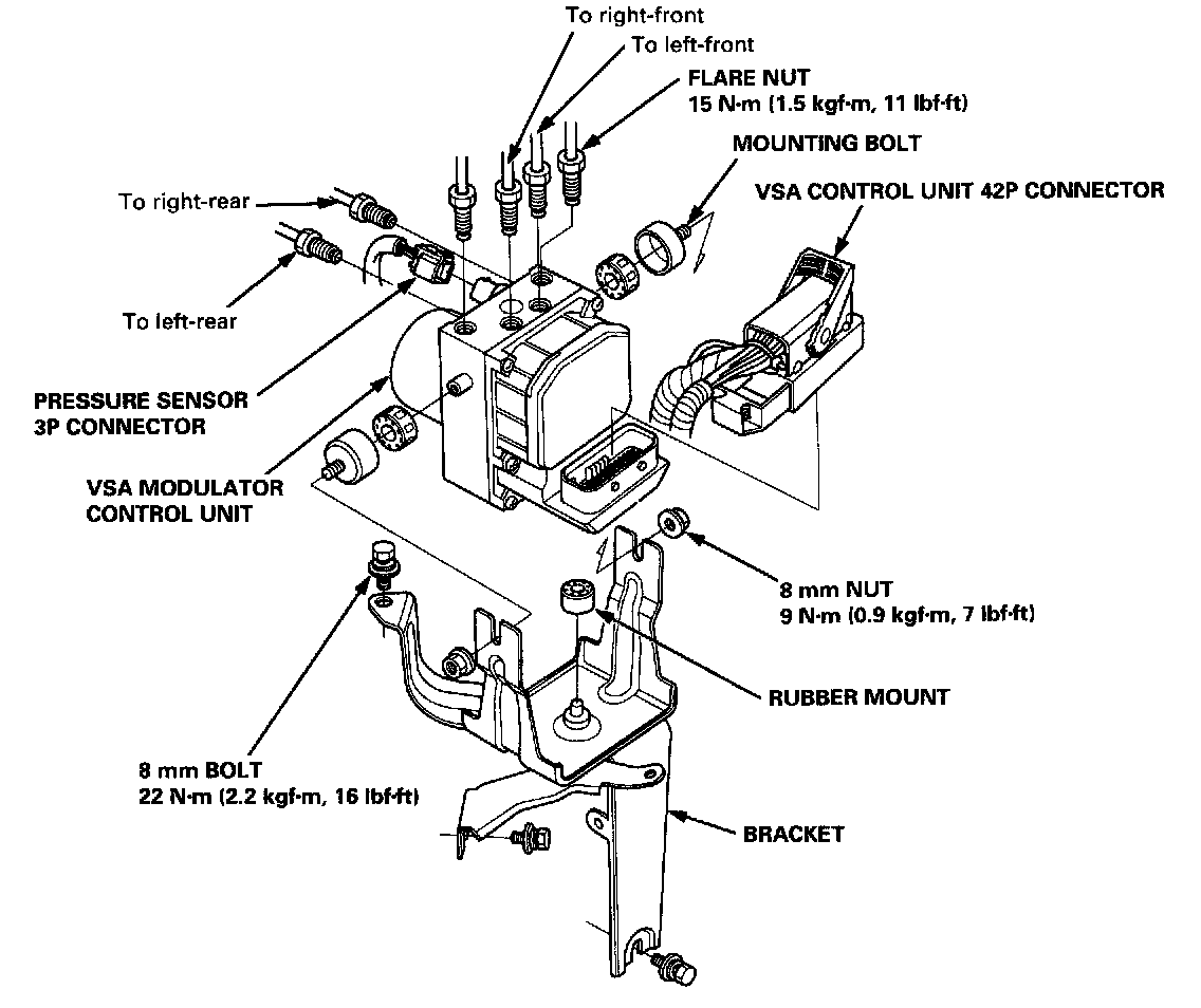
VSA Modulator-Control Unit

Removal/Installation

NOTE:
- Do not spill brake fluid on the vehicle; it may damage the paint; if brake fluid does contact the paint, wash it off immediately with water.
- Take care not to damage or deform the brake lines during removal and installation.
- To prevent the brake fluid from flowing, plug and cover the hose ends and joints with a shop towel or equivalent material.

Removal





1. Disconnect the pressure sensor 3P connector.
2. Pull the locking lever of the VSA control unit 42P connector up, then disconnect the connector.
3. Disconnect the six brake lines.
4. Remove the two 8 mm nuts.
5. Remove the VSA modulator-control unit.





Installation
1. Install the VSA modulator-control unit, then tighten the two 8 mm nuts.
2. Align the connecting surfaces of the VSA control unit 42P connector.
3. Push the locking lever of the VSA control unit 42P connector down until you hear a click.
4. Connect the pressure sensor 3P connector.
5. Connect the six brake lines.
6. Do the steering angle sensor neutral memorization procedure.
7. Bleed the precharge brake line.
8. Bleed the brake system, starting with the front wheels.
9. Start the engine, and check that the ABS and VSA indicators go off.
10. Test-drive the vehicle, and check that the ABS and VSA indicators do not come on.