LEMON Manuals: Even more car manuals for everyone: 1960-2025
Home >> Acura >> 2004 >> 3.5RL V6-3474cc 3.5L >> Repair and Diagnosis >> Specifications >> Mechanical Specifications >> Heating and Air Conditioning >> System Specifications >> Torque Specifications
April 5, 2026: LEMON Manuals is launched! Read the announcement.

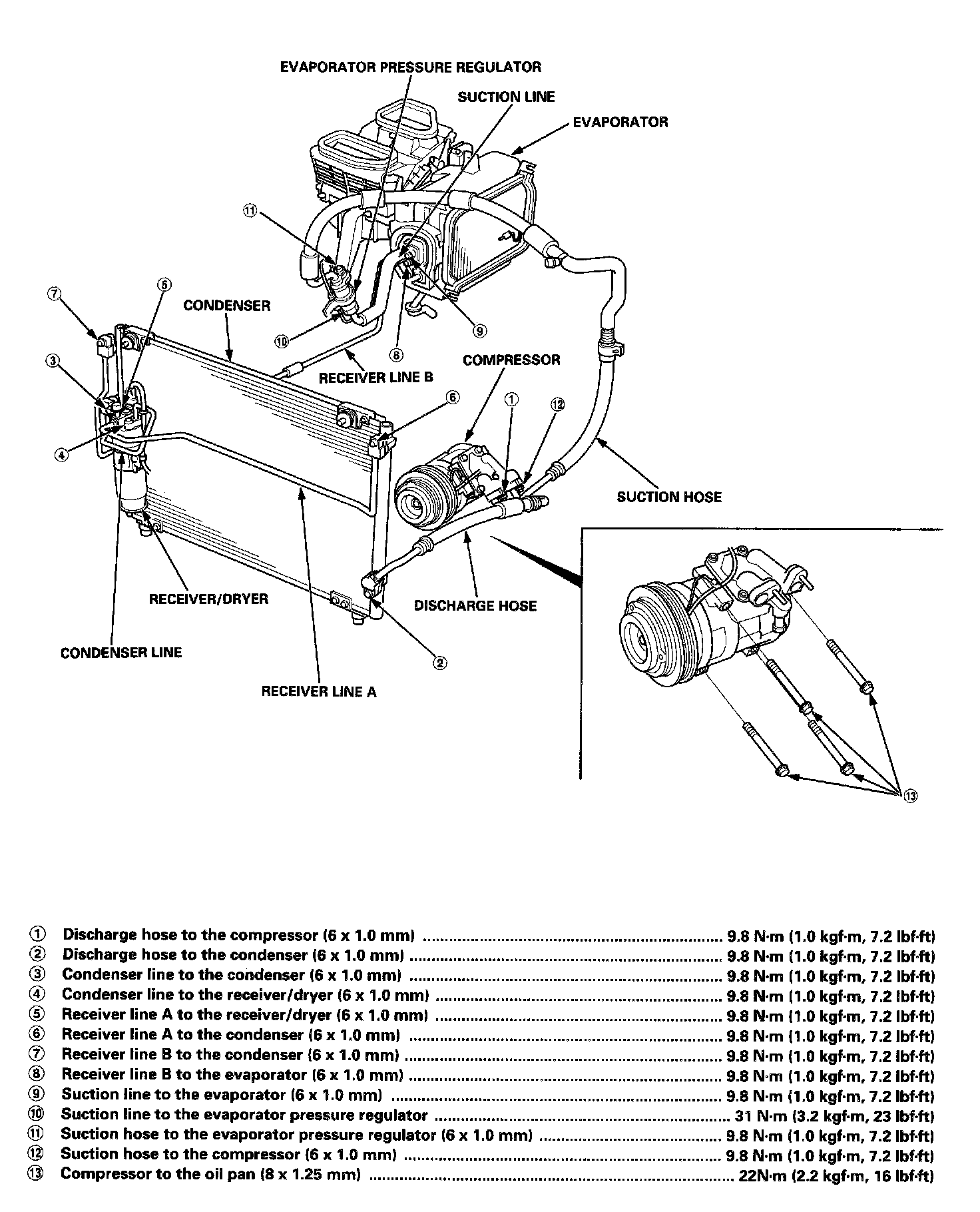
Torque Specifications

A/C System Torque Specifications: