LEMON Manuals: Even more car manuals for everyone: 1960-2025
Home >> Acura >> 2004 >> MDX Base >> Repair and Diagnosis (Single Page) >> Transmission >> Automatic Trans >> Automatic Transmission >> System Description >> Circuit Diagram - PCM A/T Control System - 2003-2004 Models
April 5, 2026: LEMON Manuals is launched! Read the announcement.

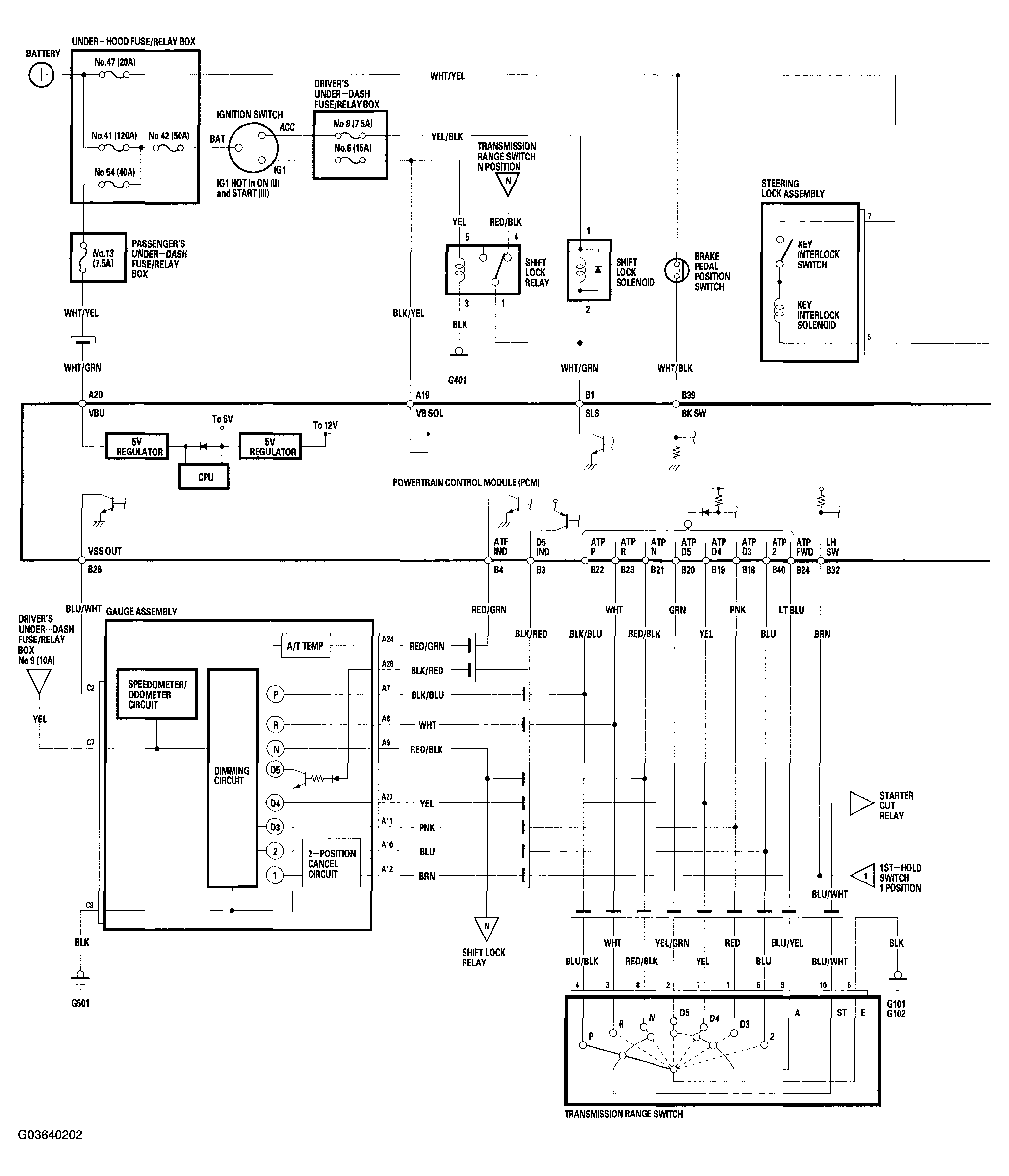
Circuit Diagram - PCM A/T Control System - 2003-2004 Models

Fig 1: Identifying Circuit Diagram - PCM A/T Control System - 2003-2004 Models (1 Of 2)
G03640202Courtesy of AMERICAN HONDA MOTOR CO., INC.
Fig 2: Identifying Circuit Diagram - PCM A/T Control System - 2003-2004 Models (2 Of 2)
G03640203Courtesy of AMERICAN HONDA MOTOR CO., INC.