LEMON Manuals: Even more car manuals for everyone: 1960-2025
Home >> Acura >> 2004 >> MDX Base >> Repair and Diagnosis >> Electrical >> Charging Systems >> Charging System >> Circuit Diagram
April 5, 2026: LEMON Manuals is launched! Read the announcement.

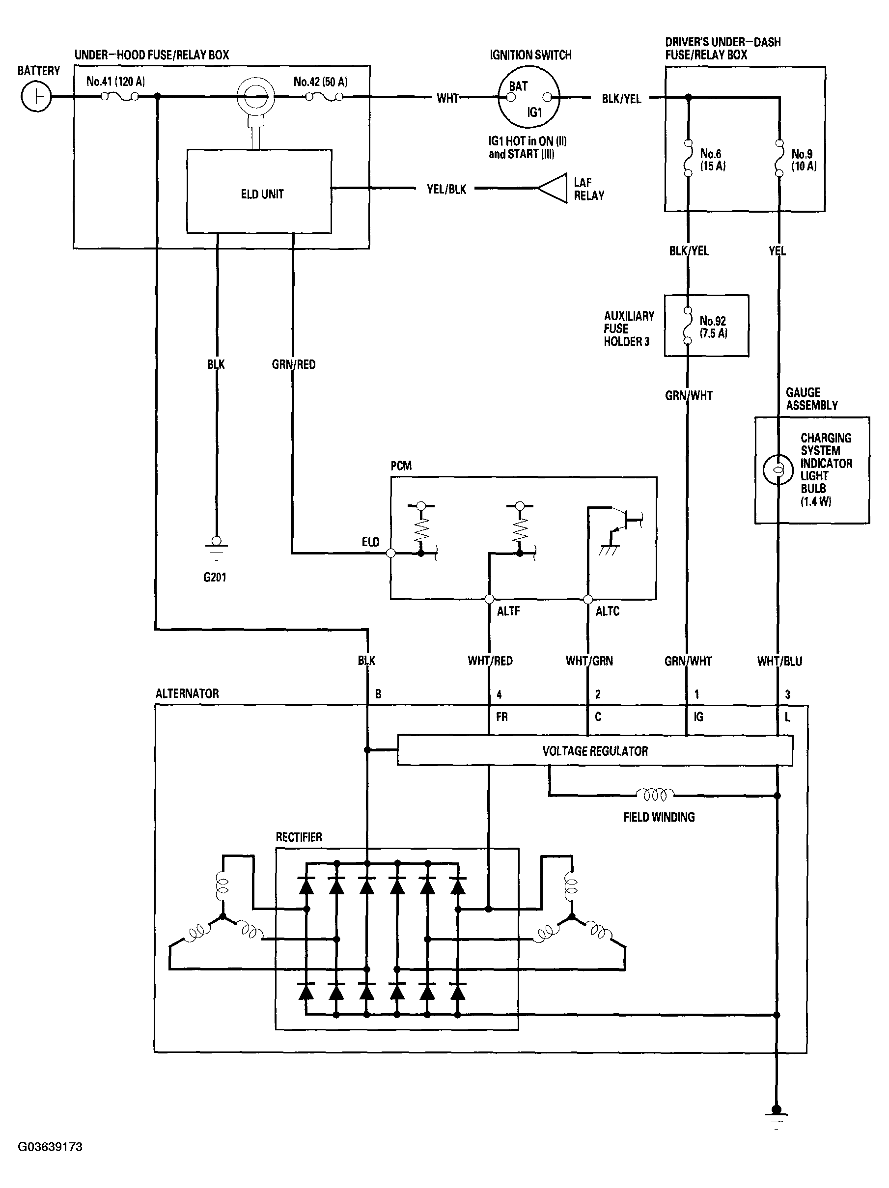
Circuit Diagram

Fig 1: Identifying Charging System Circuit Diagram
G03639173Courtesy of AMERICAN HONDA MOTOR CO., INC.