LEMON Manuals: Even more car manuals for everyone: 1960-2025
Home >> Acura >> 2004 >> MDX Base >> Repair and Diagnosis >> Engine Performance >> Ignition System >> Ignition Coil Removal/Installation
April 5, 2026: LEMON Manuals is launched! Read the announcement.

Ignition Coil Removal/Installation

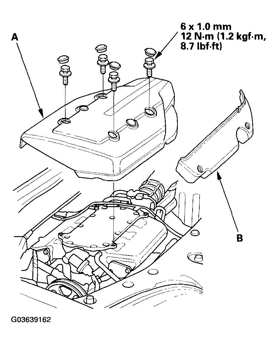
  1. Remove the intake manifold cover (A) and ignition coil cover (B).
    Fig 1: Removing Intake Manifold Cover And Ignition Coil Cover
    G03639162Courtesy of AMERICAN HONDA MOTOR CO., INC.
  2. Disconnect the ignition coil connector (A), then remove the ignition coils (B).
    Fig 2: Disconnecting Ignition Coil Connector
    G03639163Courtesy of AMERICAN HONDA MOTOR CO., INC.
  3. Install the ignition coils in the reverse order of removal.