LEMON Manuals: Even more car manuals for everyone: 1960-2025
Home >> Acura >> 2004 >> MDX Base >> Repair and Diagnosis >> Transmission >> Automatic Trans >> Automatic Transmission >> A/T Interlock System >> Circuit Diagram
April 5, 2026: LEMON Manuals is launched! Read the announcement.

Circuit Diagram

Fig 1: A/T Interlock System Circuit Diagram - 2003-2004 Models
G03640521Courtesy of AMERICAN HONDA MOTOR CO., INC.
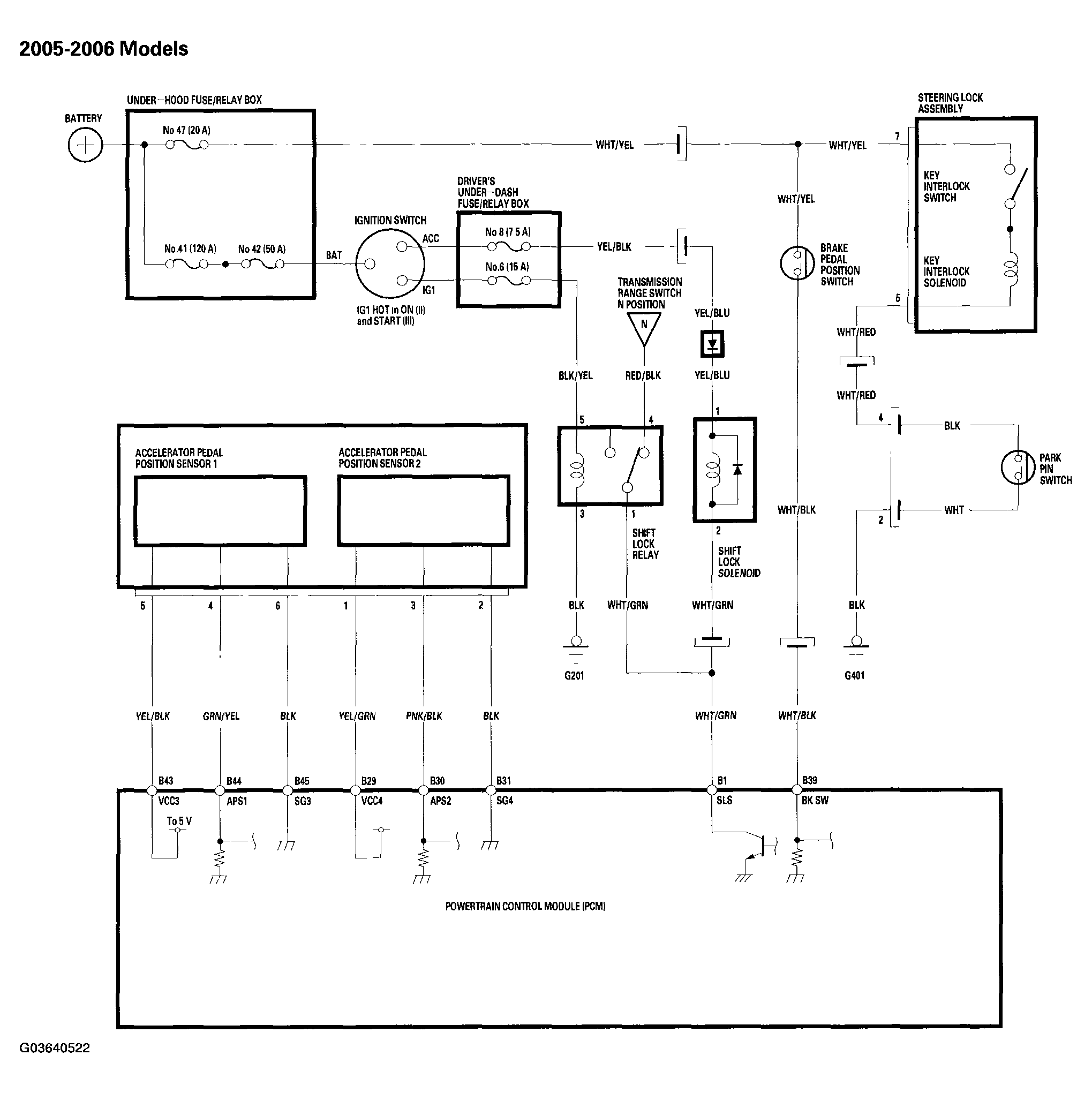
Fig 2: A/T Interlock System Circuit Diagram - 2005-2006 Models
G03640522Courtesy of AMERICAN HONDA MOTOR CO., INC.