LEMON Manuals: Even more car manuals for everyone: 1960-2025
Home >> Acura >> 2004 >> RSX Base, Standard >> Repair and Diagnosis (Single Page) >> Engine Performance >> Fuel Delivery >> Fuel System & Emissions Systems >> System Description >> Electronic Control System >> ECM/PCM Electrical Connections-2002-2004 Models
April 5, 2026: LEMON Manuals is launched! Read the announcement.

ECM/PCM Electrical Connections-2002-2004 Models

Fig 1: ECM/PCM Wiring Diagram (2002-2004 Models) (1 Of 5)
G03650521Courtesy of AMERICAN HONDA MOTOR CO., INC.
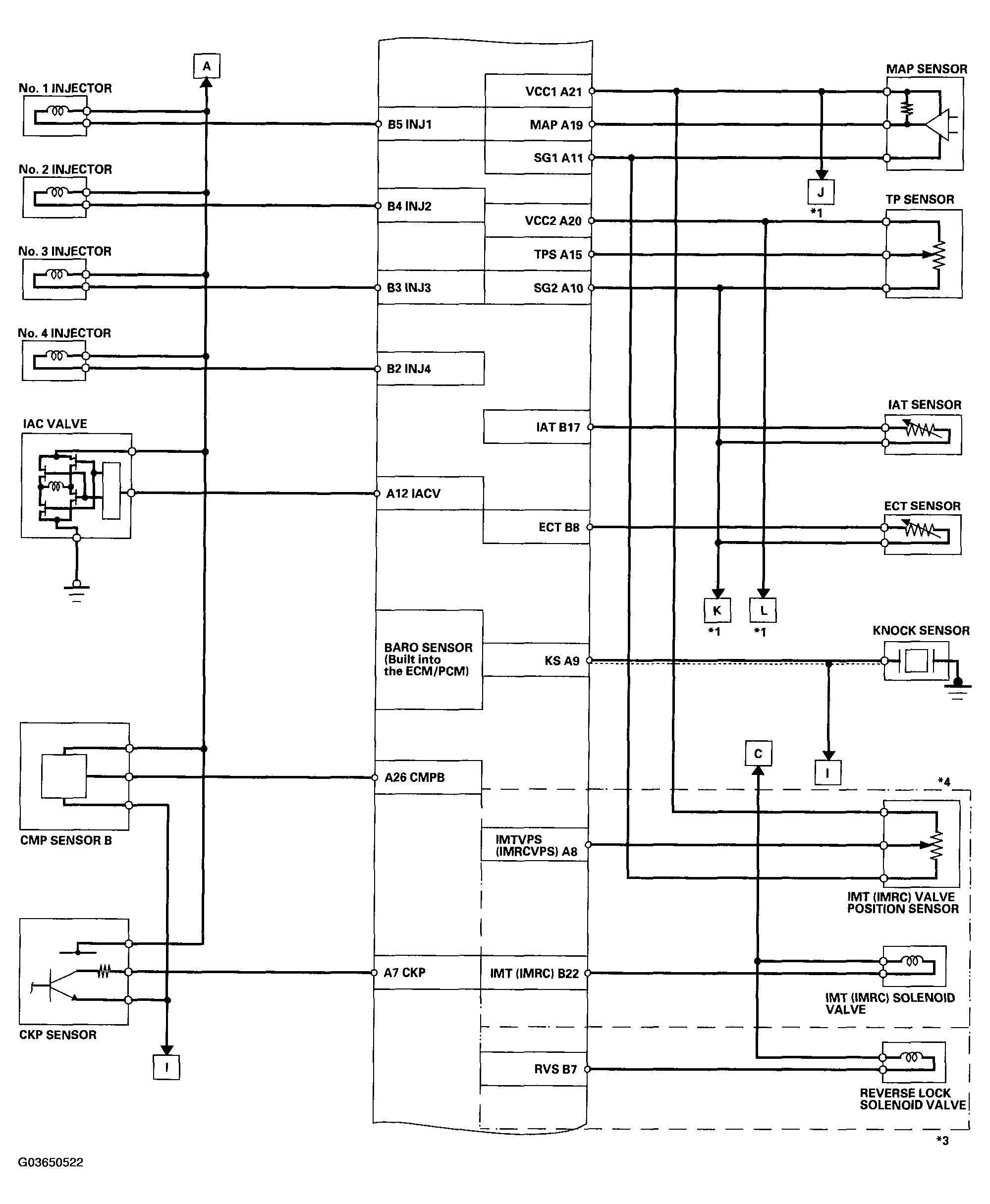
Fig 2: ECM/PCM Wiring Diagram (2002-2004 Models) (2 Of 5)
G03650522Courtesy of AMERICAN HONDA MOTOR CO., INC.
Fig 3: ECM/PCM Wiring Diagram (2002-2004 Models) (3 Of 5)
G03650523Courtesy of AMERICAN HONDA MOTOR CO., INC.
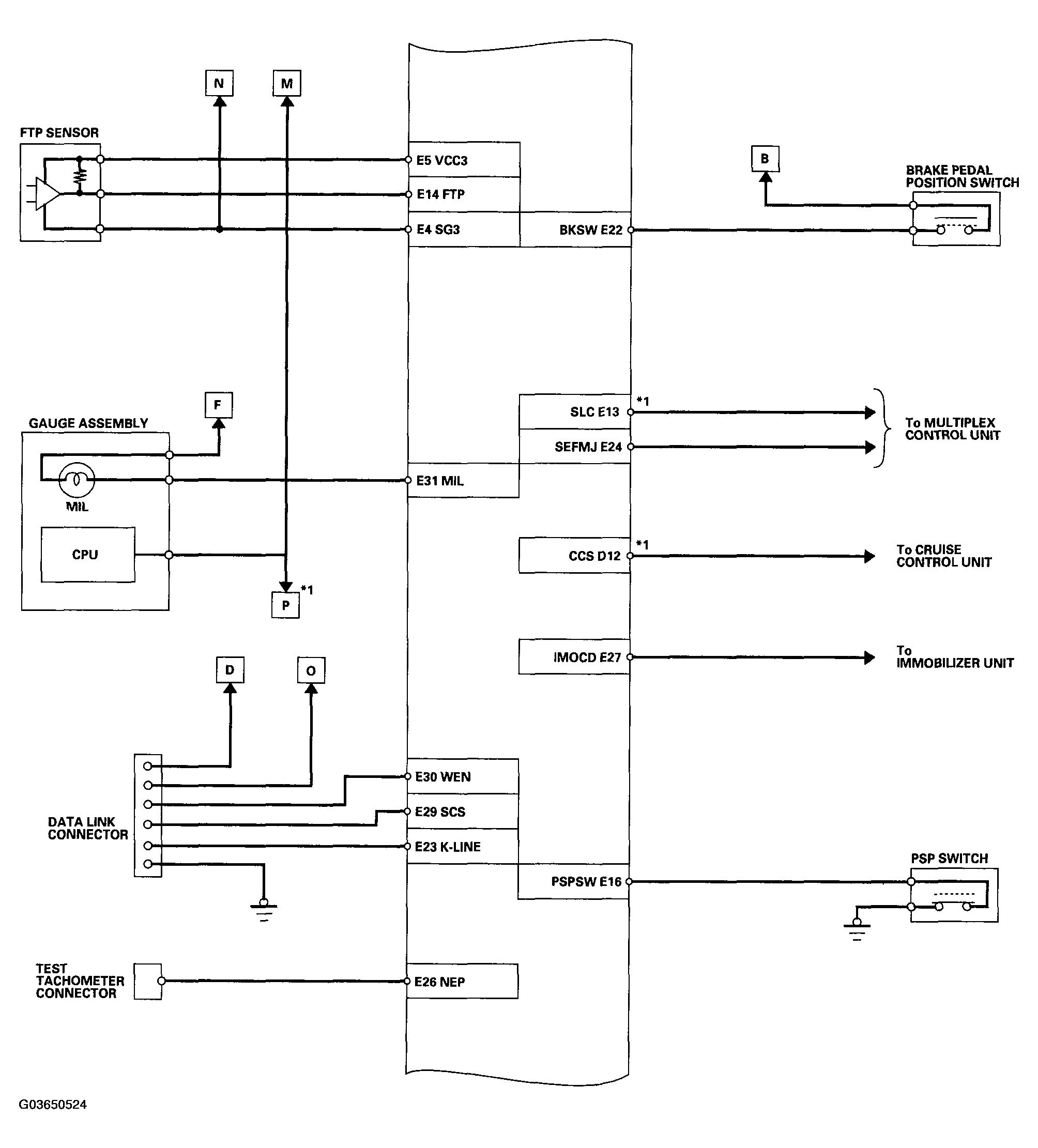
Fig 4: ECM/PCM Wiring Diagram (2002-2004 Models) (4 Of 5)
G03650524Courtesy of AMERICAN HONDA MOTOR CO., INC.
Fig 5: ECM/PCM Wiring Diagram (2002-2004 Models) (5 Of 5)
G03650525Courtesy of AMERICAN HONDA MOTOR CO., INC.