LEMON Manuals: Even more car manuals for everyone: 1960-2025
Home >> Acura >> 2004 >> TL Automatic >> Repair and Diagnosis (Single Page) >> Transmission >> Automatic Trans >> Automatic Transmission >> System Description >> Shift Lock/Reverse Lock Mechanism >> Circuit Diagram - PCM A/T Control System - 2006 Model
April 5, 2026: LEMON Manuals is launched! Read the announcement.

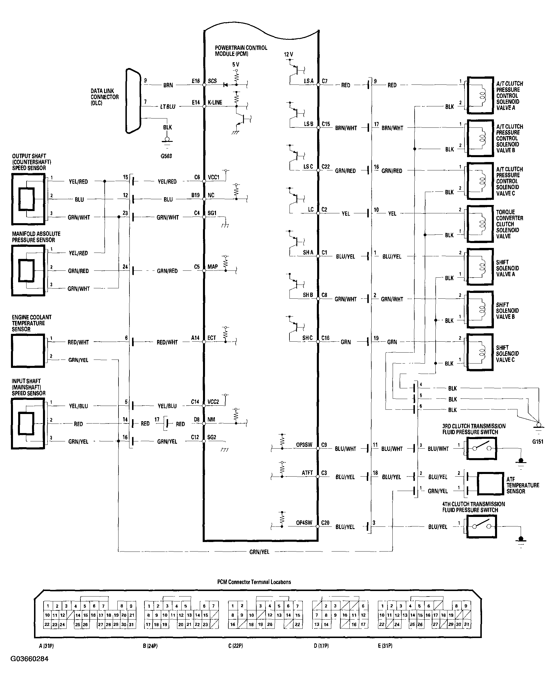
Circuit Diagram - PCM A/T Control System - 2006 Model

Fig 1: Circuit Diagram - PCM A/T Control System - 2006 Model (1 Of 2)
G03660283Courtesy of AMERICAN HONDA MOTOR CO., INC.
Fig 2: Circuit Diagram - PCM A/T Control System - 2006 Model (2 Of 2)
G03660284Courtesy of AMERICAN HONDA MOTOR CO., INC.