LEMON Manuals: Even more car manuals for everyone: 1960-2025
Home >> Acura >> 2004 >> TL Standard >> Repair and Diagnosis >> Engine Performance >> System >> PGM-FI System >> CKP Sensor Replacement
April 5, 2026: LEMON Manuals is launched! Read the announcement.

CKP Sensor Replacement

  1. Remove the crankshaft pulley (see CRANKSHAFT PULLEY REMOVAL AND INSTALLATION ).
  2. Remove the drive belt auto-tensioner (see DRIVE BELT AUTO-TENSIONER REPLACEMENT ).
  3. Remove the upper cover (see step 10 on TIMING BELT REMOVAL ) and lower (see step 11 on TIMING BELT REMOVAL ) front covers from the engine.
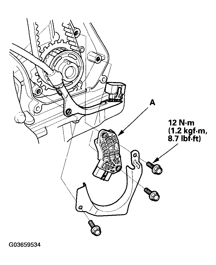
  4. Remove the CKP sensor (A) from the oil pump.
    Fig 1: Removing CKP Sensor From Oil Pump
    G03659534Courtesy of AMERICAN HONDA MOTOR CO., INC.
  5. Install the sensor in the reverse order of removal.
  6. Do the CKP pattern clear/pattern learn procedure (see CRANK (CKP) PATTERN CLEAR/CRANK (CKP) PATTERN LEARN ).