LEMON Manuals: Even more car manuals for everyone: 1960-2025
Home >> Acura >> 2004 >> TL V6-3.2L >> Repair and Diagnosis >> Powertrain Management >> Diagrams >> Electrical Diagrams >> Control Module Circuit Diagrams >> ECM/PCM Circuit Diagrams
April 5, 2026: LEMON Manuals is launched! Read the announcement.

ECM/PCM Circuit Diagrams

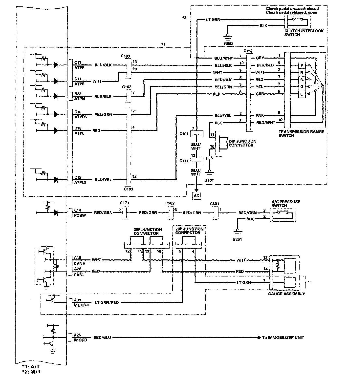
ECM/PCM Circuit Diagram Image 11-40:




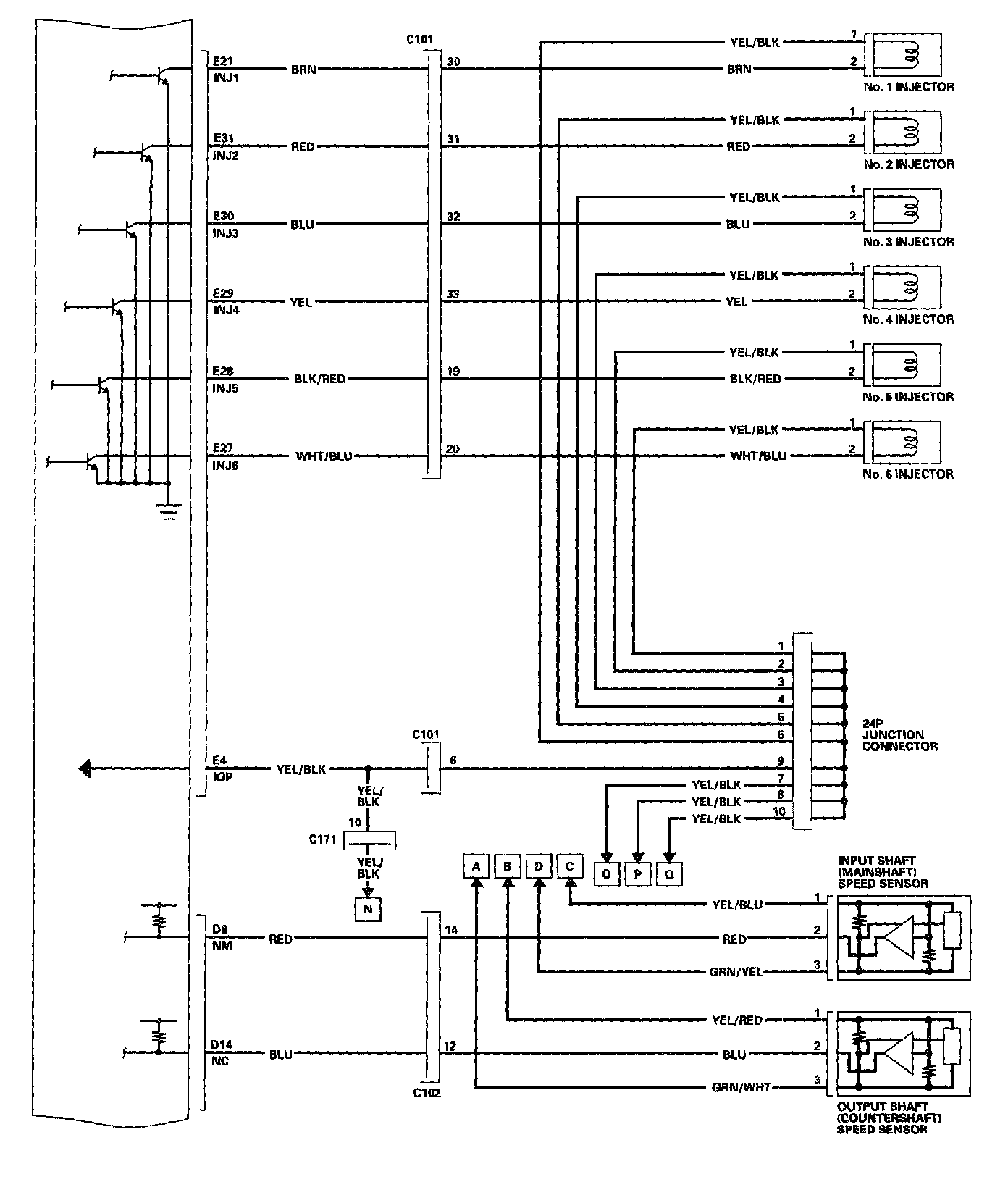
ECM/PCM Circuit Diagram Image 11-41:




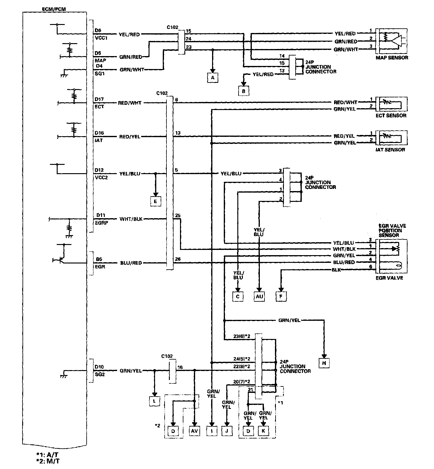
ECM/PCM Circuit Diagram Image 11-42:




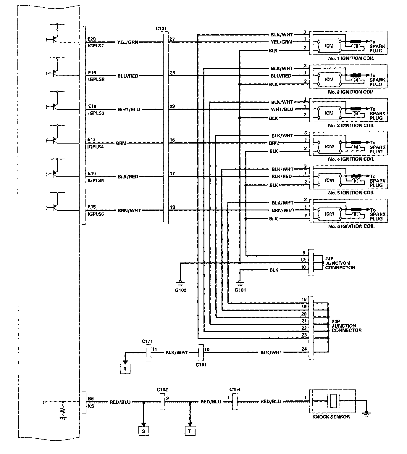
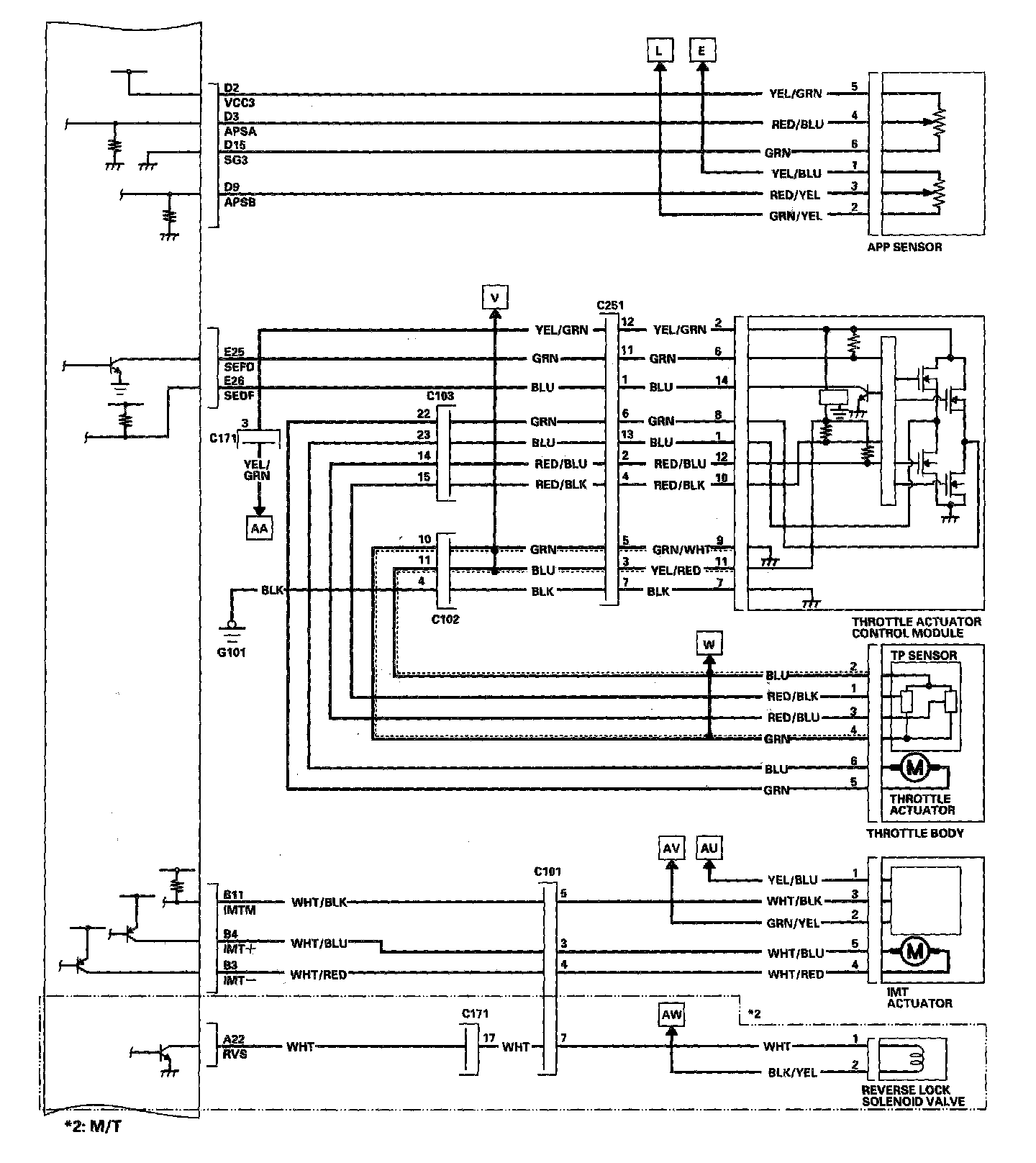
ECM/PCM Circuit Diagram Image 11-43:




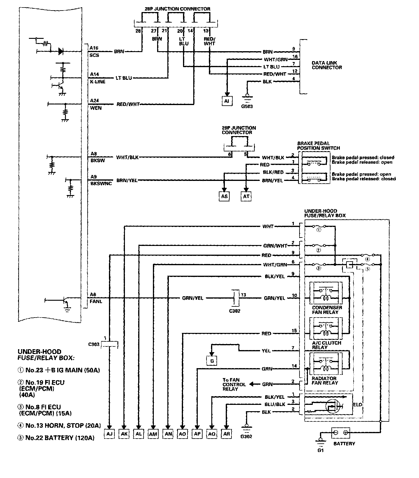
ECM/PCM Circuit Diagram Image 11-44:




ECM/PCM Circuit Diagram Image 11-45:




ECM/PCM Circuit Diagram Image 11-46:




ECM/PCM Circuit Diagram Image 11-47:




ECM/PCM Circuit Diagram Image 11-48:




ECM/PCM Circuit Diagram Image 11-49:




ECM/PCM Circuit Diagram Image 11-50: