LEMON Manuals: Even more car manuals for everyone: 1960-2025
Home >> Acura >> 2004 >> TSX Automatic >> Repair and Diagnosis (Single Page) >> Transmission >> Automatic Trans >> Automatic Transmission >> System Description >> Circuit Diagram - PCM A/T Control System '04-05 Models
April 5, 2026: LEMON Manuals is launched! Read the announcement.

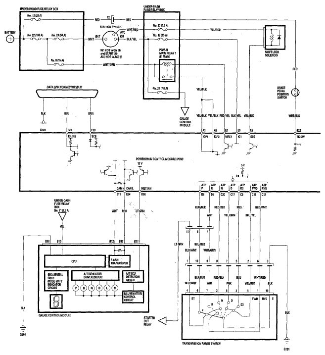
Circuit Diagram - PCM A/T Control System '04-05 Models

Fig 1: PCM A/T Control System Circuit Diagram '04-05 Models (1 Of 2)
G05491205Courtesy of AMERICAN HONDA MOTOR CO., INC.
Fig 2: PCM A/T Control System Circuit Diagram '04-05 Models (2 Of 2)
G05491206Courtesy of AMERICAN HONDA MOTOR CO., INC.