LEMON Manuals: Even more car manuals for everyone: 1960-2025
Home >> Acura >> 2004 >> TSX Automatic >> Repair and Diagnosis >> Accessories & Equipment >> Seats >> Driver Position Memory System (DPMS) >> Circuit Diagram
April 5, 2026: LEMON Manuals is launched! Read the announcement.

Circuit Diagram

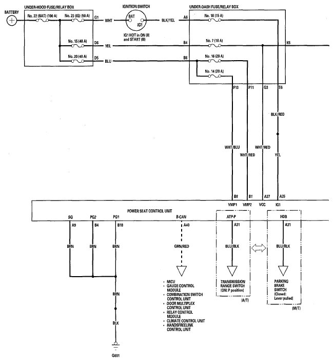
Fig 1: Driving Position Memory System Circuit Diagram (1 Of 3)
G05489094Courtesy of AMERICAN HONDA MOTOR CO., INC.
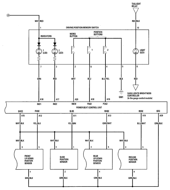
Fig 2: Driving Position Memory System Circuit Diagram (2 Of 3)
G05489095Courtesy of AMERICAN HONDA MOTOR CO., INC.
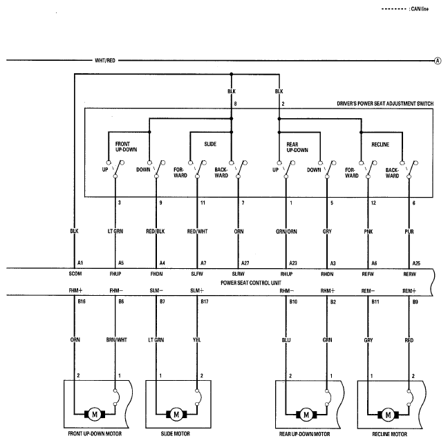
Fig 3: Driving Position Memory System Circuit Diagram (3 Of 3)
G05489096Courtesy of AMERICAN HONDA MOTOR CO., INC.