LEMON Manuals: Even more car manuals for everyone: 1960-2025
Home >> Acura >> 2004 >> TSX L4-2.4L >> Repair and Diagnosis >> Powertrain Management >> Diagrams >> Electrical Diagrams >> Control Module Circuit Diagrams >> ECM/PCM Circuit Diagrams
April 5, 2026: LEMON Manuals is launched! Read the announcement.

ECM/PCM Circuit Diagrams

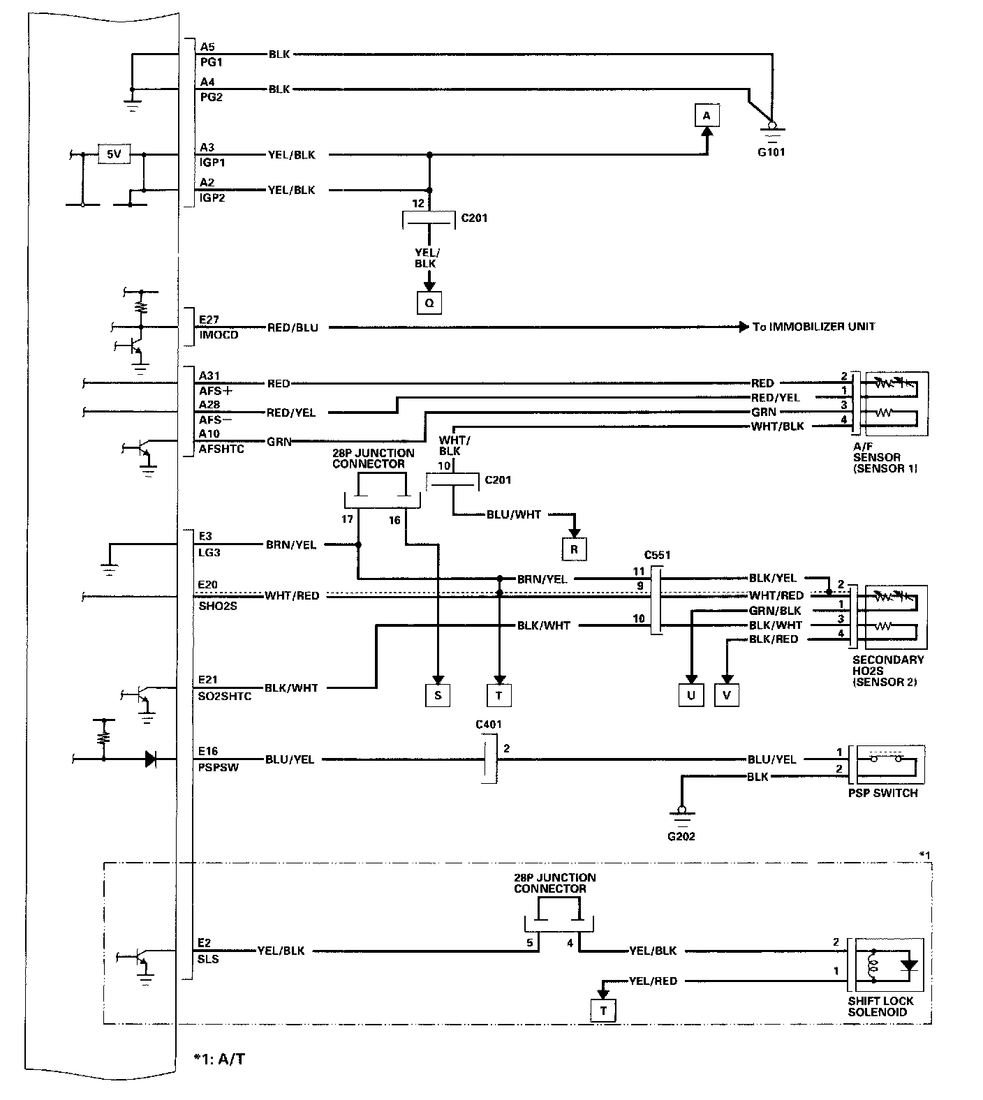
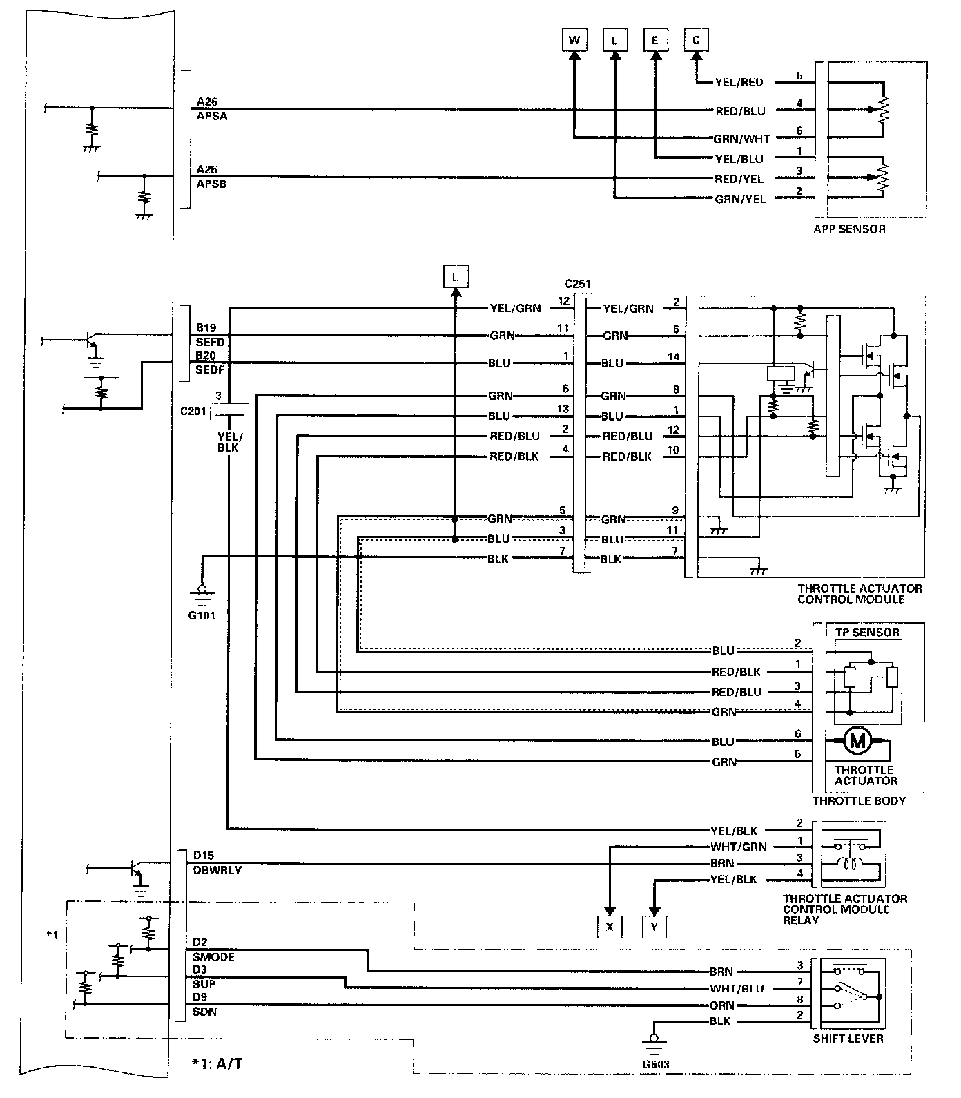
ECM/PCM Circuit Diagram 11-40:




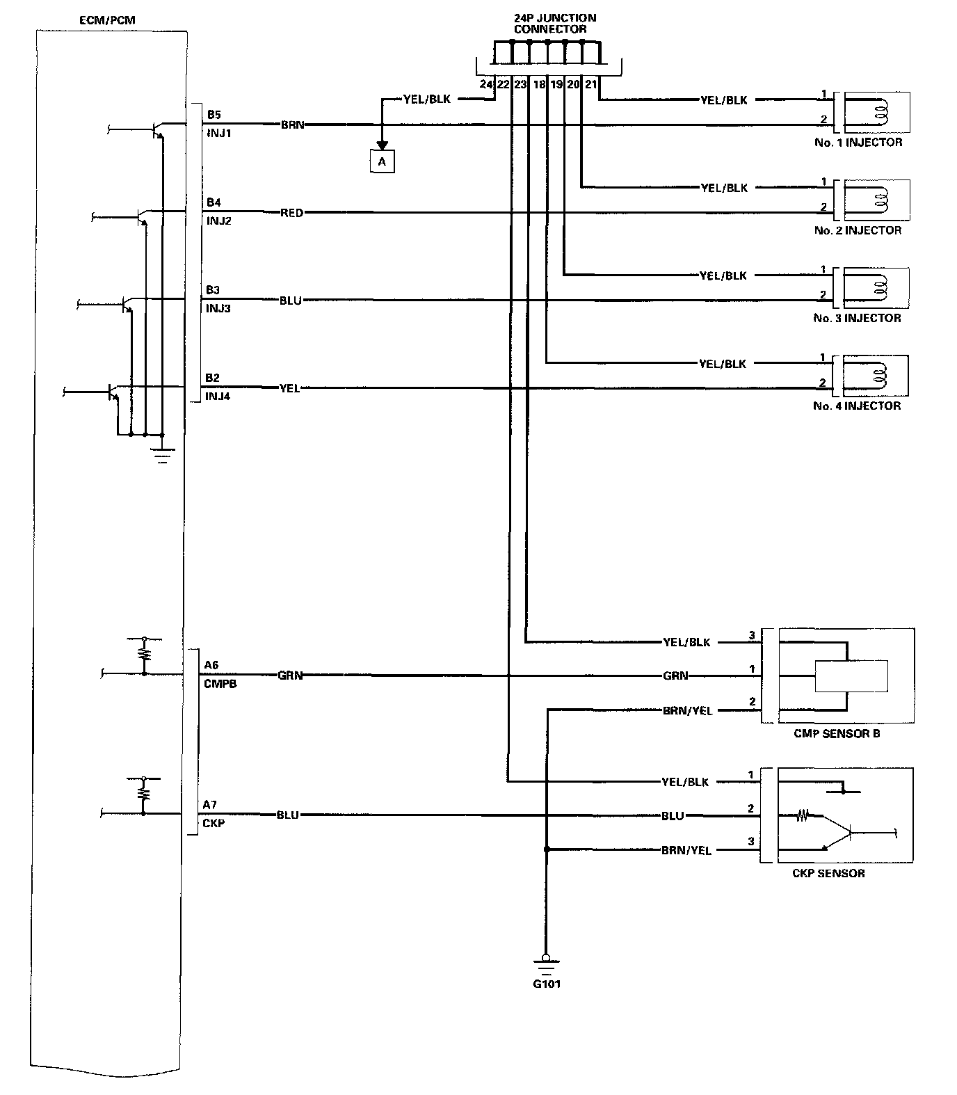
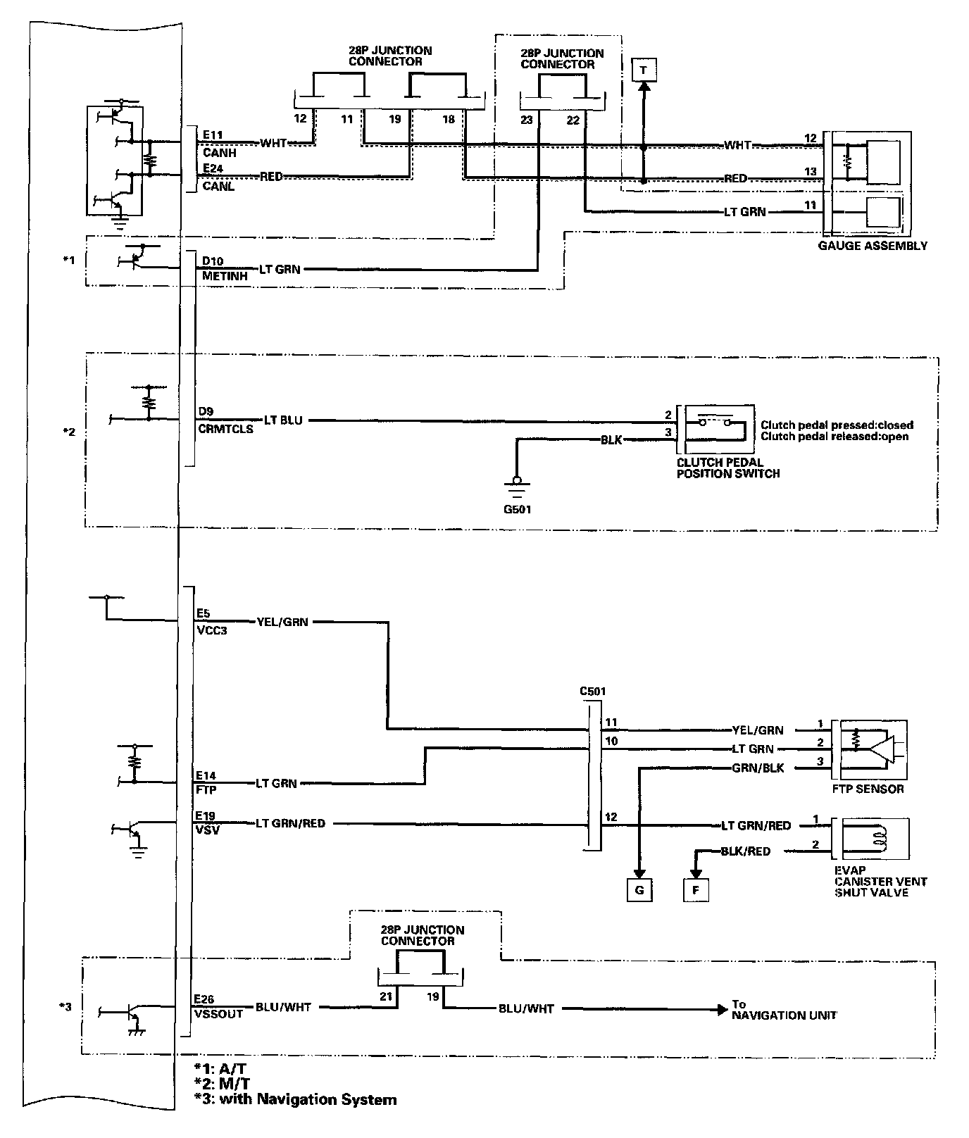
ECM/PCM Circuit Diagram 11-41:




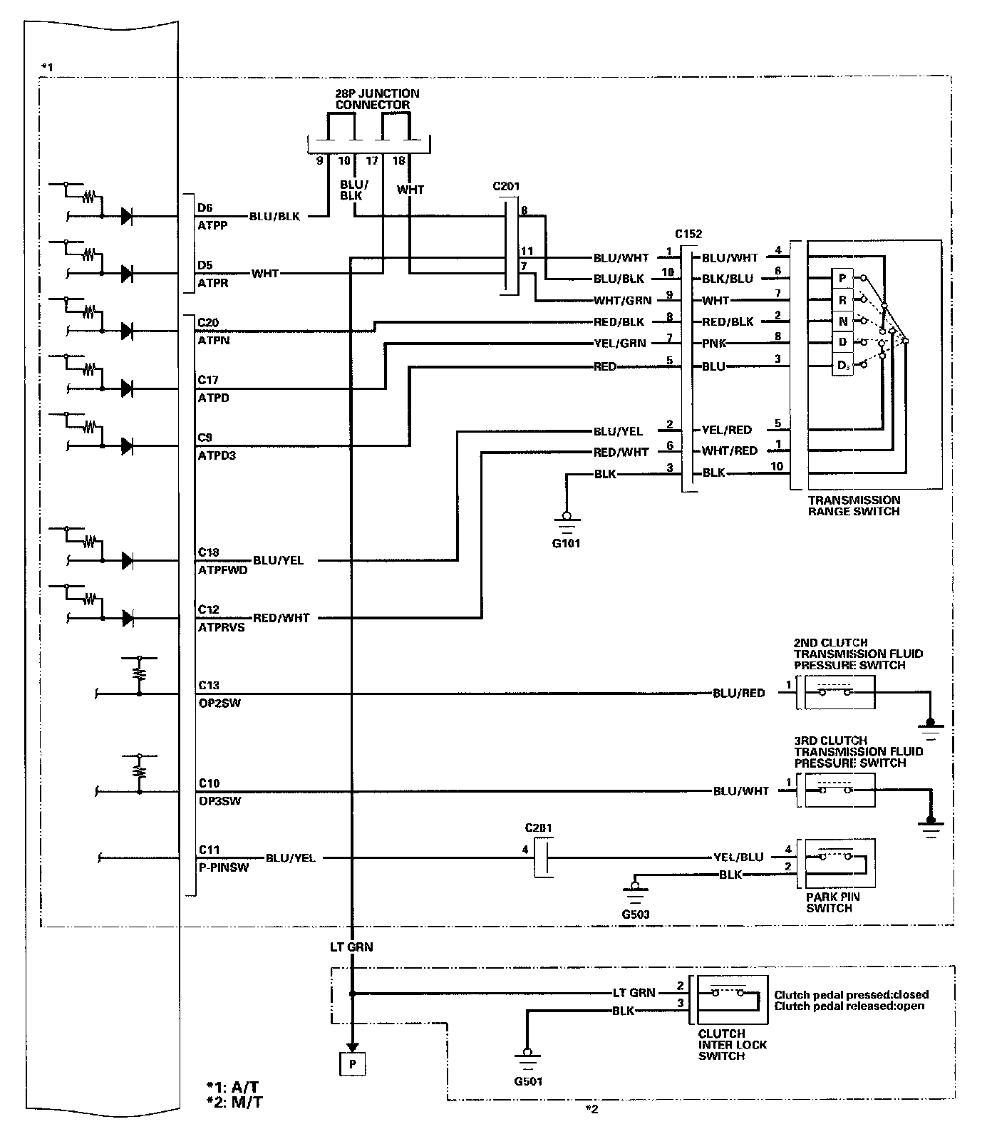
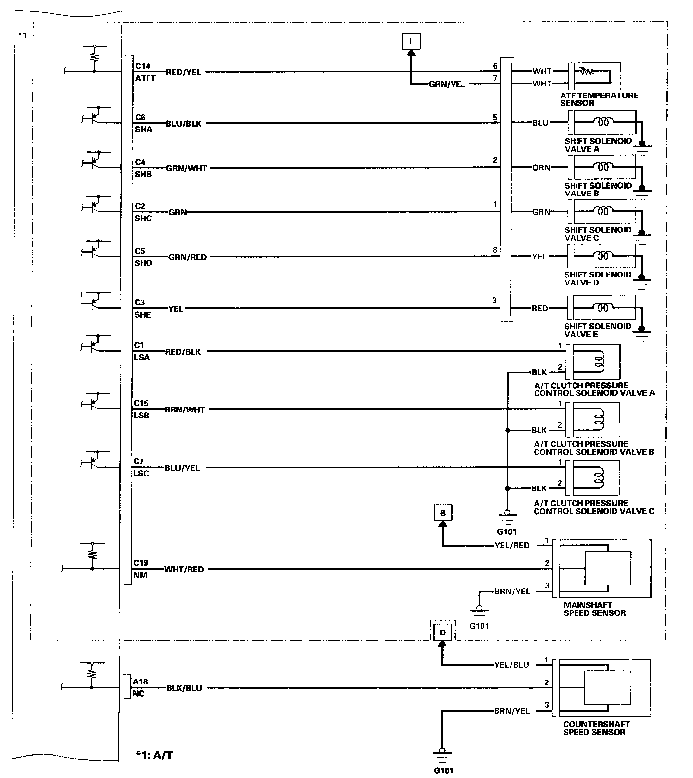
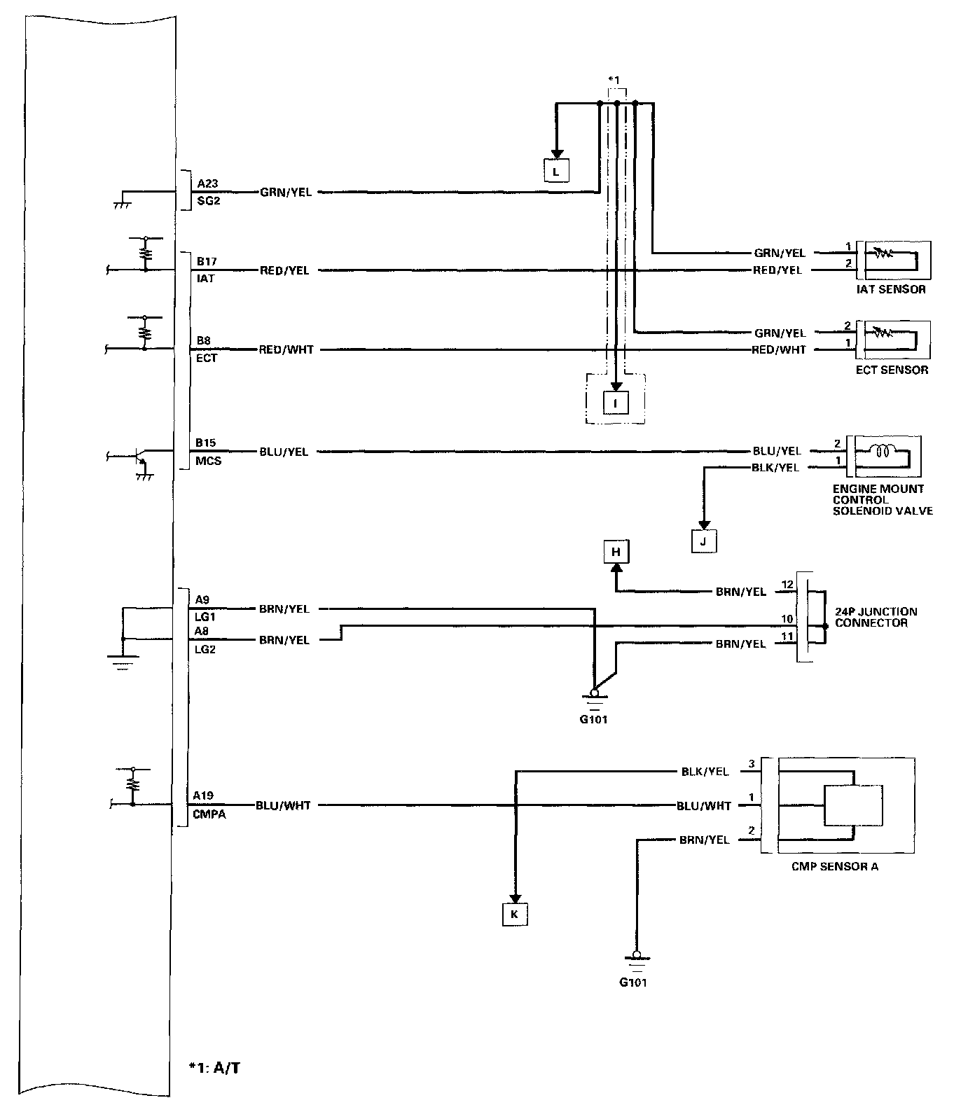
ECM/PCM Circuit Diagram 11-42:




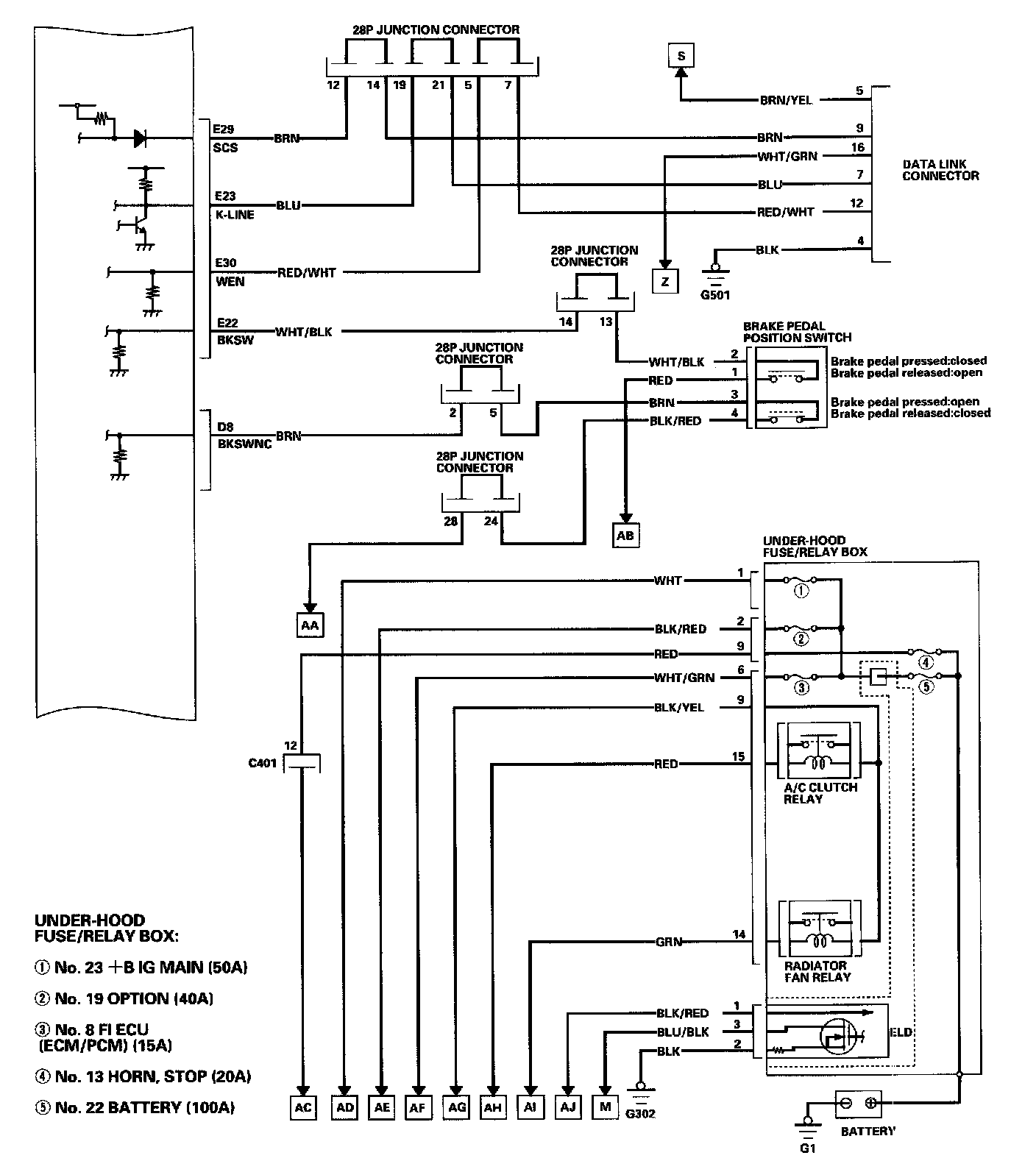
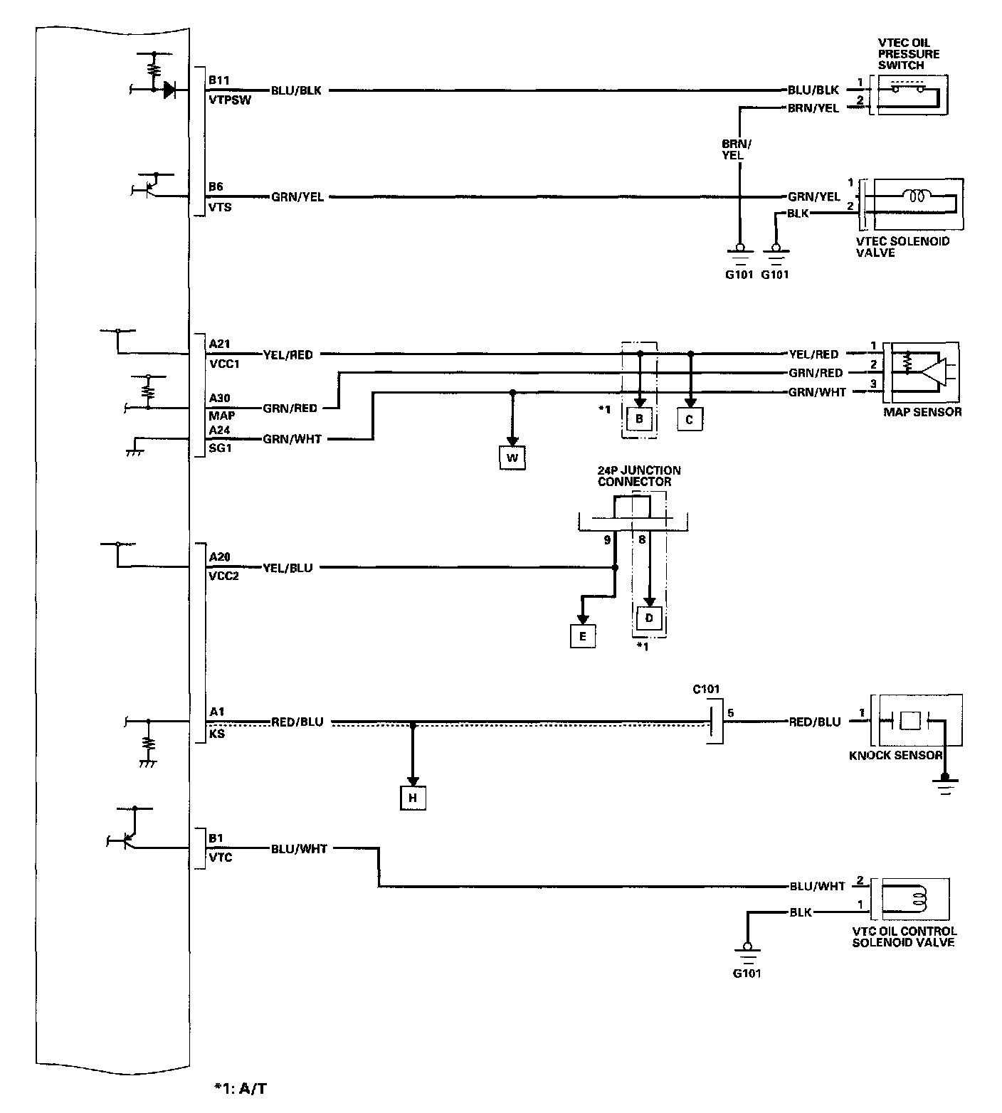
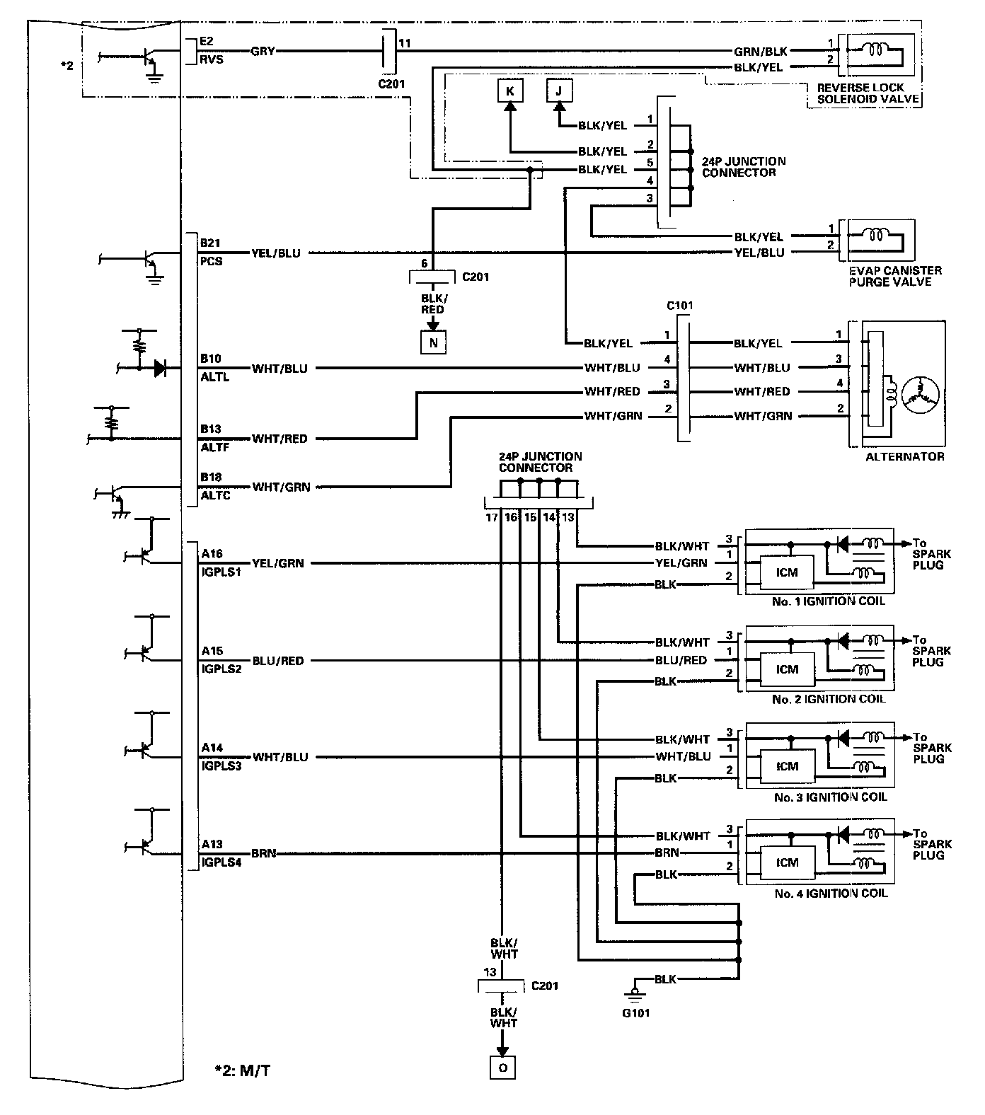
ECM/PCM Circuit Diagram 11-43:




ECM/PCM Circuit Diagram 11-44:




ECM/PCM Circuit Diagram 11-45:




ECM/PCM Circuit Diagram 11-46:




ECM/PCM Circuit Diagram 11-47:




ECM/PCM Circuit Diagram 11-48:




ECM/PCM Circuit Diagram 11-49:




ECM/PCM Circuit Diagram 11-50: