LEMON Manuals: Even more car manuals for everyone: 1960-2025
Home >> Acura >> 2004 >> TSX Standard >> Repair and Diagnosis >> External Pages >> Different car >> Section 1 (Navigation System) >> Circuit Diagram >> Notes
April 5, 2026: LEMON Manuals is launched! Read the announcement.

Circuit Diagram: Notes

WARNING: This page is about a different car, the 2008 Acura TSX, 2007 Acura TSX, and 2006 Acura TSX. However, it is still accessible from the selected car via links, so may be relevant.
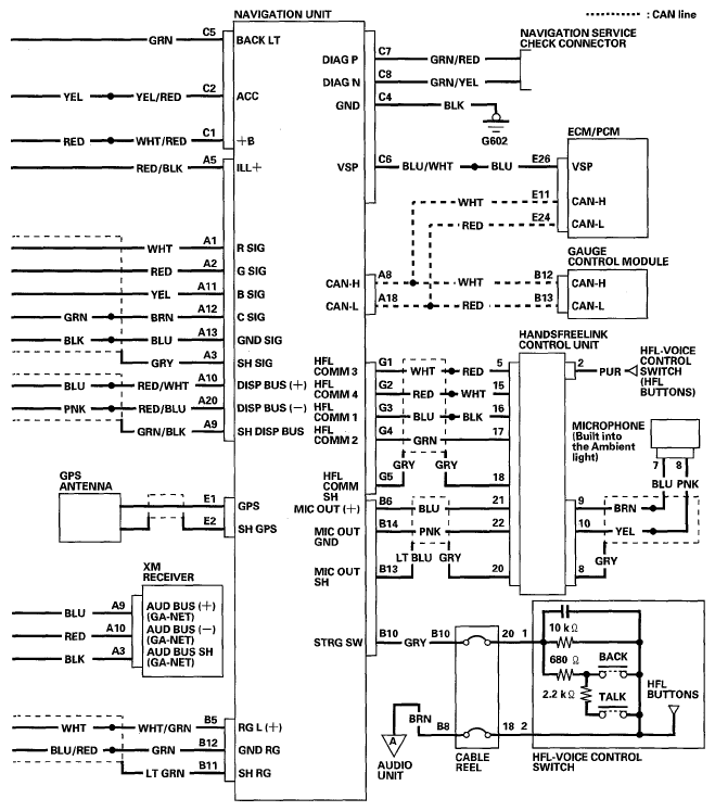
Fig 1: Navigation System - Circuit Diagram (1 Of 2)
G05489405Courtesy of AMERICAN HONDA MOTOR CO., INC.
Fig 2: Navigation System - Circuit Diagram (2 Of 2)
G05489406Courtesy of AMERICAN HONDA MOTOR CO., INC.