LEMON Manuals: Even more car manuals for everyone: 1960-2025
Home >> Acura >> 2005 >> MDX Base >> Repair and Diagnosis >> Body & Frame >> Windows >> Power Windows >> Circuit Diagram
April 5, 2026: LEMON Manuals is launched! Read the announcement.

Circuit Diagram

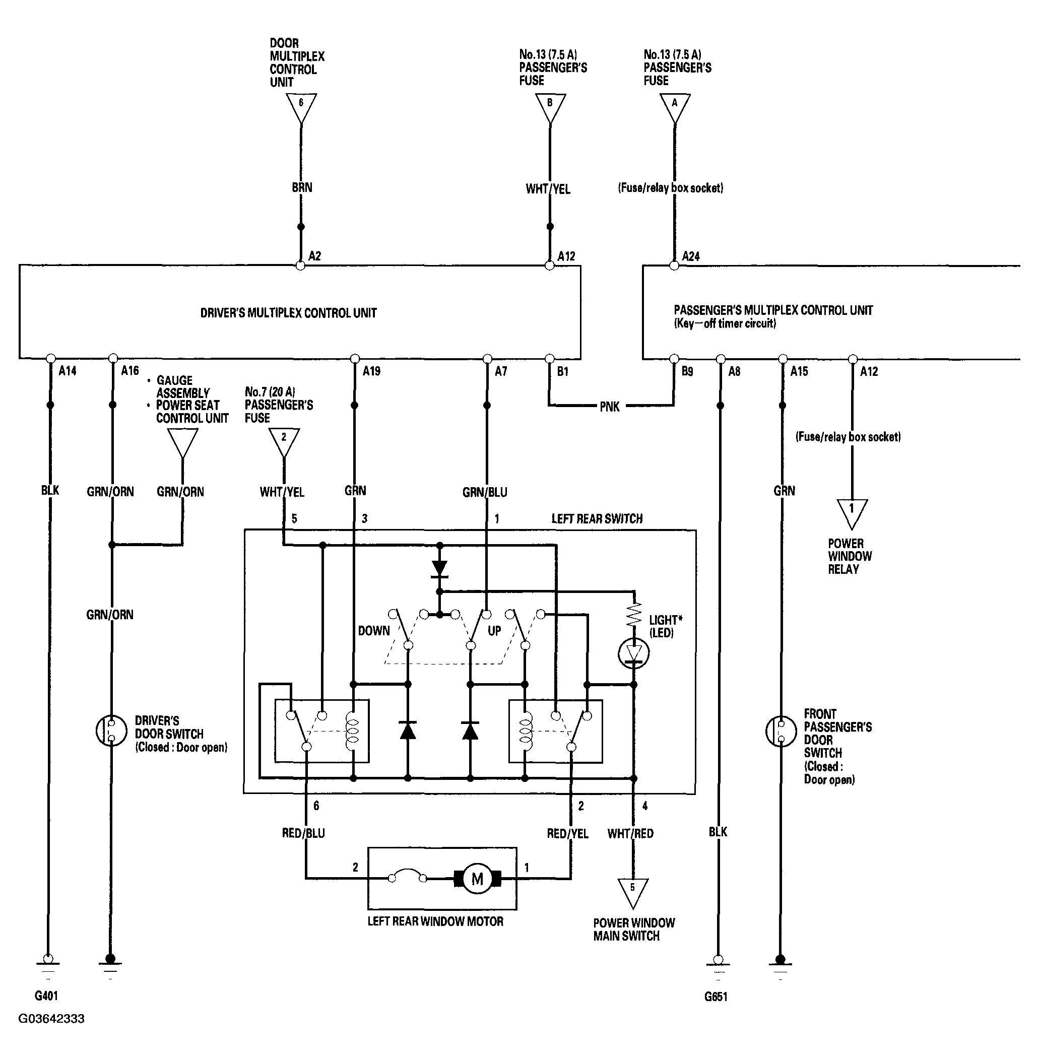
Fig 1: Power Windows Circuit Diagram (1 Of 4)
G03642331Courtesy of AMERICAN HONDA MOTOR CO., INC.
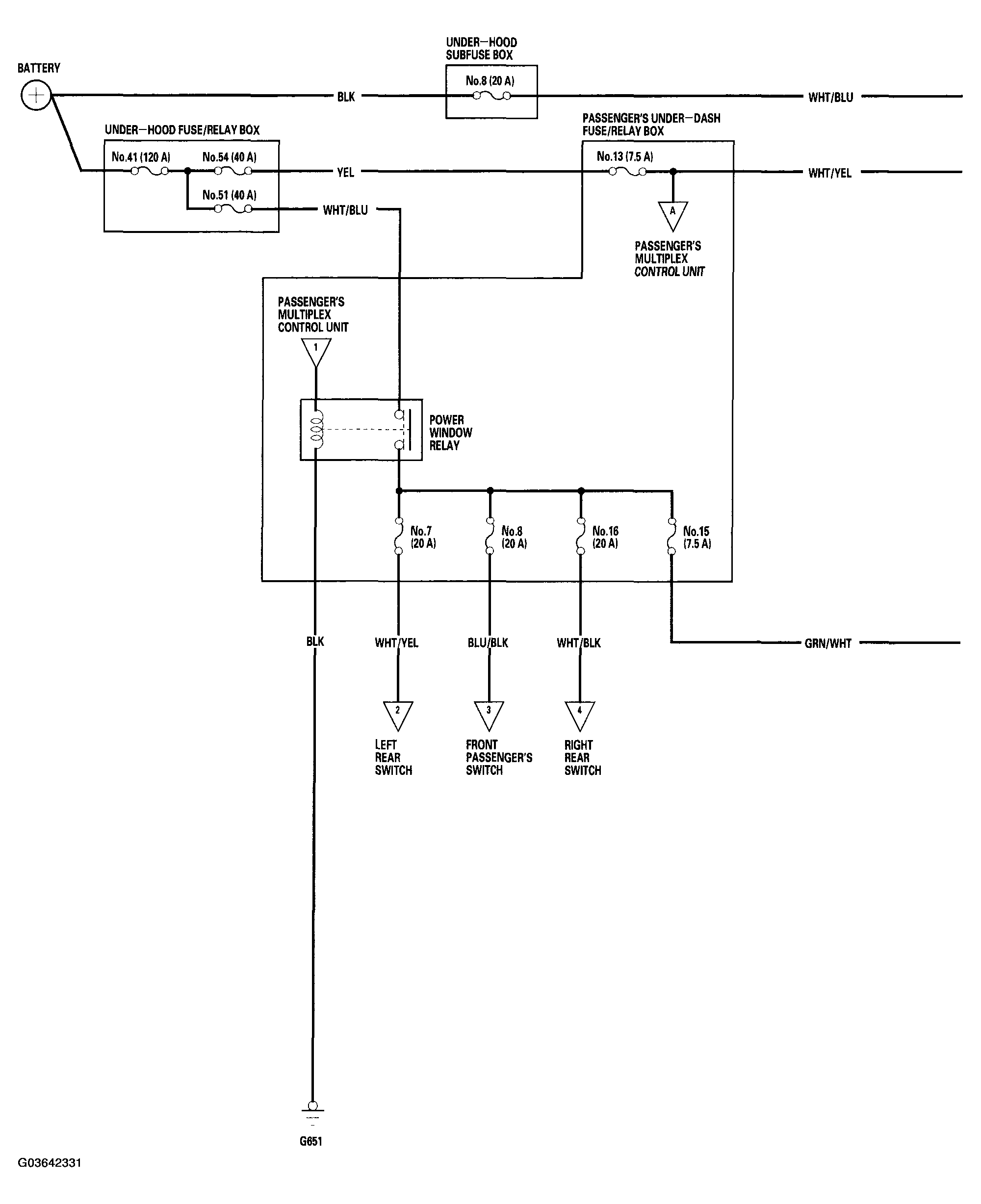
Fig 2: Power Windows Circuit Diagram (2 Of 4)
G03642332Courtesy of AMERICAN HONDA MOTOR CO., INC.
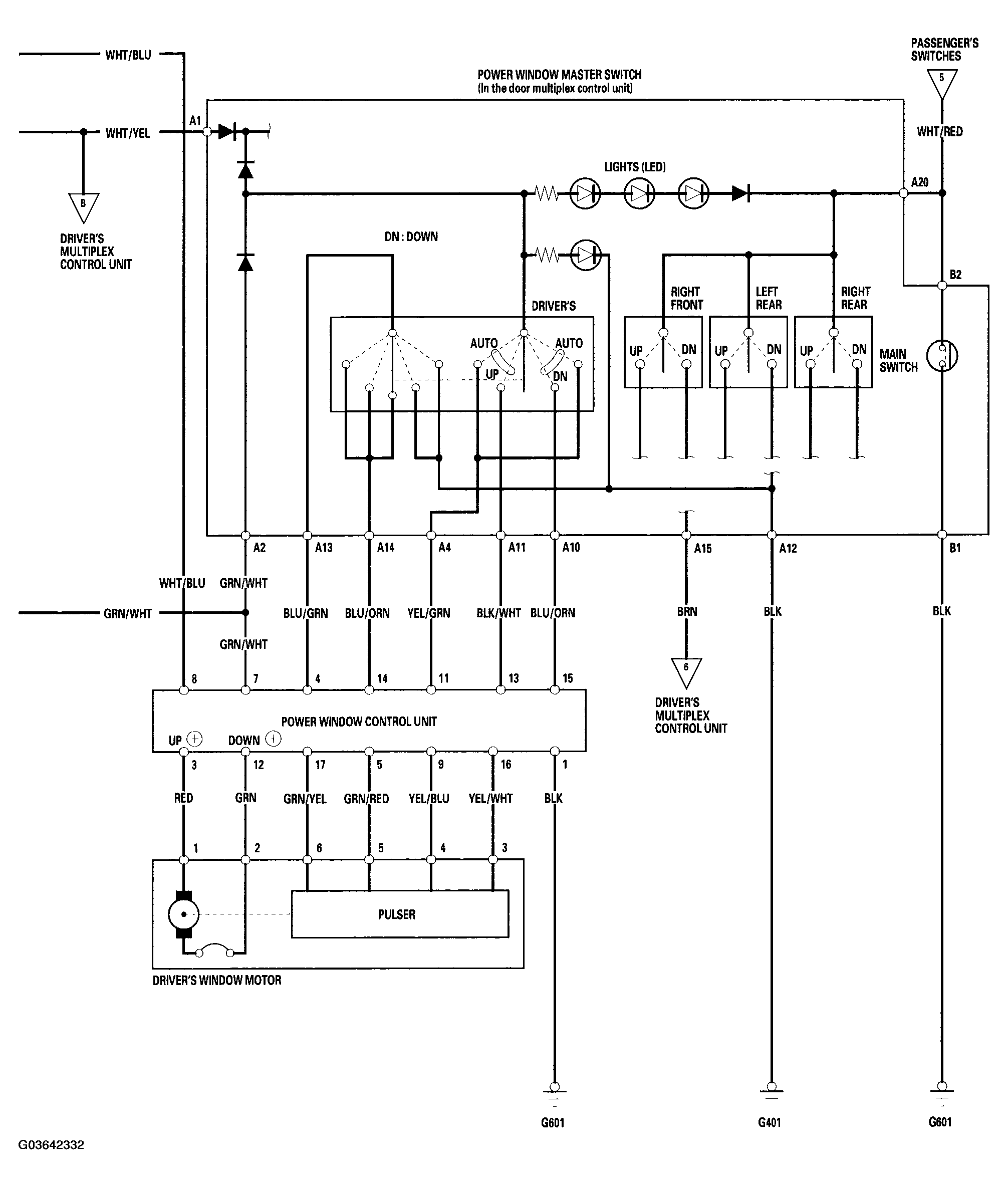
Fig 3: Power Windows Circuit Diagram (3 Of 4)
G03642333Courtesy of AMERICAN HONDA MOTOR CO., INC.
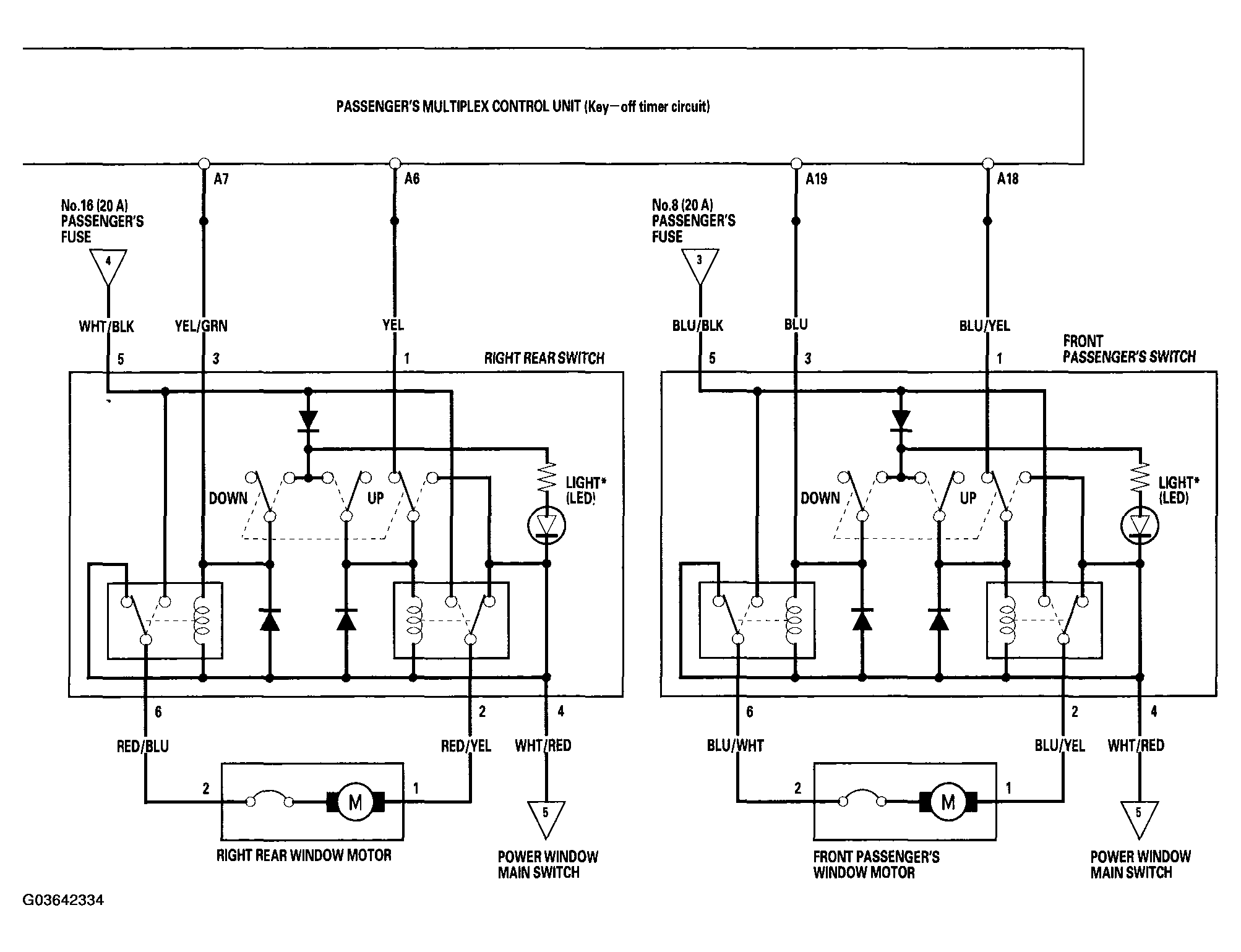
Fig 4: Power Windows Circuit Diagram (4 Of 4)
G03642334Courtesy of AMERICAN HONDA MOTOR CO., INC.