LEMON Manuals: Even more car manuals for everyone: 1960-2025
Home >> Acura >> 2005 >> RL V6-3.5L >> Repair and Diagnosis >> Diagrams >> Electrical Diagrams >> Powertrain Management >> System Diagram >> Control Module Circuit Diagrams >> PCM Circuit Diagrams
April 5, 2026: LEMON Manuals is launched! Read the announcement.

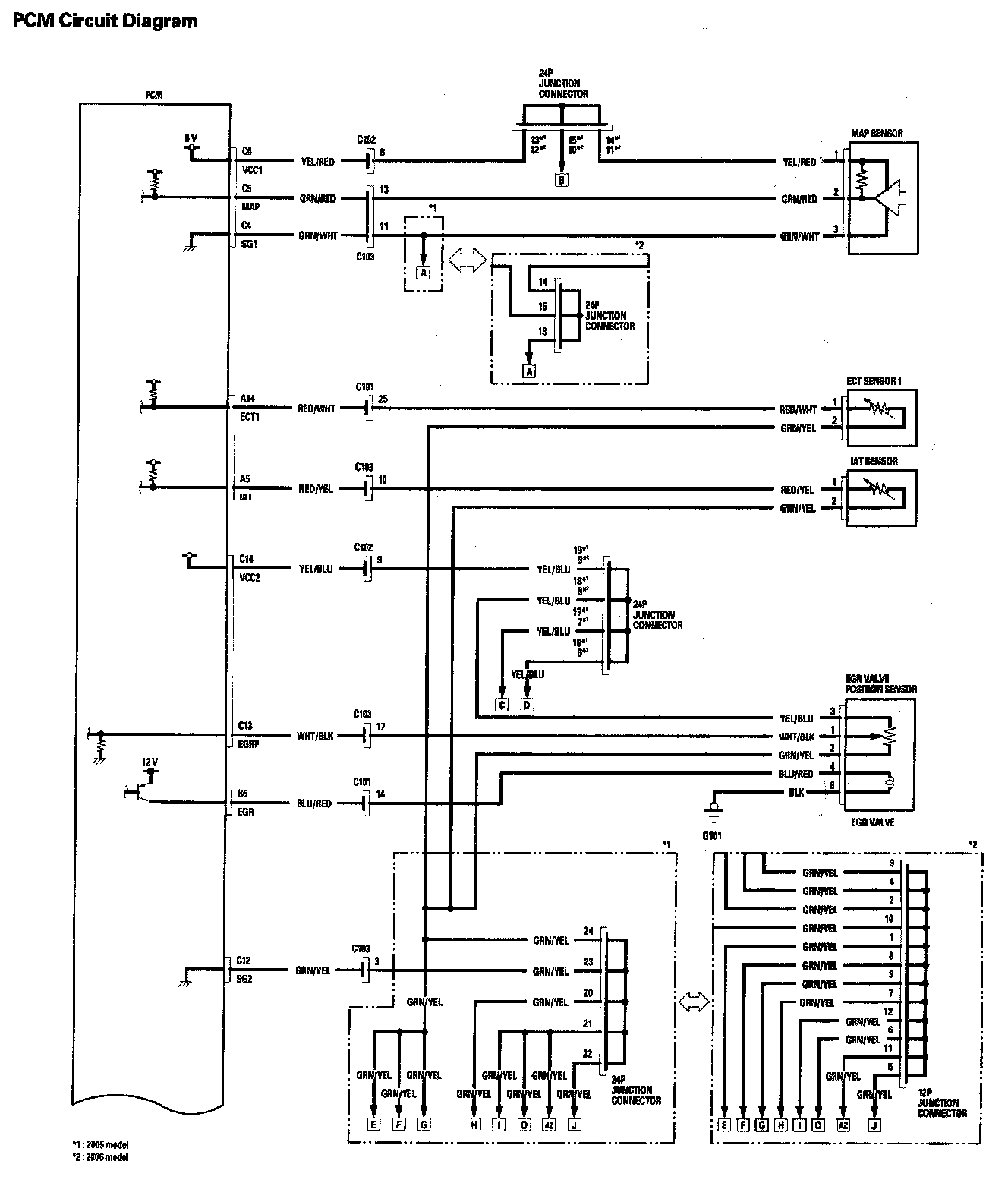
PCM Circuit Diagrams

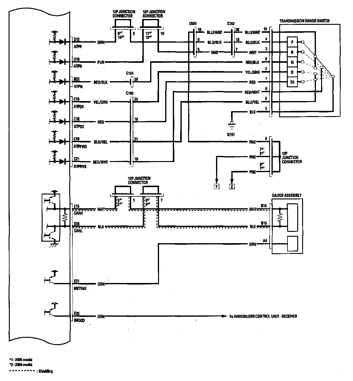
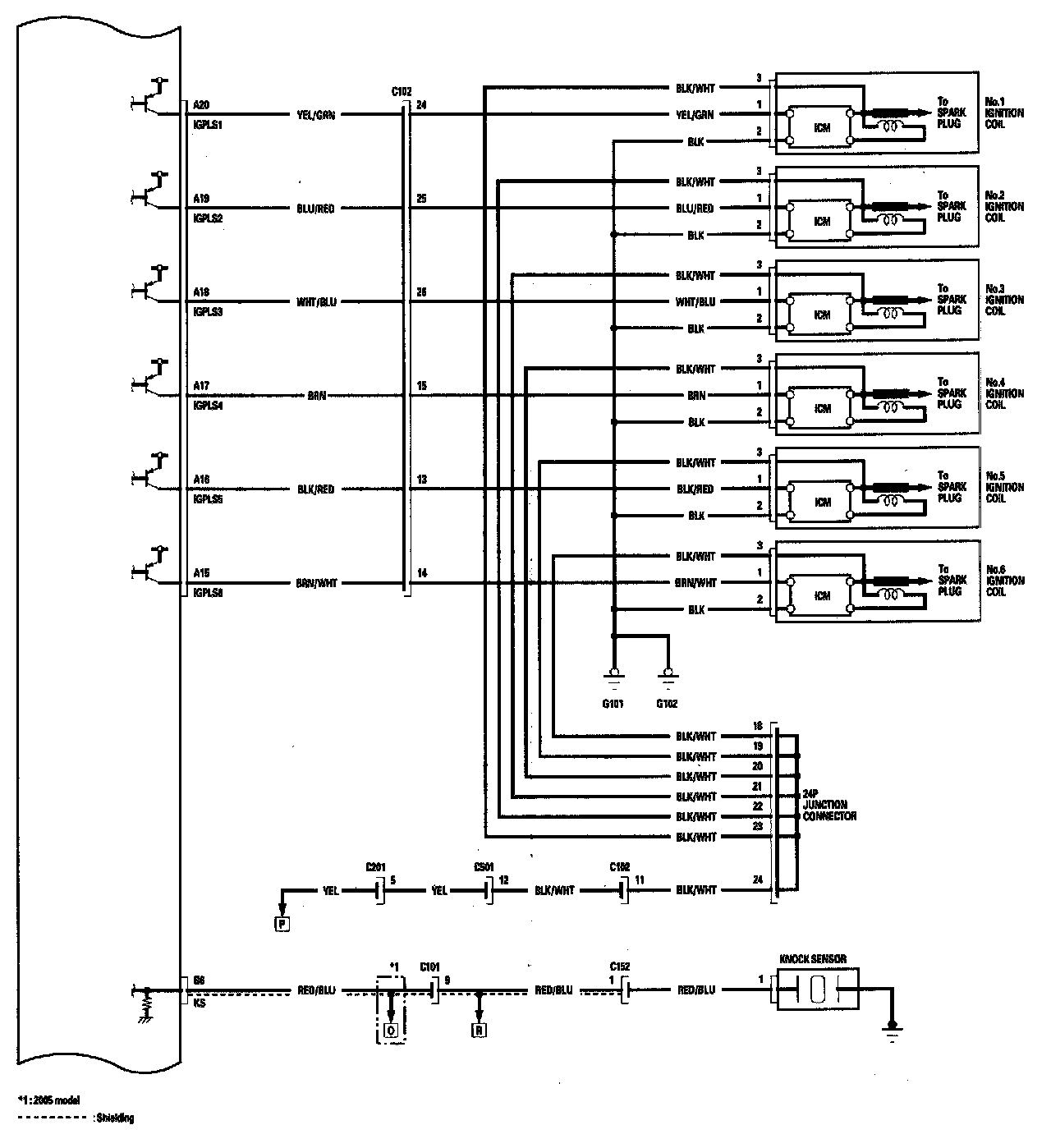
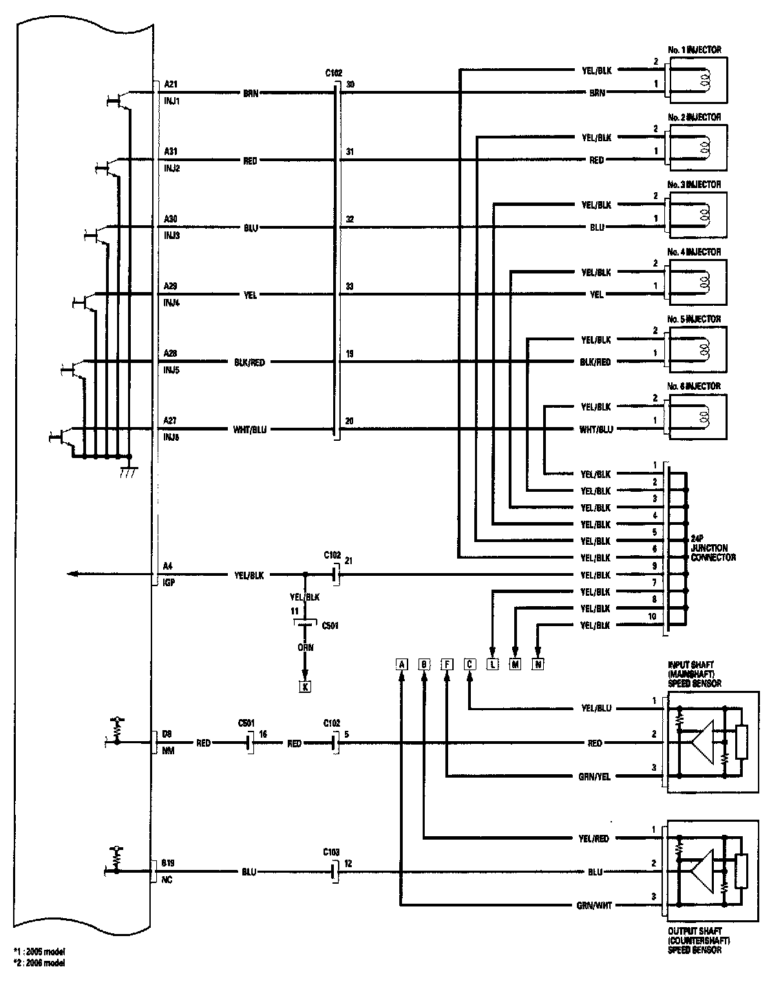
PCM Circuit Diagram 11-44:



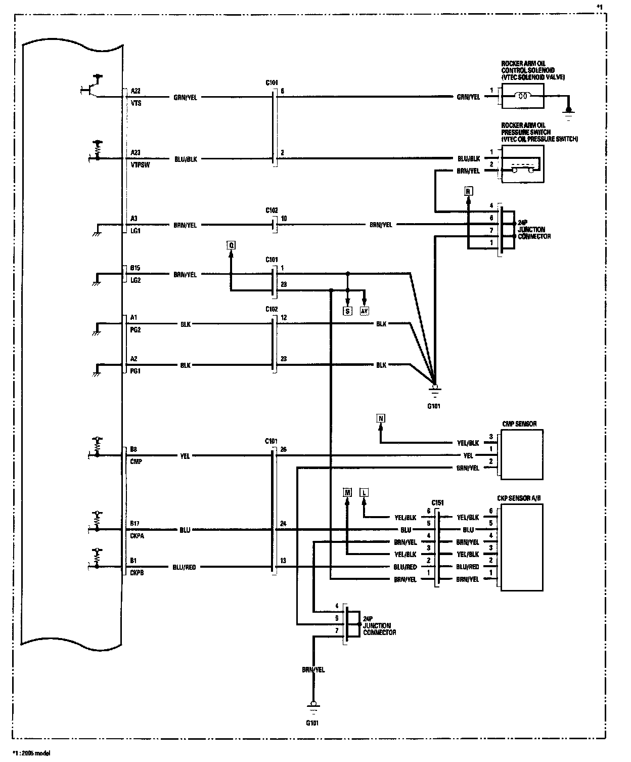
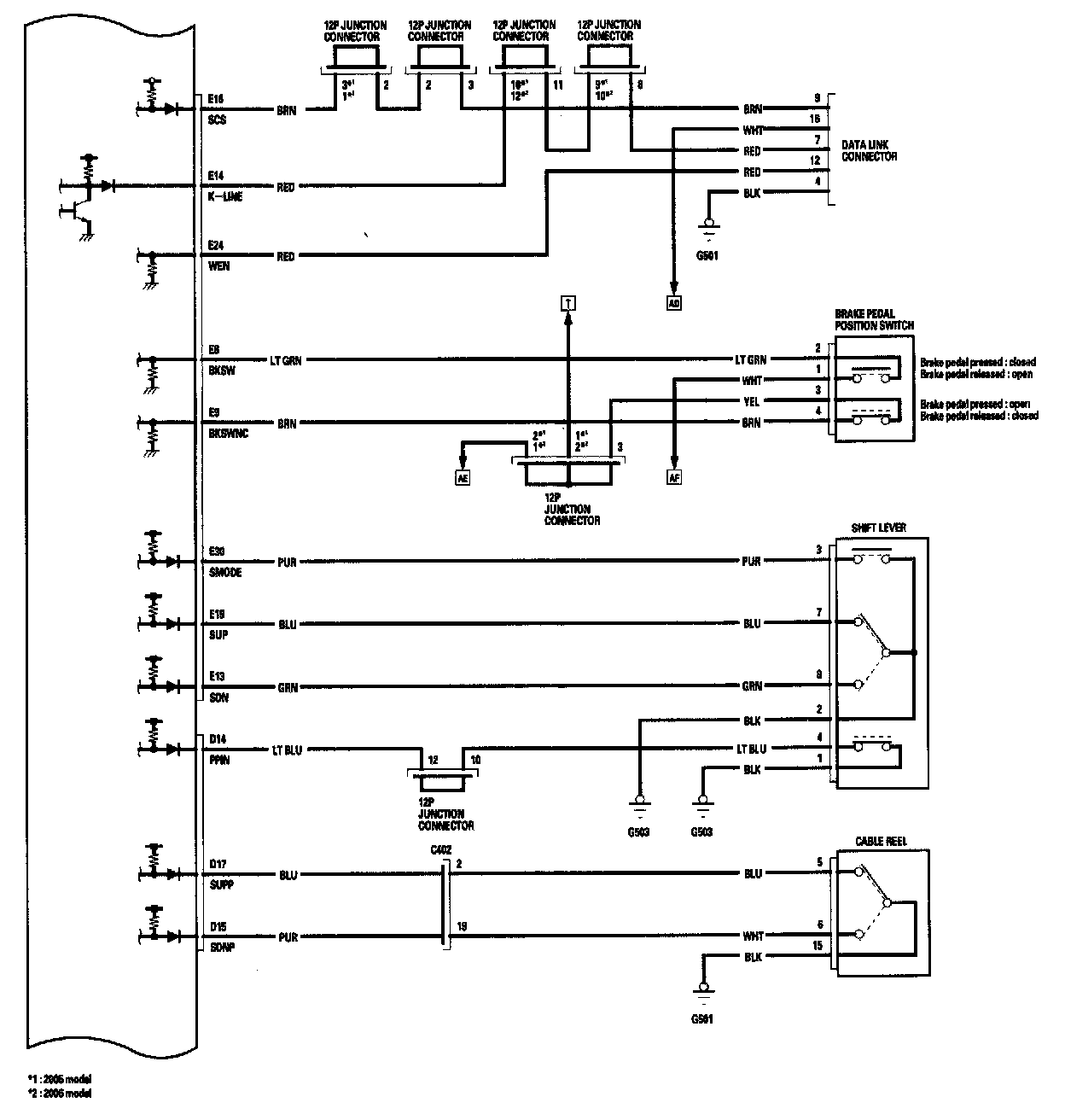
PCM Circuit Diagram 11-45:



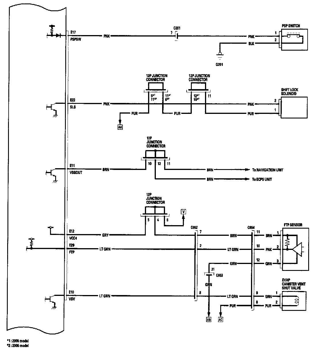
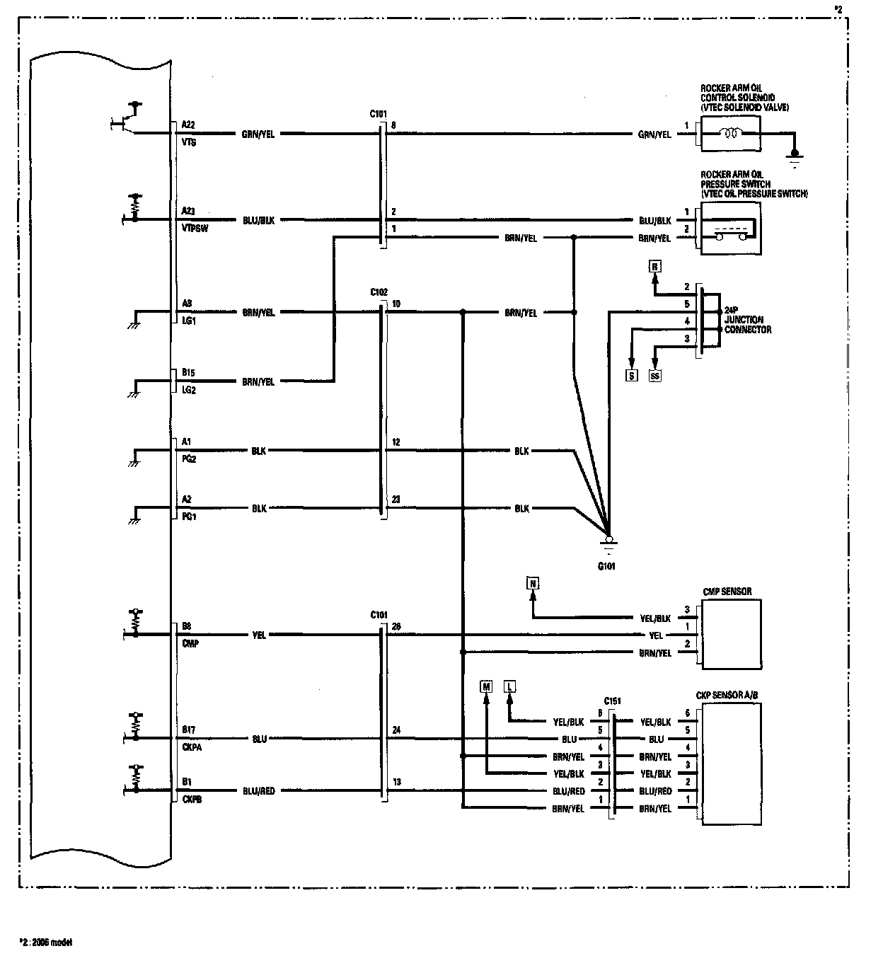
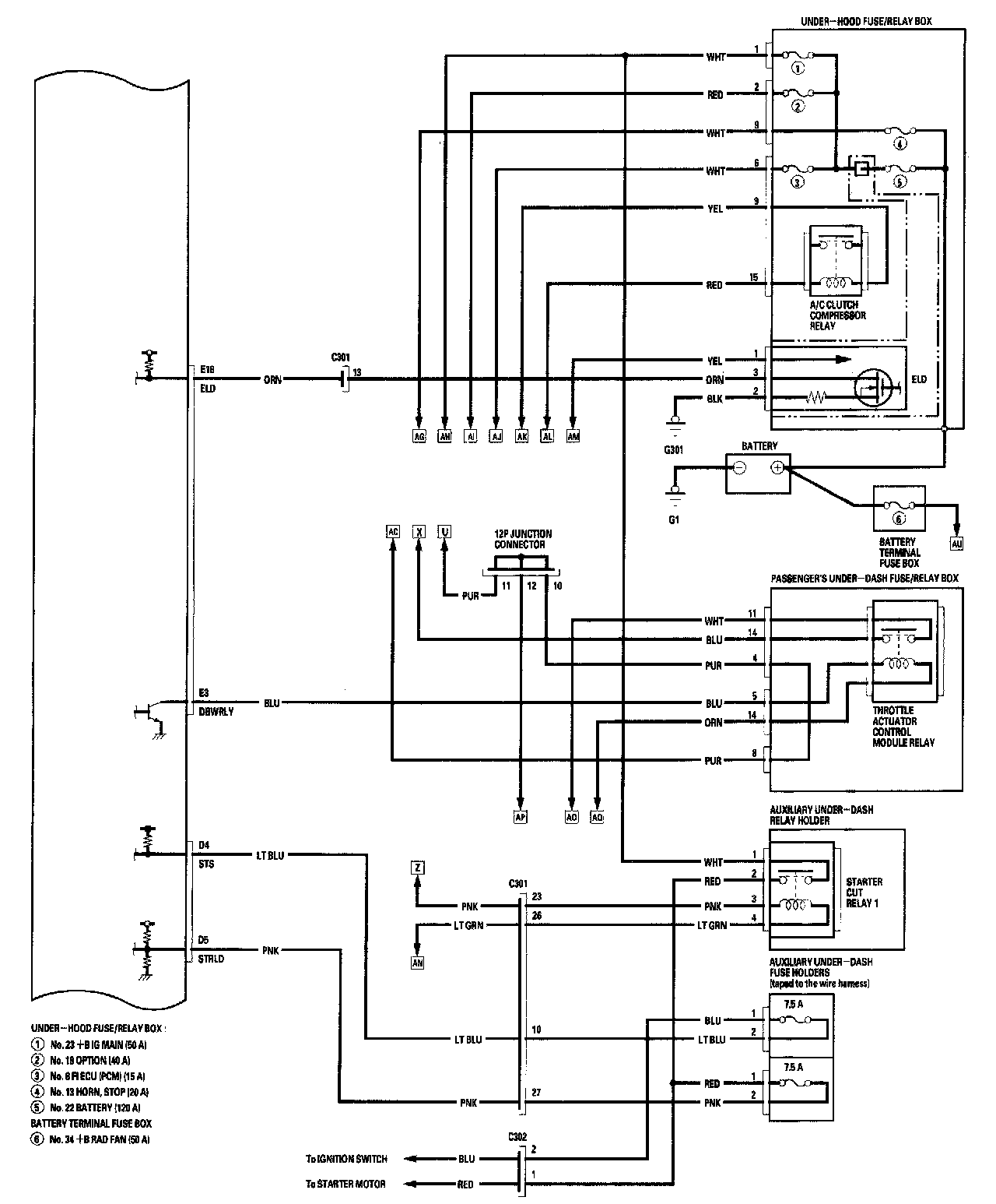
PCM Circuit Diagram 11-46:



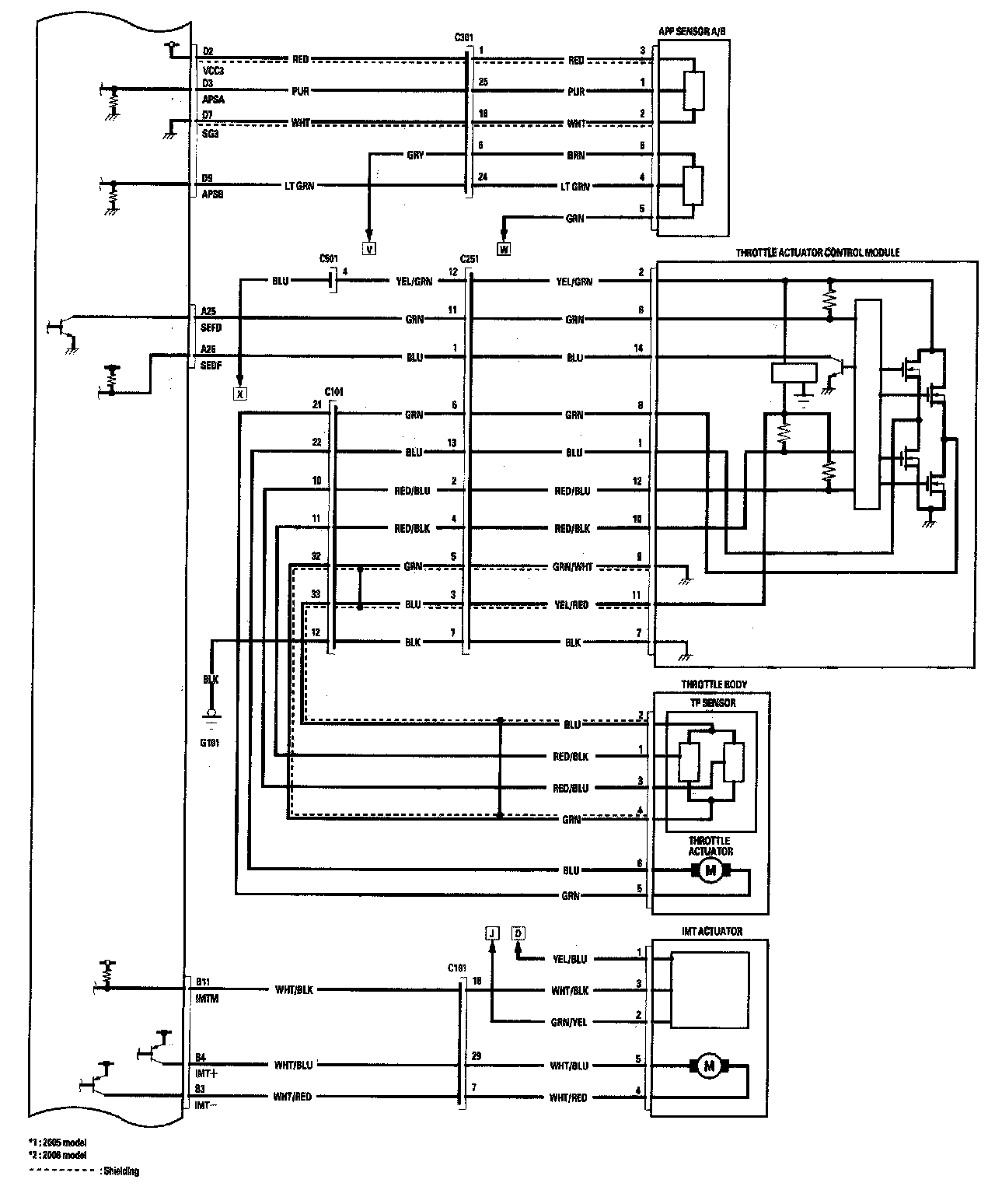
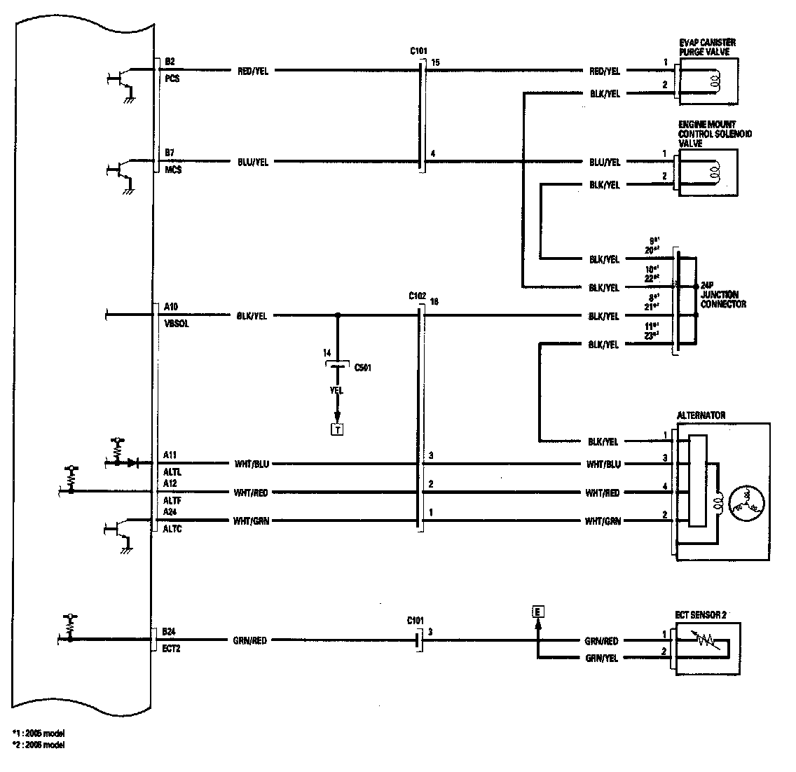
PCM Circuit Diagram 11-47:



PCM Circuit Diagram 11-48:



PCM Circuit Diagram 11-49:



PCM Circuit Diagram 11-50:



PCM Circuit Diagram 11-51:



PCM Circuit Diagram 11-52:



PCM Circuit Diagram 11-53:



PCM Circuit Diagram 11-54:



PCM Circuit Diagram 11-55:



PCM Circuit Diagram 11-56:



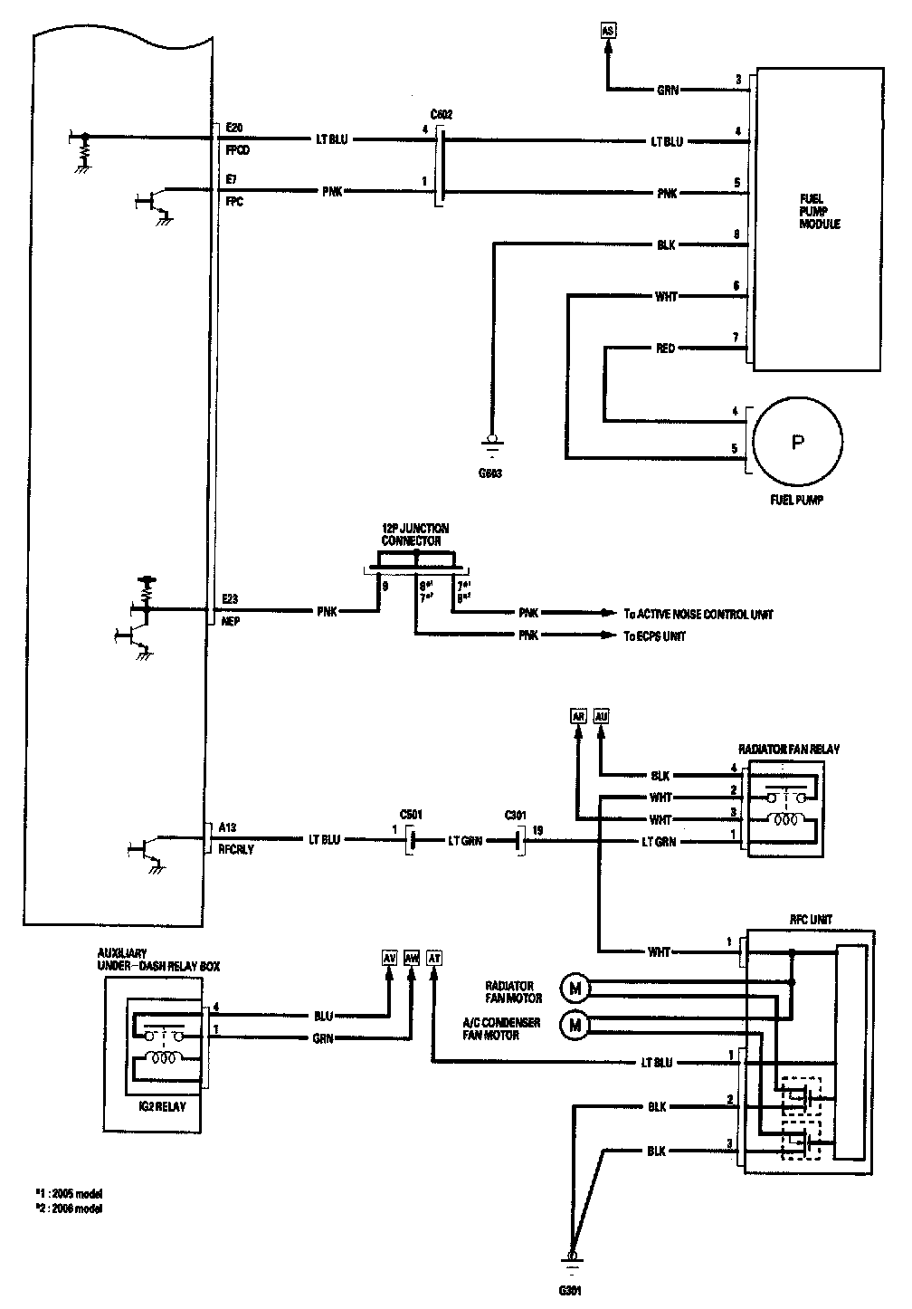
PCM Circuit Diagram 11-57:



PCM Circuit Diagram 11-58: