LEMON Manuals: Even more car manuals for everyone: 1960-2025
Home >> Acura >> 2005 >> RL V6-3.5L >> Repair and Diagnosis >> Powertrain Management >> Computers and Control Systems >> Information Bus >> Description and Operation >> System Description
April 5, 2026: LEMON Manuals is launched! Read the announcement.

System Description

System Description

Body Controller Area Network (B-CAN) and Fast Controller Area Network (F-CAN)




The fast controller area network (F-CAN) and the body controller area network (B-CAN) share information between multiple electronic control units (ECUs). B-CAN communication moves at a slower speed for convenience related items and for other functions. F-CAN information moves at a faster speed for "real time" functions such as fuel and emissions data. To allow both systems to share information, the gauge control module translates information from the B-CAN to the F-CAN and from the F-CAN to the B-CAN.

The ECUs on the B-CAN and the F-CAN transmit and receive information in the form of structured messages that may be received by several different,
ECUs on the network at one time. These messages are transmitted and received across a communication circuit that consists of a single wire that is shared by all the ECUs on the circuit. Since messages on the F-CAN are typically of higher importance, a second wire is used for communication circuit integrity monitoring. A backup circuit is also added to the headlight and wiper circuits on the
B-CAN in the event of a network wire or ECU failure that would effect the operation of the system.




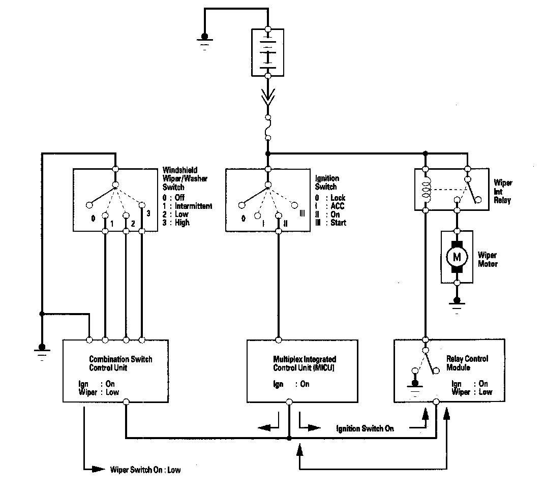
Messages are transmitted by an ECU (that monitors an input) over the communication circuit. ECUs that use the message (information related to that input) are the receivers. For example, the combination switch control unit monitors the wiper switch. When the wiper switch is placed in the low speed position, the combination switch control unit transmits that message on the communication circuit. The relay control module receives the message and turns on the wipers by providing a ground for the relay.





Connected ECUs
Several ECUs are connected to each of the two networks. The gauge control module is part of both networks since it is the "gateway" between them.
Here is a list of ECUs and the network they are connected to.

B-CAN ECUs
- Gauge control module
- Relay control module
- Multiplex integrated control unit (MICU)
- Driver's MPCS unit
- Combination switch control unit
- Climate control unit
- HandsFreeLink control unit
- Power seat control unit
- Adaptive front lighting control unit
- Keyless access control unit
- AcuraLink control unit
- OnStar control unit

F-CAN ECUs
- Gauge control module
- PCM
- VSA modulator-control unit
- TPMS control unit
- TPMS control unit
- TPMS control unit
- E-pretensioner unit (06 model)

Network "Loss of Communication" Error Checking
The B-CAN and the F-CAN send messages to each other to check the integrity of the network communication circuit. They do this by sending a specific digital message out after an event. For example, after turning the ignition switch to ON (II), all the ECUs on the communication circuit expect to receive a message from other specific units within a specified amount of time. If the message is not received, the ECU will transmit a DTC reporting that it did not receive the message.

Examples of a communication circuit test

Normal circuit
1. Ignition switch is turned ON (II).
2. The driver's MPCS unit transmits a door lock switch message.
3. The MICU, relay control module, gauge control module, keyless access control unit and OnStar control unit (if applicable) receive the door lock switch message.
4. The communication circuit test is passed.

Since the door lock switch message was received by all the ECUs expecting to receive a message, the communication circuit between those units is OK. There are multiple messages sent and received by each ECU during this time to insure that the communication circuit is intact.

Failed circuit
5. Ignition switch is turned ON (II).
6. The driver's MPCS unit transmits a door lock switch message.
7. The MICU, relay control module, gauge control module, keyless access control unit and OnStar control unit (if applicable) except to receive the door lock switch message, but since there is a break in the communication circuits, it is not received.




8. Each ECU that expects to receive the door lock switch message from the driver's MPCS unit will transmit DTCs for the message that it did not receive.
Since there is a break in the communication circuit, the door lock switch message could not be received by the MICU, the relay control module, the gauge control module, the keyless access control unit, or the OnStar control unit (if applicable). Each of these units will set "loss of communication" error codes for the message(s) they did not receive. There may be multiple communication DTCs if the unit that has become disconnected from the network would normally transmit multiple, messages during the communication line test. For example, the driver's MPCS unit sends the door switch message and door lock switch, message during the communication circuit test.




Diagnostic Trouble Codes (DTC)







There are three types of DTCs used by the CAN networks.

HDS Inputs And Commands Part 1:




HDS Inputs And Commands Part 2:




HDS Inputs And Commands Part 3:




HDS Inputs And Commands Part 4:




HDS Inputs And Commands Part 5:




HDS Inputs And Commands Part 6:




HDS Inputs And Commands Part 7:




HDS Inputs And Commands Part 8:




HDS Inputs And Commands Part 9:




HDS Inputs And Commands Part 10:




HDS Inputs And Commands