LEMON Manuals: Even more car manuals for everyone: 1960-2025
Home >> Acura >> 2005 >> RL >> Repair and Diagnosis >> External Pages >> Different car >> Section 45 (Multiplex Integrated Control System) >> Circuit Diagram
April 5, 2026: LEMON Manuals is launched! Read the announcement.

Circuit Diagram

WARNING: This page is about a different car, the 2008 Acura TL and 2007 Acura TL. However, it is still accessible from the selected car via links, so may be relevant.
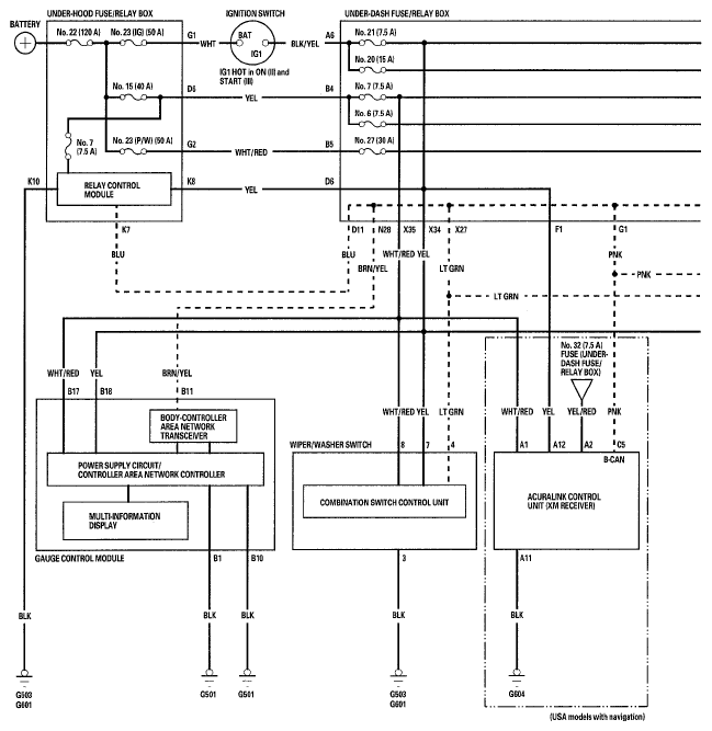
Fig 1: Multiplex Integrated Control System - Circuit Diagram (1 Of 3)
G05462615Courtesy of AMERICAN HONDA MOTOR CO., INC.
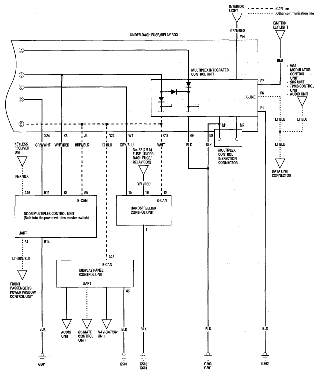
Fig 2: Multiplex Integrated Control System - Circuit Diagram (2 Of 3)
G05462616Courtesy of AMERICAN HONDA MOTOR CO., INC.
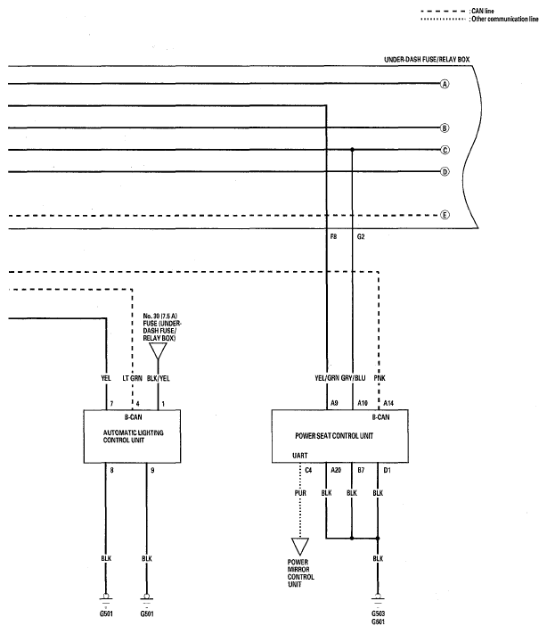
Fig 3: Multiplex Integrated Control System - Circuit Diagram (3 Of 3)
G05462617Courtesy of AMERICAN HONDA MOTOR CO., INC.