LEMON Manuals: Even more car manuals for everyone: 1960-2025
Home >> Acura >> 2005 >> RSX L4-2.0L >> Repair and Diagnosis >> Powertrain Management >> Computers and Control Systems >> Fuel Level Sensor >> Service and Repair
April 5, 2026: LEMON Manuals is launched! Read the announcement.

Fuel Level Sensor: Service and Repair

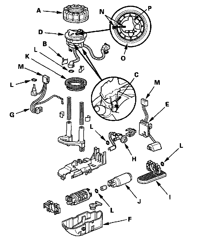
Fuel Pump/Fuel Gauge Sending Unit Replacement

Special Tools Required
Fuel sender wrench 07AAA-S0XA100

1. Relieve the fuel pressure.
2. Remove the fuel fill cap.
3. Remove the rear seat cushion.




4. Remove the access panel (A) from the floor.
5. Disconnect the fuel pump 5P connector (B) and the EVAP canister vent shut valve and fuel tank pressure sensor subharness 6P connector (C).
6. Disconnect the quick-connect fitting (D) from the fuel tank unit.




7. Using the special tool, loosen the fuel tank unit locknut (A).




8. Remove the locknut (A) and the fuel tank unit.
9. Remove the stop (B). Release the hook (C) and remove the fuel filter (D), the fuel gauge sending unit (E), the case (F), the wire harness (G), and the fuel pressure regulator (H).
10. When connecting the fuel tank unit, make sure the connection is secure and the suction filter (I) is firmly connected to the fuel pump (J).
11. Install the fuel tank unit in the reverse order of removal with a new locknut, a new base gasket (K) and new O-rings (L), then check these items:

- When connecting the wire harness, make sure the connection is secure and the connector (M) is firmly locked into the place.
- When installing the fuel gauge sending unit, make sure the connection is secure and the connector (M) is firmly locked into place. Be careful not to bend or twist it excessively.
- When installing the fuel tank unit, align the marks (N) on the fuel tank (O) and the fuel tank unit (P).