LEMON Manuals: Even more car manuals for everyone: 1960-2025
Home >> Acura >> 2005 >> RSX L4-2.0L >> Repair and Diagnosis >> Powertrain Management >> Computers and Control Systems >> Transmission Position Sensor/Switch >> Service and Repair >> Transmission Gear Selection Switch Replacement
April 5, 2026: LEMON Manuals is launched! Read the announcement.

Transmission Gear Selection Switch Replacement

Transmission Gear Selection Switch Replacement
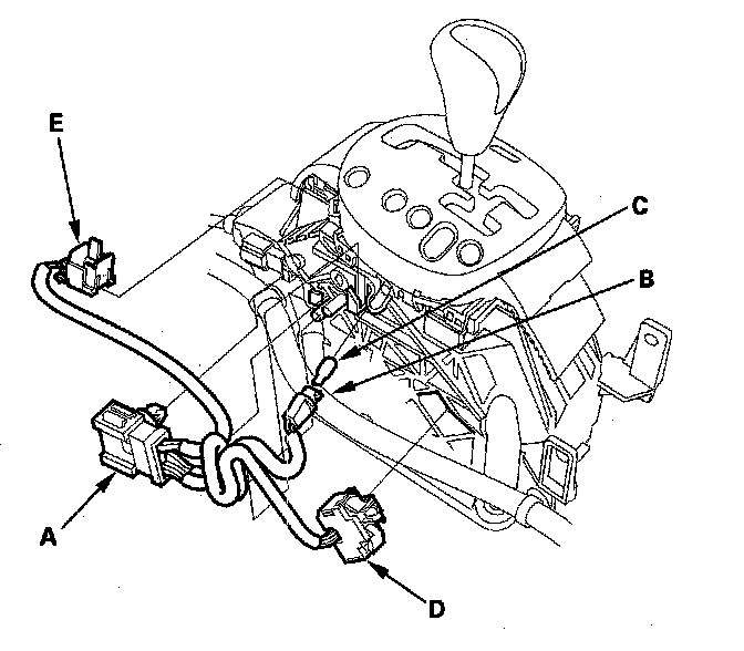
1. Remove the center console.





2. Disconnect transmission gear selection switch/park pin switch connector (A), then remove it from the shift lever bracket base.
3. Remove the A/T gear position indicator panel light socket (B), then remove the indicator light bulb (C) from the socket.
4. Remove the transmission gear selection switch (D) and park pin switch (E), and install the new switches and connector.
5. Install the A/T gear position indicator panel light bulb in the bulb socket, then install the socket in the A/T gear position indicator panel.
6. Connect transmission gear selection switch/park pin switch connector.
7. Reinstall the center console.