LEMON Manuals: Even more car manuals for everyone: 1960-2025
Home >> Acura >> 2005 >> RSX L4-2.0L >> Repair and Diagnosis >> Powertrain Management >> Diagrams >> Electrical Diagrams >> Control Module Circuit Diagrams >> ECM/PCM Circuit Diagrams
April 5, 2026: LEMON Manuals is launched! Read the announcement.

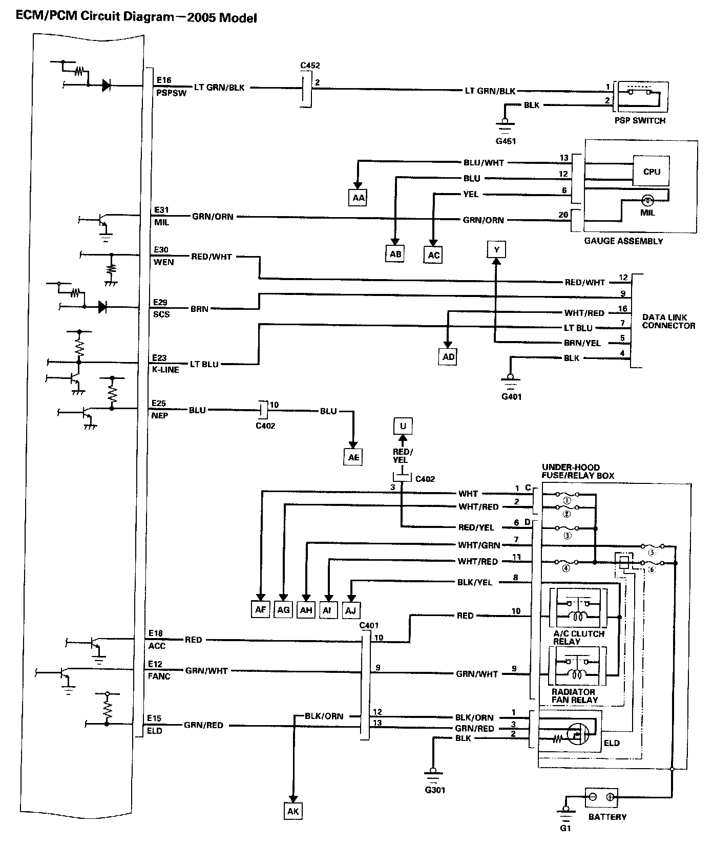
ECM/PCM Circuit Diagrams

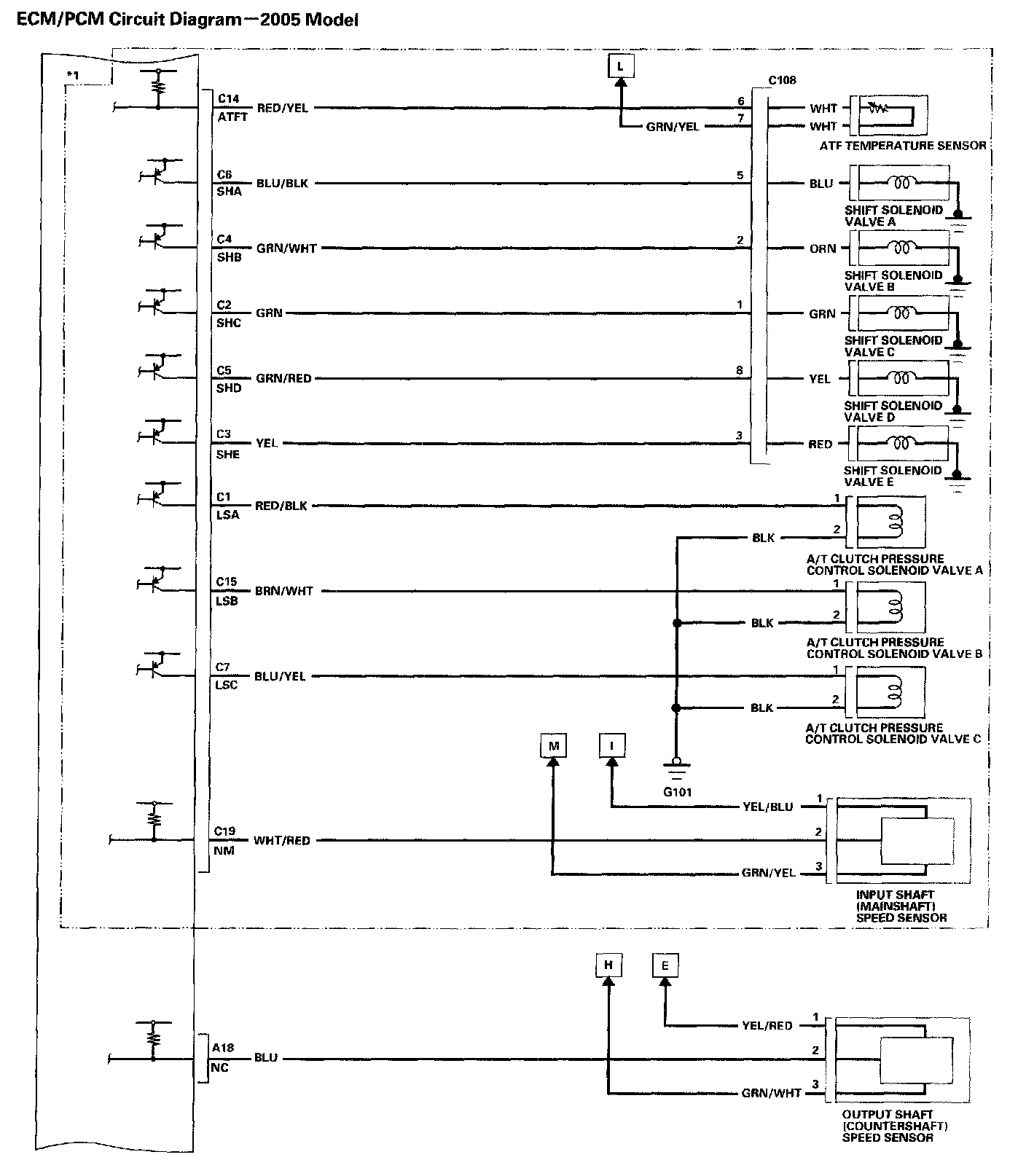
ECM/PCM Circuit Diagram Part 1:



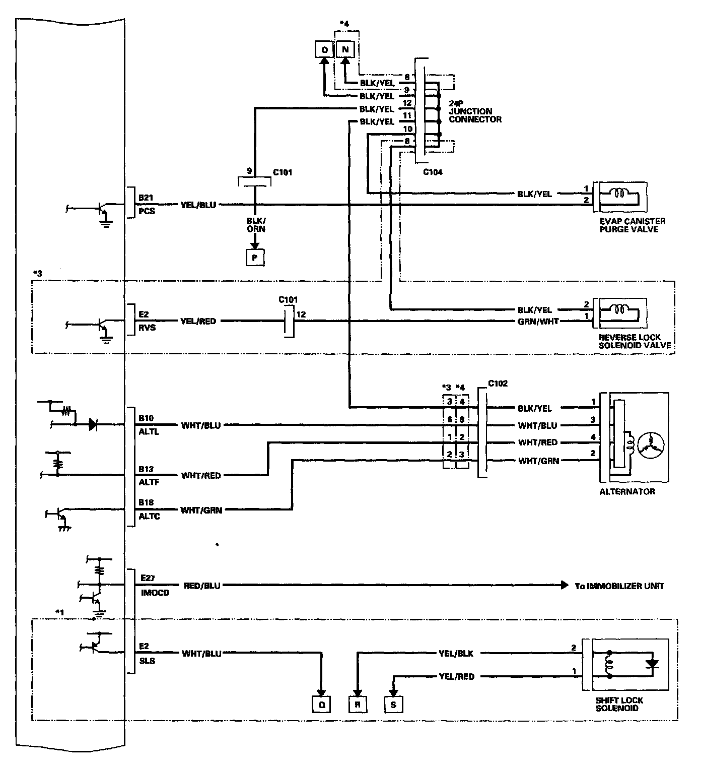
ECM/PCM Circuit Diagram Part 2:



ECM/PCM Circuit Diagram Part 3:



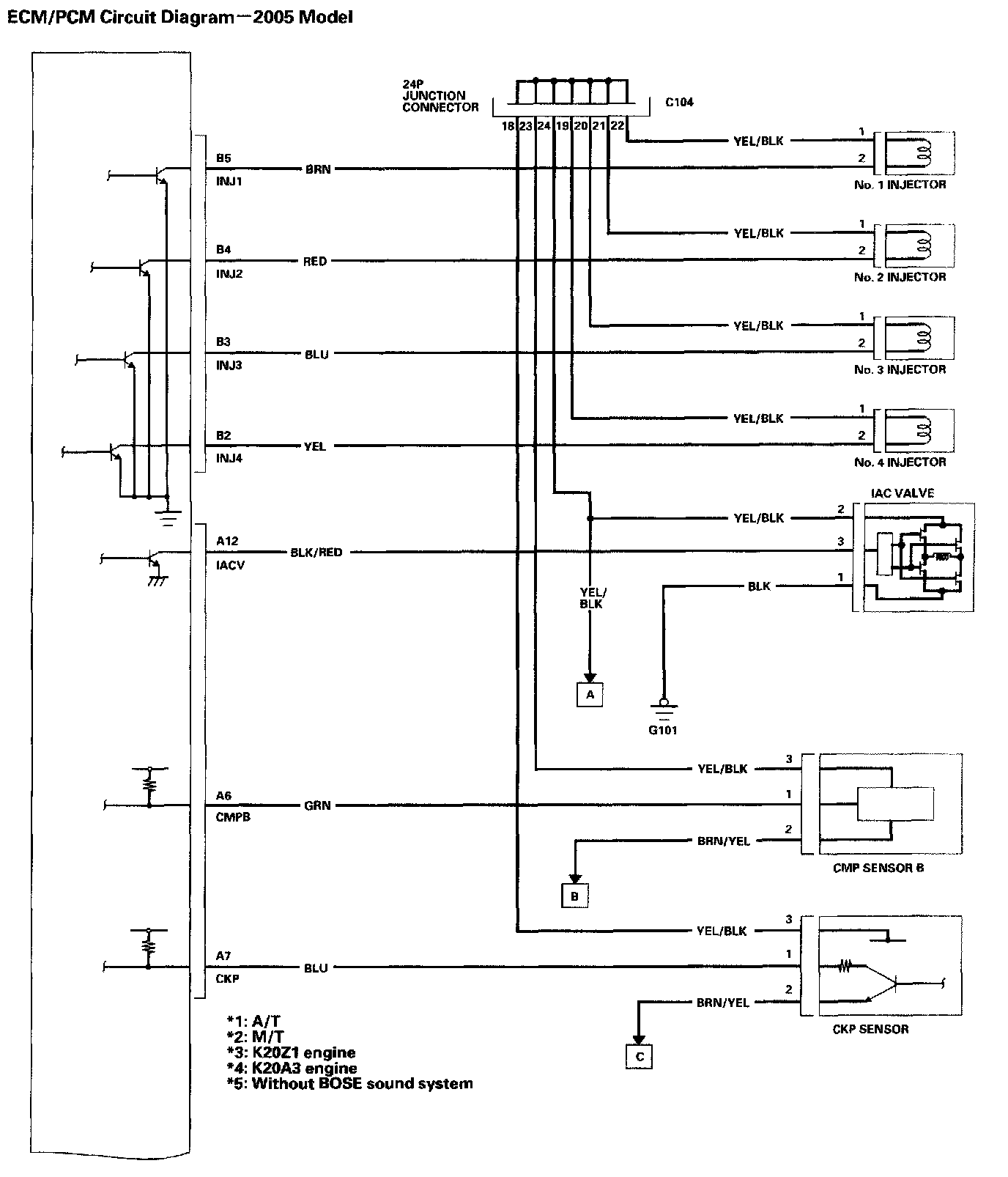
ECM/PCM Circuit Diagram Part 4:



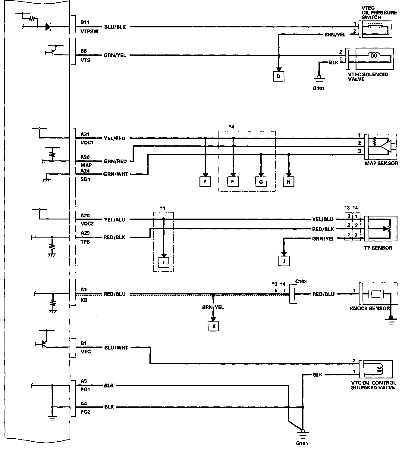
ECM/PCM Circuit Diagram Part 5:



ECM/PCM Circuit Diagram Part 6:



ECM/PCM Circuit Diagram Part 7:



ECM/PCM Circuit Diagram Part 6:



ECM/PCM Circuit Diagram Part 9:



ECM/PCM Circuit Diagram Part 10: