LEMON Manuals: Even more car manuals for everyone: 1960-2025
Home >> Acura >> 2005 >> TL V6-3.2L >> Repair and Diagnosis >> Powertrain Management >> Diagrams >> Electrical Diagrams >> Control Module Circuit Diagrams >> ECM/PCM Circuit Diagrams
April 5, 2026: LEMON Manuals is launched! Read the announcement.

ECM/PCM Circuit Diagrams

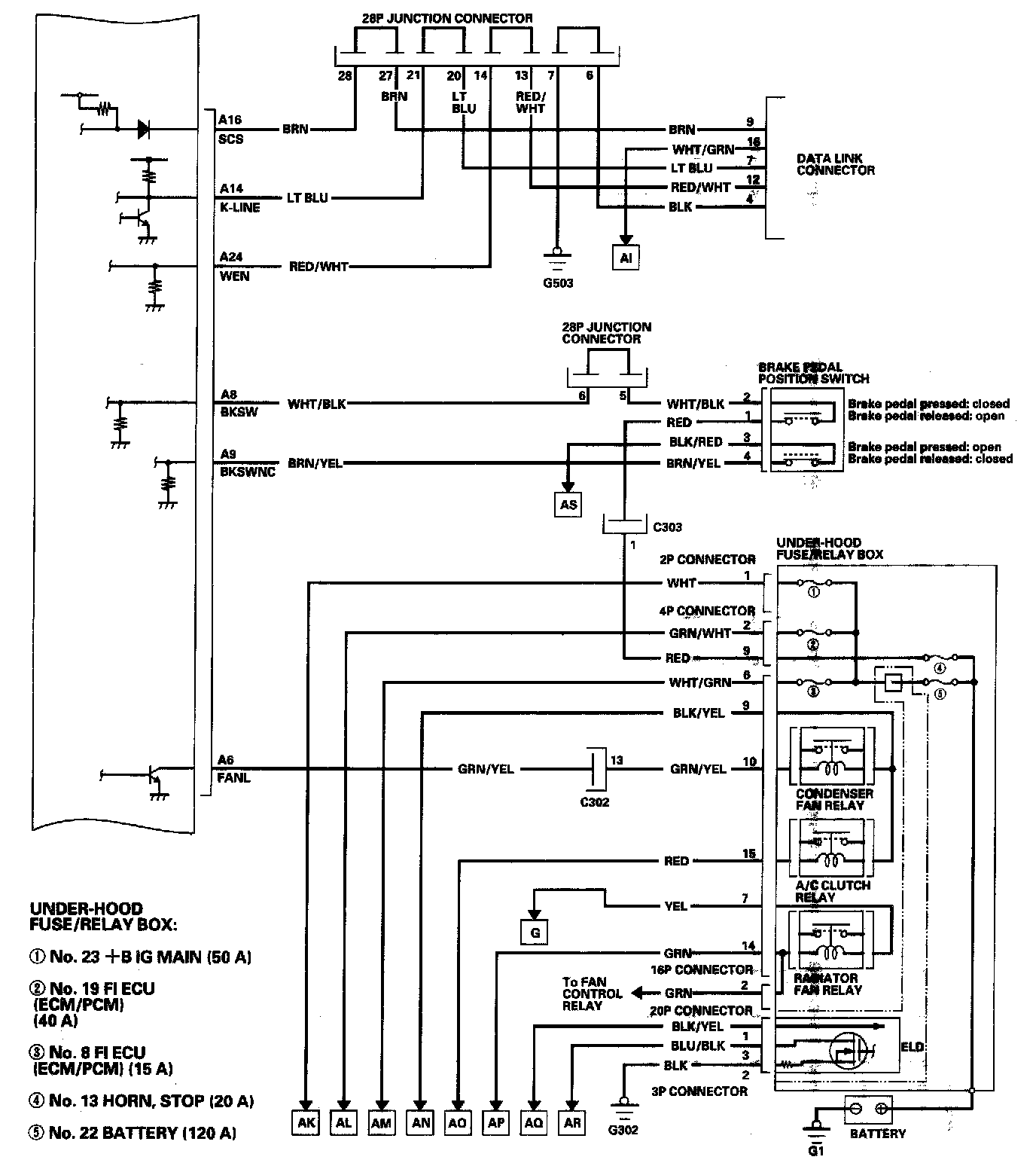
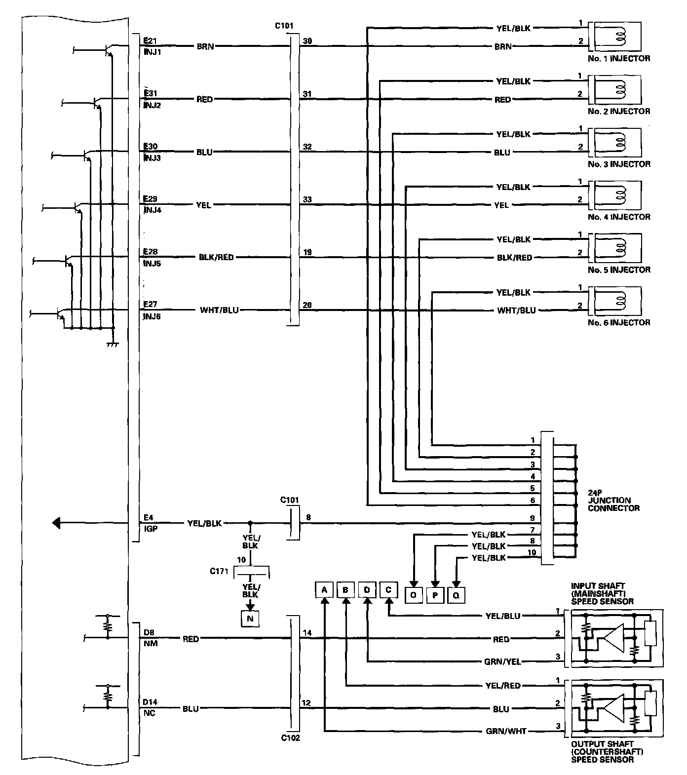
ECM/PCM Circuit Diagram 11-61:



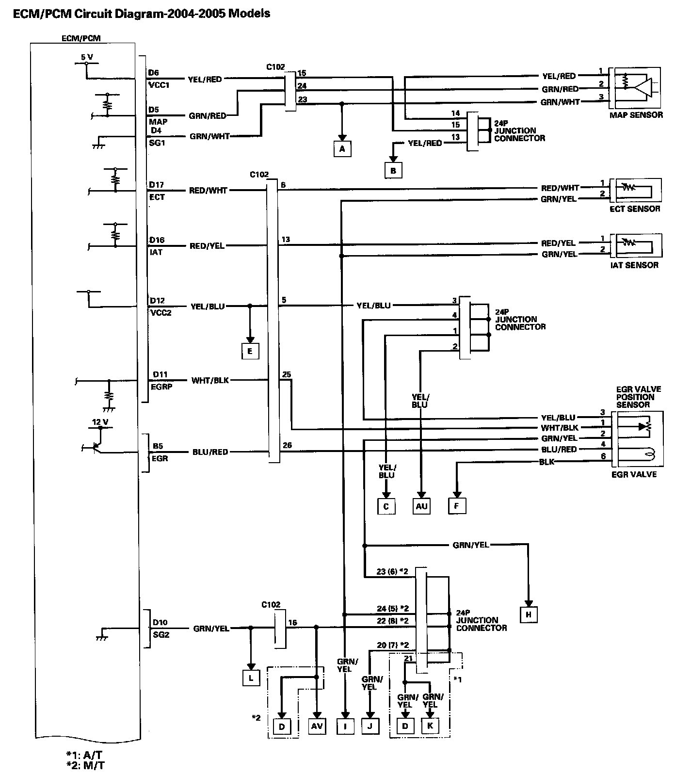
ECM/PCM Circuit Diagram 11-62:



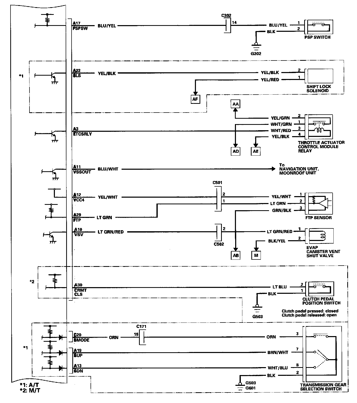
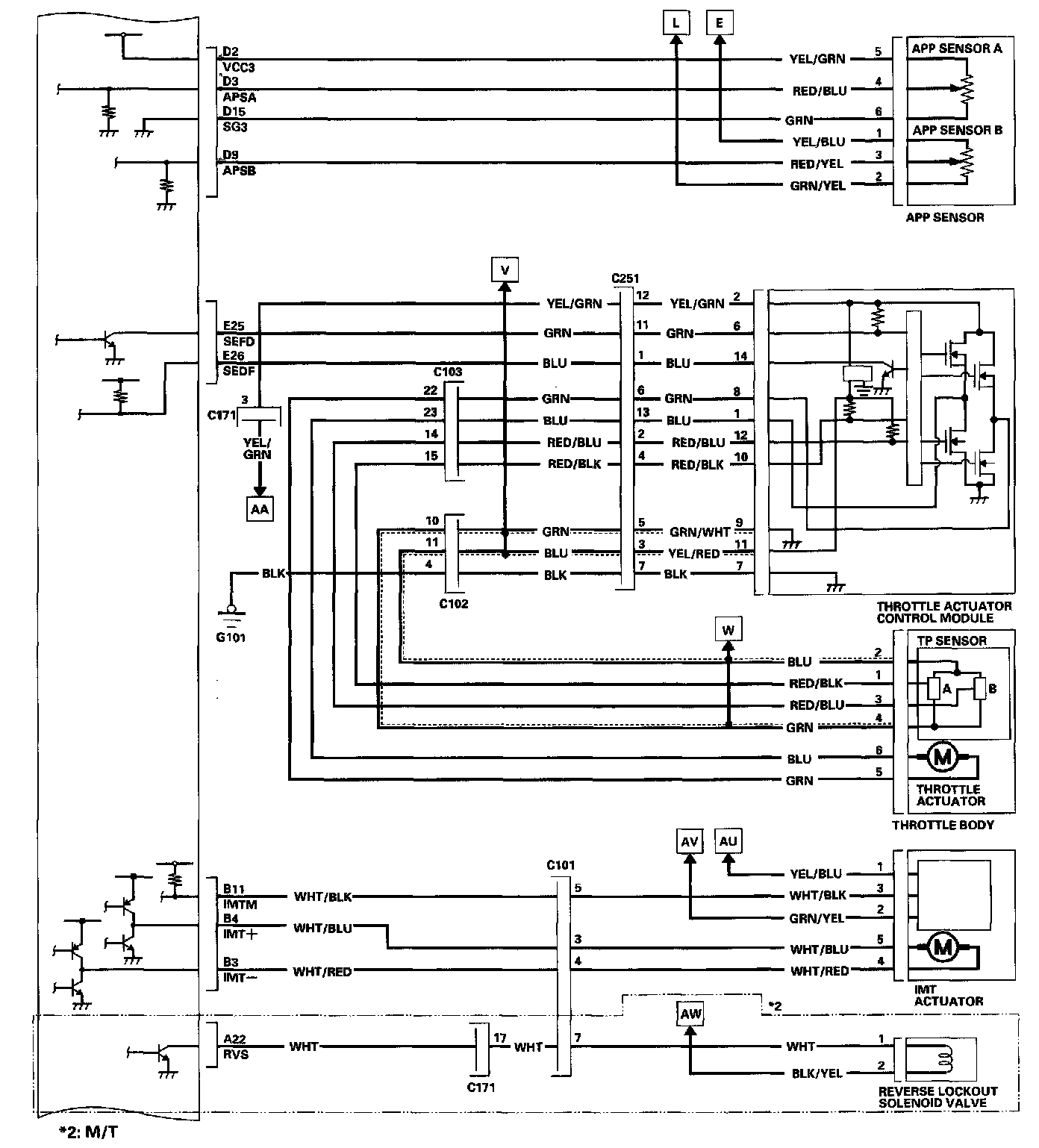
ECM/PCM Circuit Diagram 11-63:



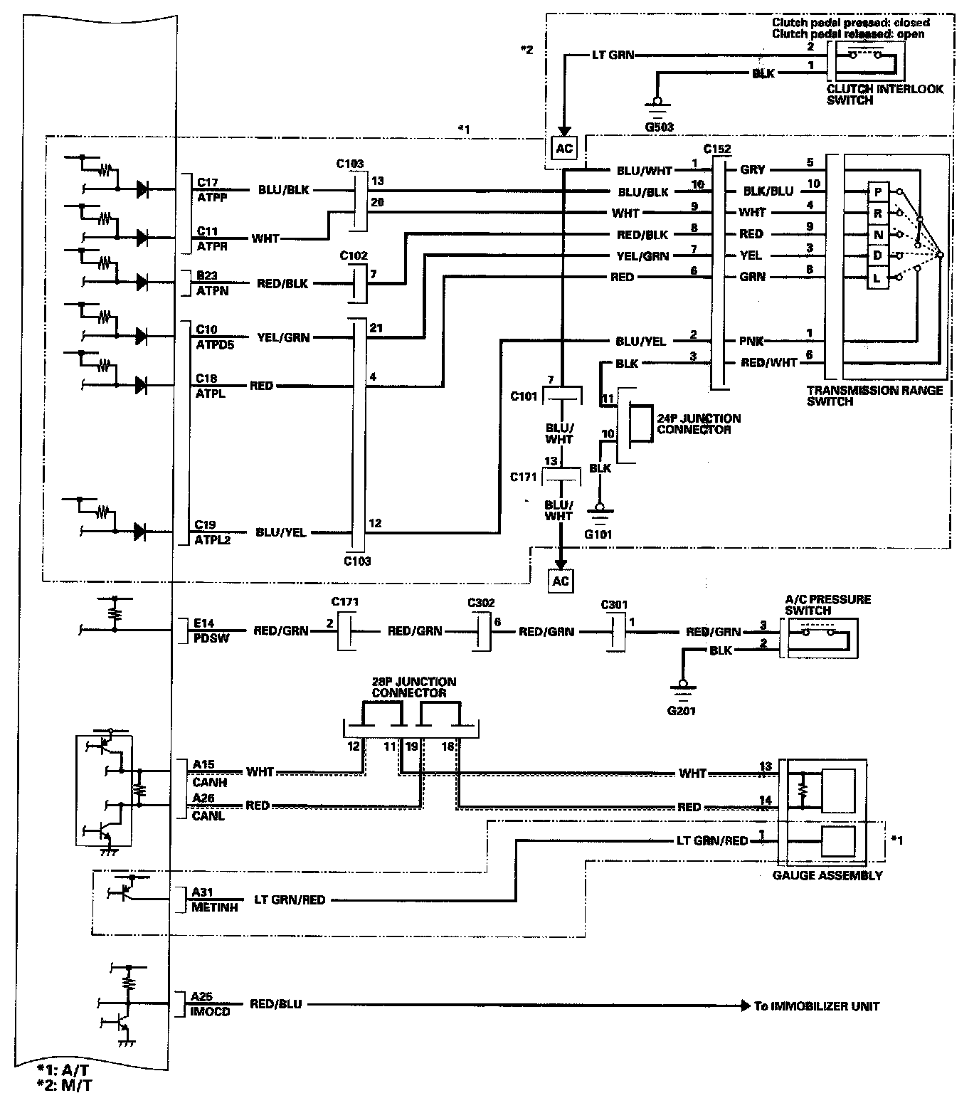
ECM/PCM Circuit Diagram 11-64:



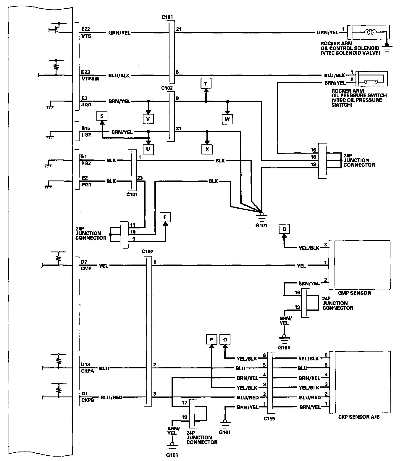
ECM/PCM Circuit Diagram 11-65:



ECM/PCM Circuit Diagram 11-66:



ECM/PCM Circuit Diagram 11-67:



ECM/PCM Circuit Diagram 11-68:



ECM/PCM Circuit Diagram 11-69:



ECM/PCM Circuit Diagram 11-70:



ECM/PCM Circuit Diagram 11-71: