LEMON Manuals: Even more car manuals for everyone: 1960-2025
Home >> Acura >> 2005 >> TSX L4-2.4L >> Repair and Diagnosis >> Powertrain Management >> Diagrams >> Electrical Diagrams >> Control Module Circuit Diagrams >> ECM/PCM Circuit Diagrams
April 5, 2026: LEMON Manuals is launched! Read the announcement.

ECM/PCM Circuit Diagrams

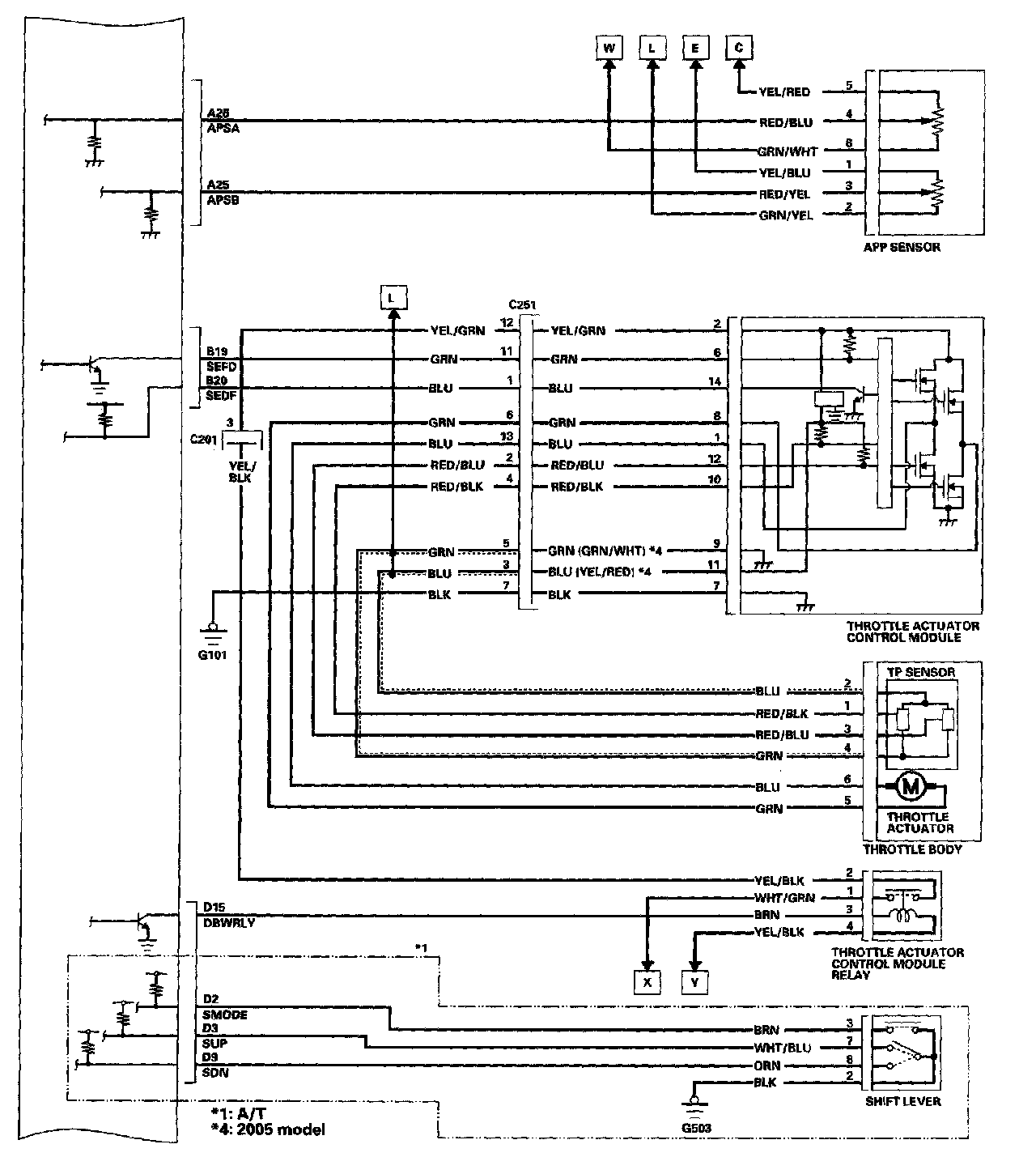
ECM/PCM Circuit Diagram 11-40:



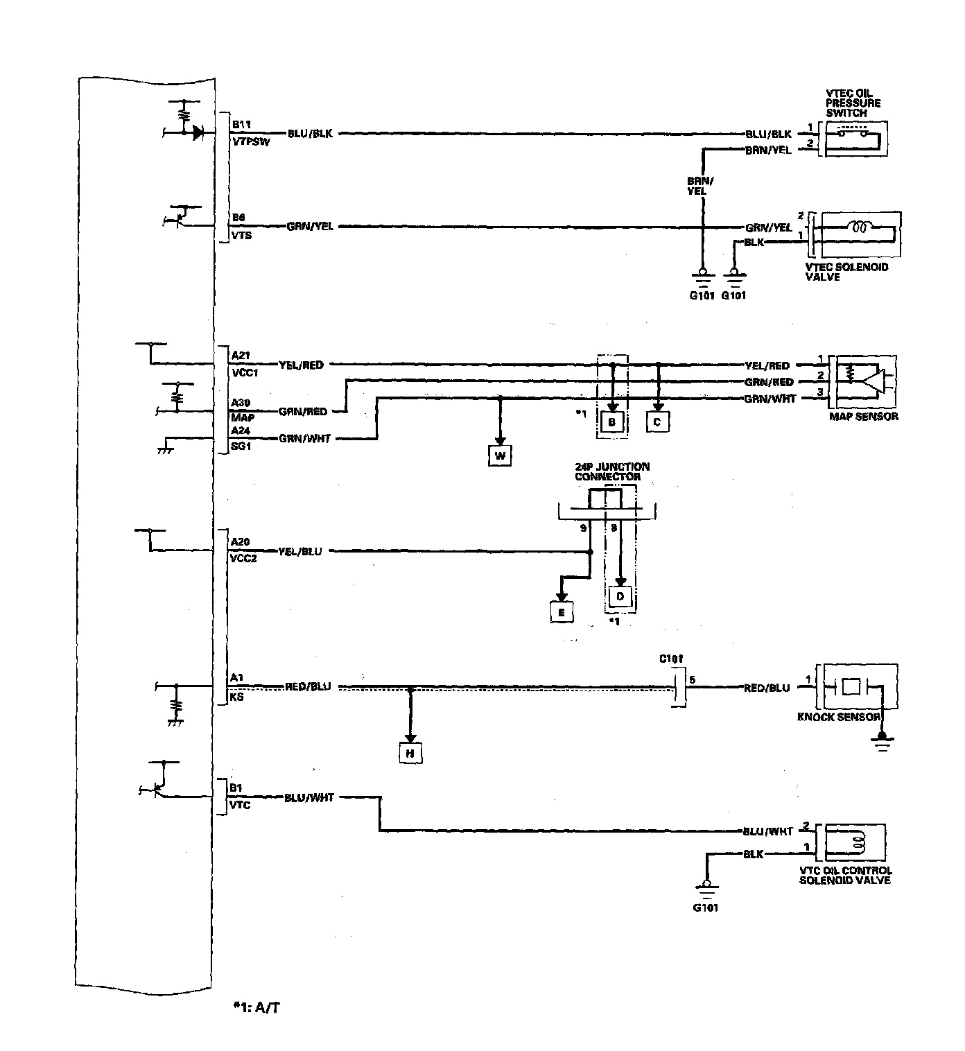
ECM/PCM Circuit Diagram 11-41:



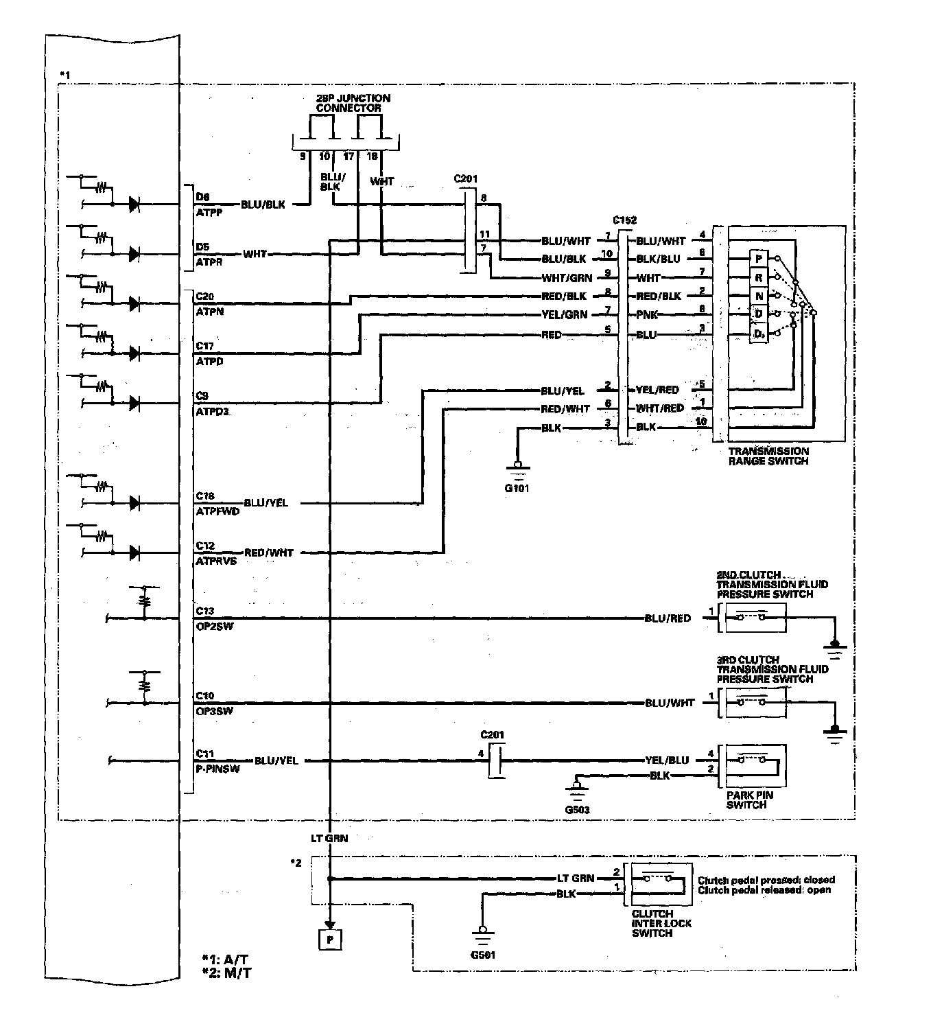
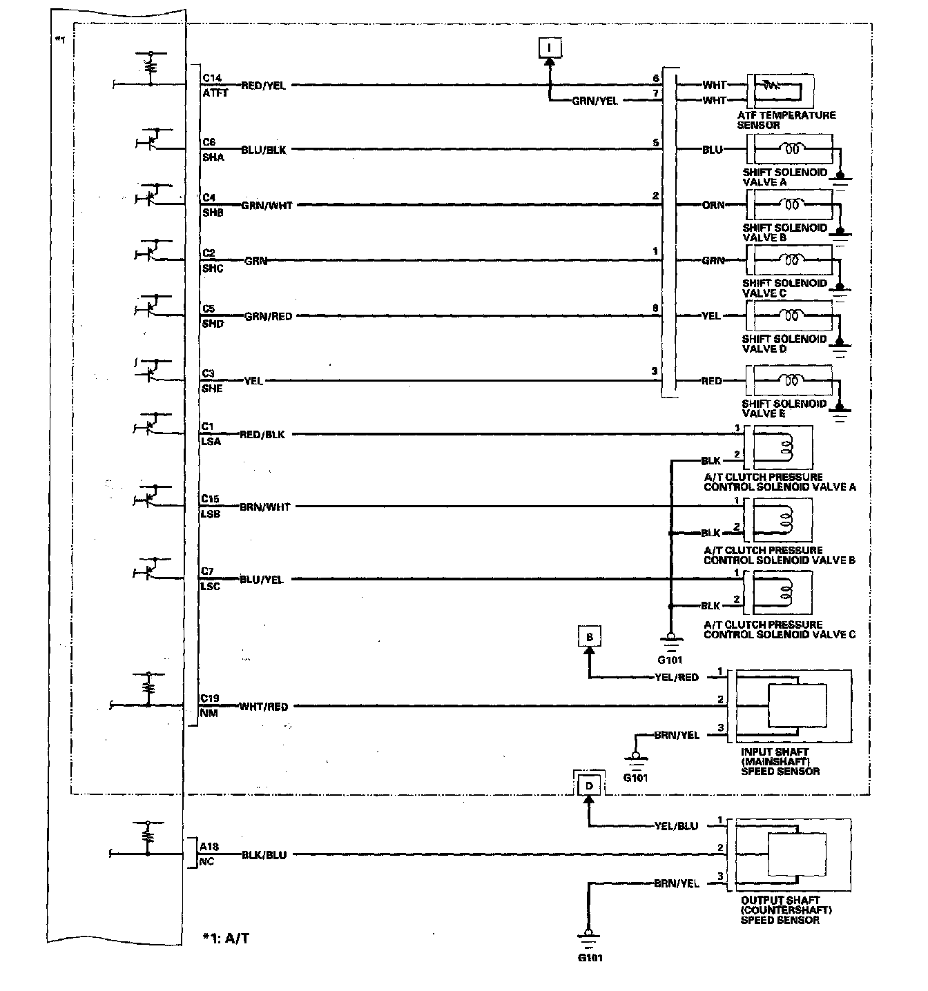
ECM/PCM Circuit Diagram 11-42:



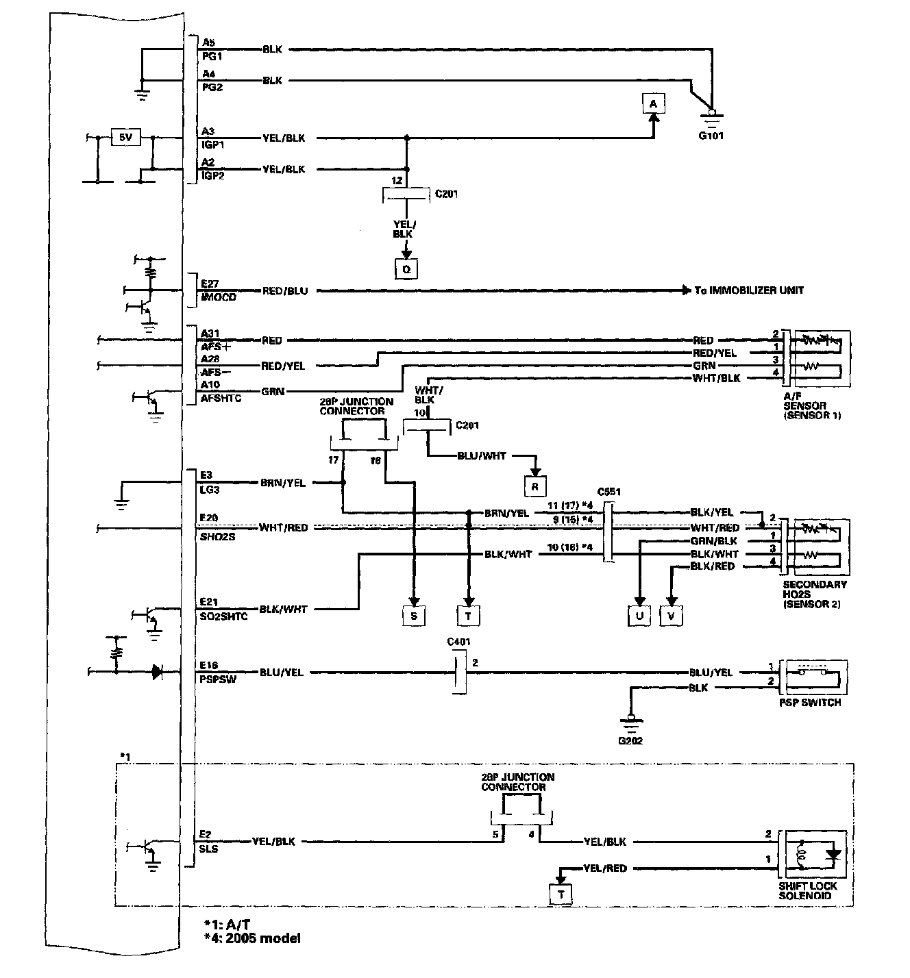
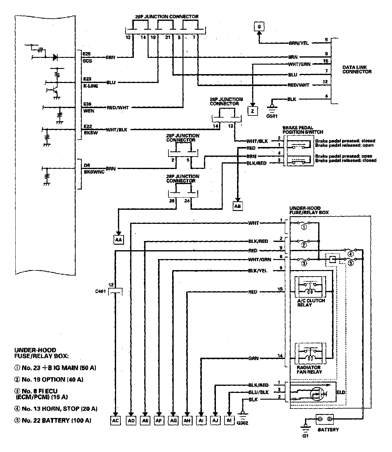
ECM/PCM Circuit Diagram 11-43:



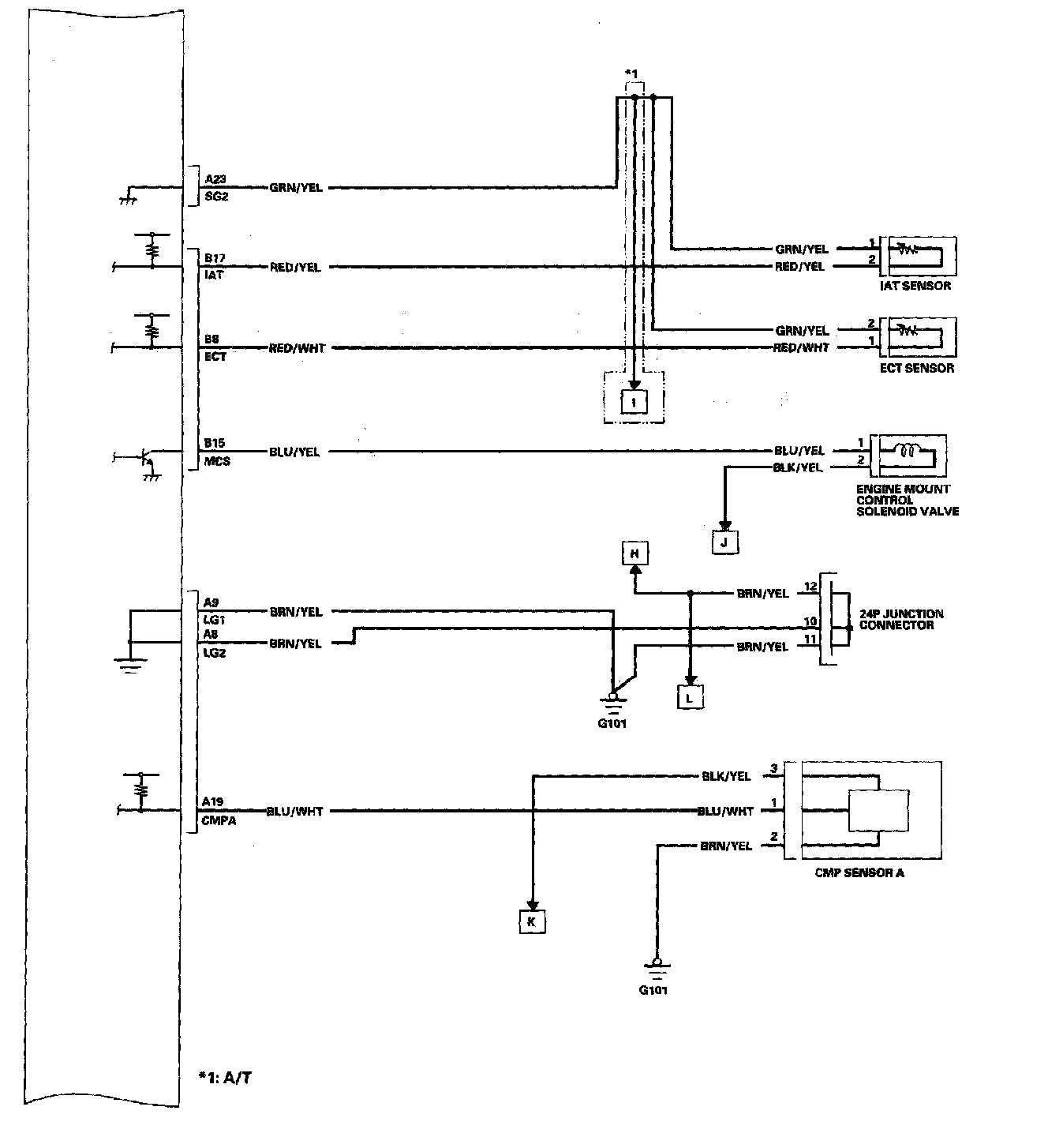
ECM/PCM Circuit Diagram 11-44:



ECM/PCM Circuit Diagram 11-45:



ECM/PCM Circuit Diagram 11-46:



ECM/PCM Circuit Diagram 11-47:



ECM/PCM Circuit Diagram 11-48:



ECM/PCM Circuit Diagram 11-49:



ECM/PCM Circuit Diagram 11-50: