LEMON Manuals: Even more car manuals for everyone: 1960-2025
Home >> Acura >> 2006 >> MDX Base >> Repair and Diagnosis >> Engine Performance >> System >> Advanced Diagnostics >> DTC P0506: Idle Control System RPM Lower Than Expected >> Notes
April 5, 2026: LEMON Manuals is launched! Read the announcement.

DTC P0506: Idle Control System RPM Lower Than Expected: Notes

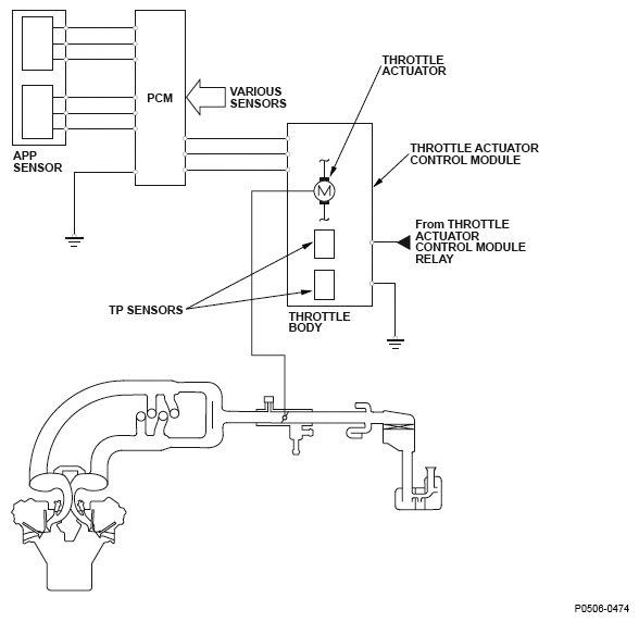
Fig 1: Idle Control System RPM Diagram
G04816584
Fig 2: Idle Control System RPM - Graph
G04818011