LEMON Manuals: Even more car manuals for everyone: 1960-2025
Home >> Acura >> 2006 >> MDX Base >> Repair and Diagnosis >> Engine Performance >> System >> Advanced Diagnostics >> DTC P0657: Air/Fuel Ratio (A/F) Sensor Relay Circuit Malfunction >> Notes
April 5, 2026: LEMON Manuals is launched! Read the announcement.

DTC P0657: Air/Fuel Ratio (A/F) Sensor Relay Circuit Malfunction: Notes

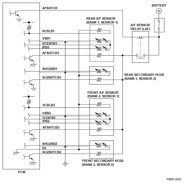
Fig 1: Air/Fuel Ratio (A/F) Sensor Relay Circuit Diagram
G04816594