LEMON Manuals: Even more car manuals for everyone: 1960-2025
Home >> Acura >> 2006 >> MDX V6-3.5L >> Repair and Diagnosis >> Diagrams >> Exploded Views >> Cylinder Block Assembly >> System Diagram
April 5, 2026: LEMON Manuals is launched! Read the announcement.

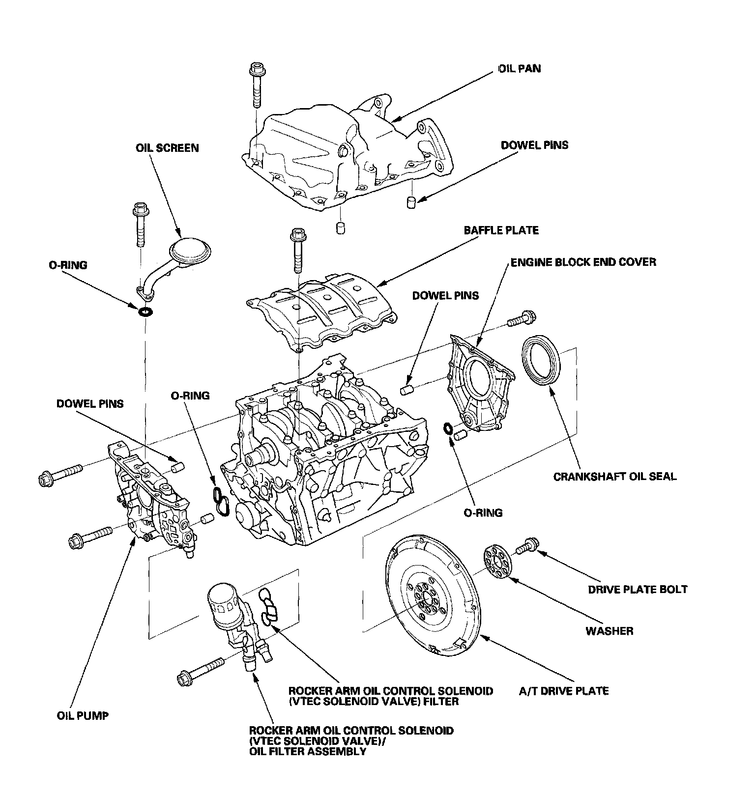
System Diagram

Engine Block Component Location Index:



Engine Block Component Location Index:



Engine Block Component Location Index: