LEMON Manuals: Even more car manuals for everyone: 1960-2025
Home >> Acura >> 2006 >> RL >> Repair and Diagnosis (Single Page) >> Body & Frame >> Seats >> Driver Position Memory System (DPMS) >> Circuit Diagram - Power Seat
April 5, 2026: LEMON Manuals is launched! Read the announcement.

Circuit Diagram - Power Seat

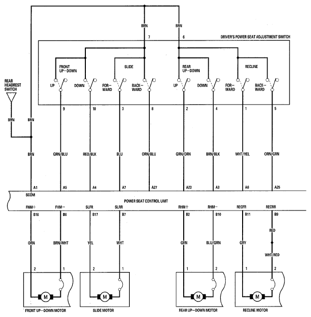
Fig 1: Power Seat - Circuit Diagram (1 Of 4)
G05497246Courtesy of AMERICAN HONDA MOTOR CO., INC.
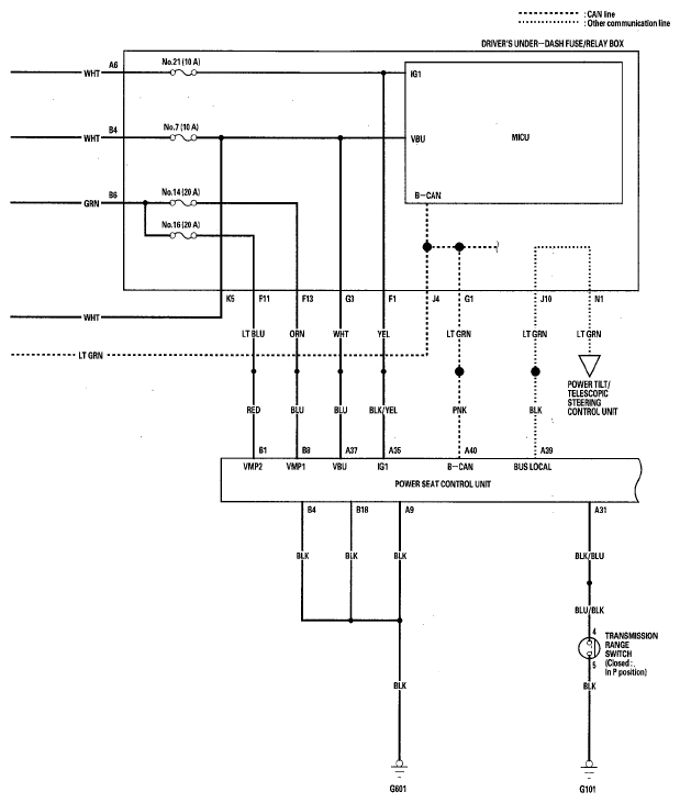
Fig 2: Power Seat - Circuit Diagram (2 Of 4)
G05497247Courtesy of AMERICAN HONDA MOTOR CO., INC.
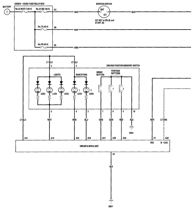
Fig 3: Power Seat - Circuit Diagram (3 Of 4)
G05497248Courtesy of AMERICAN HONDA MOTOR CO., INC.
Fig 4: Power Seat - Circuit Diagram (4 Of 4)
G05497249Courtesy of AMERICAN HONDA MOTOR CO., INC.