LEMON Manuals: Even more car manuals for everyone: 1960-2025
Home >> Acura >> 2006 >> RL >> Repair and Diagnosis >> Engine Performance >> System >> Advanced Diagnostics >> DTC P0506: Idle Control System RPM Lower Than Expected >> Notes
April 5, 2026: LEMON Manuals is launched! Read the announcement.

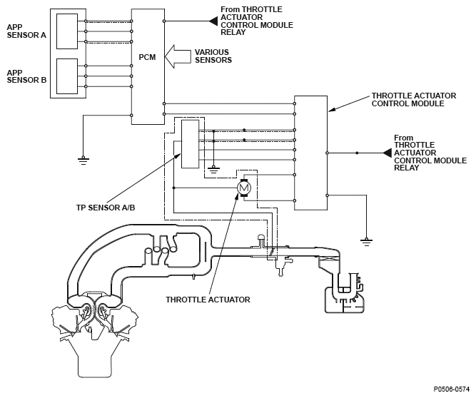
DTC P0506: Idle Control System RPM Lower Than Expected: Notes

Fig 1: Idle Control System Diagram
G04822922
Fig 2: Idle Control System RPM Graph
G04818011