LEMON Manuals: Even more car manuals for everyone: 1960-2025
Home >> Acura >> 2006 >> RSX L4-2.0L >> Repair and Diagnosis >> Diagrams >> Electrical Diagrams >> Powertrain Management >> System Diagram >> Control Module Circuit Diagrams >> ECM/PCM Circuit Diagrams
April 5, 2026: LEMON Manuals is launched! Read the announcement.

ECM/PCM Circuit Diagrams

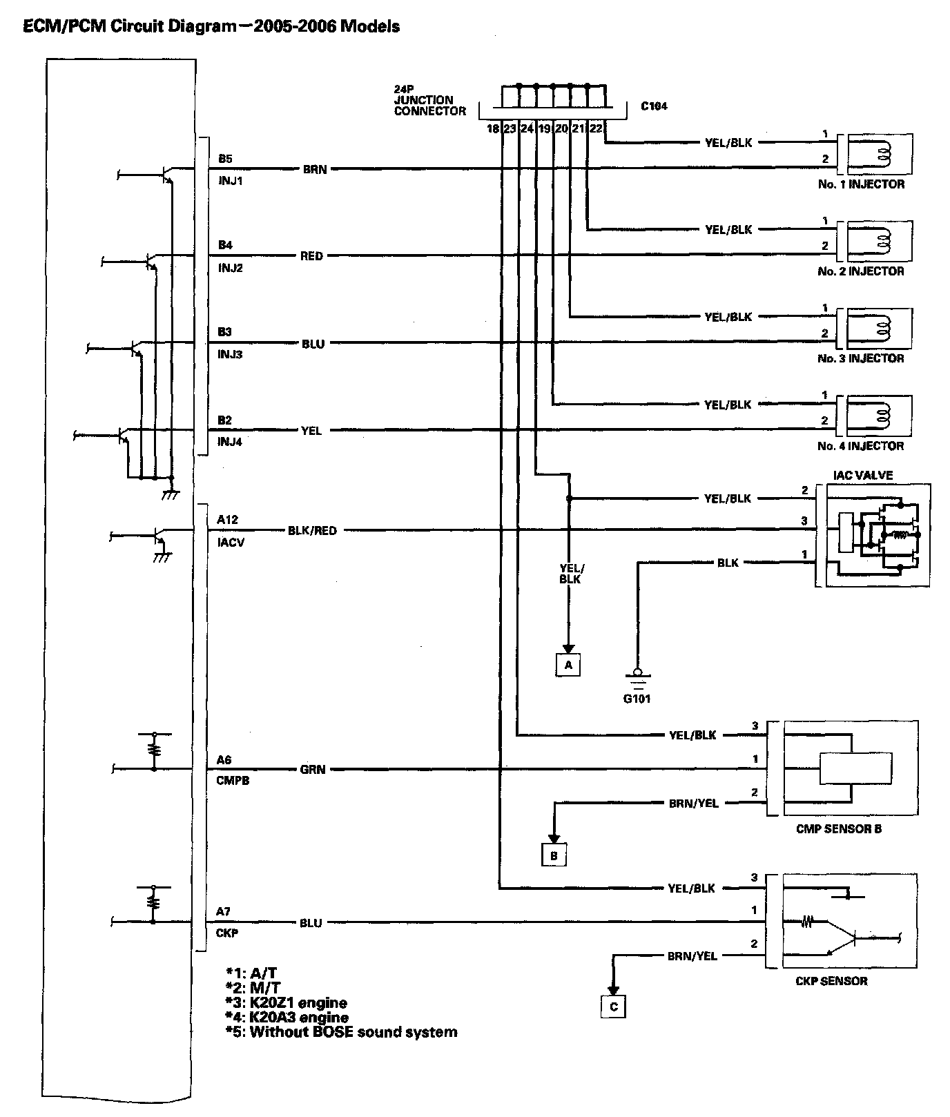
ECM/PCM Circuit Diagram 11-80:



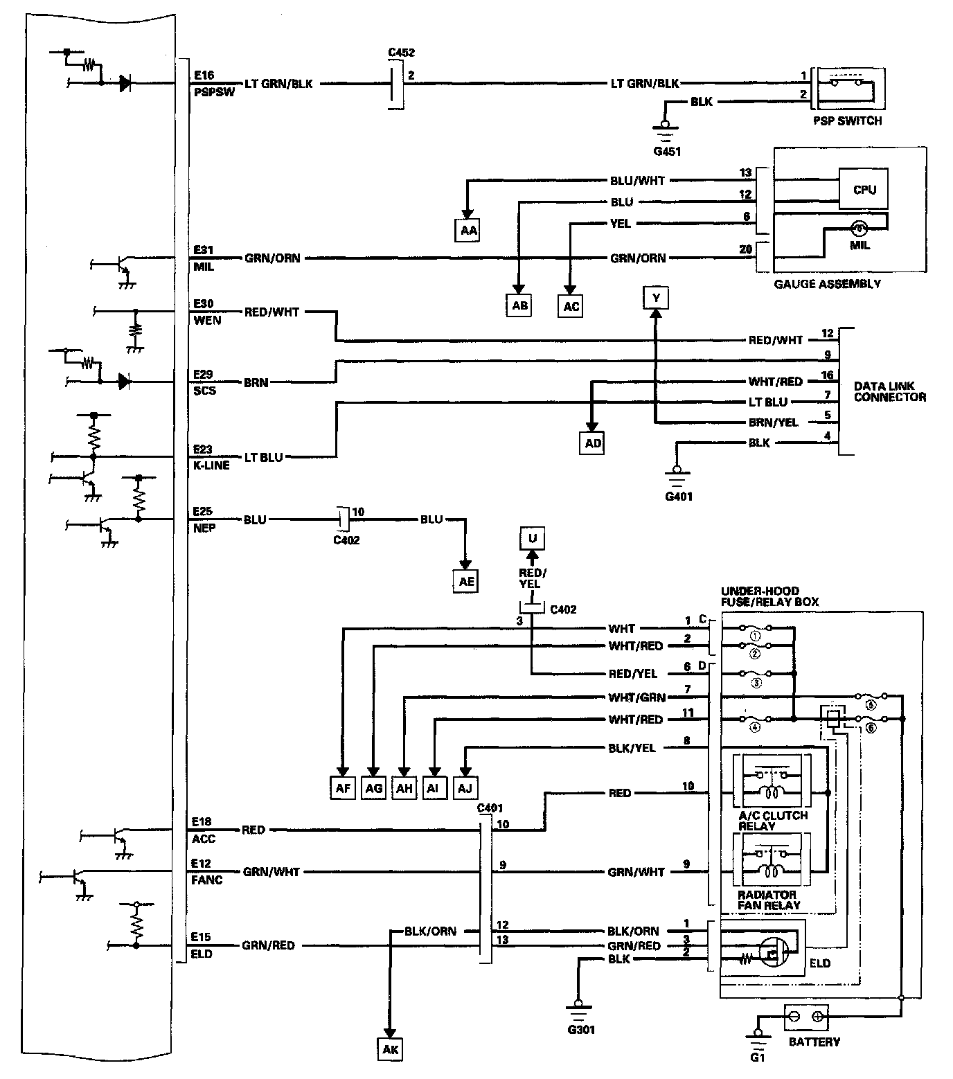
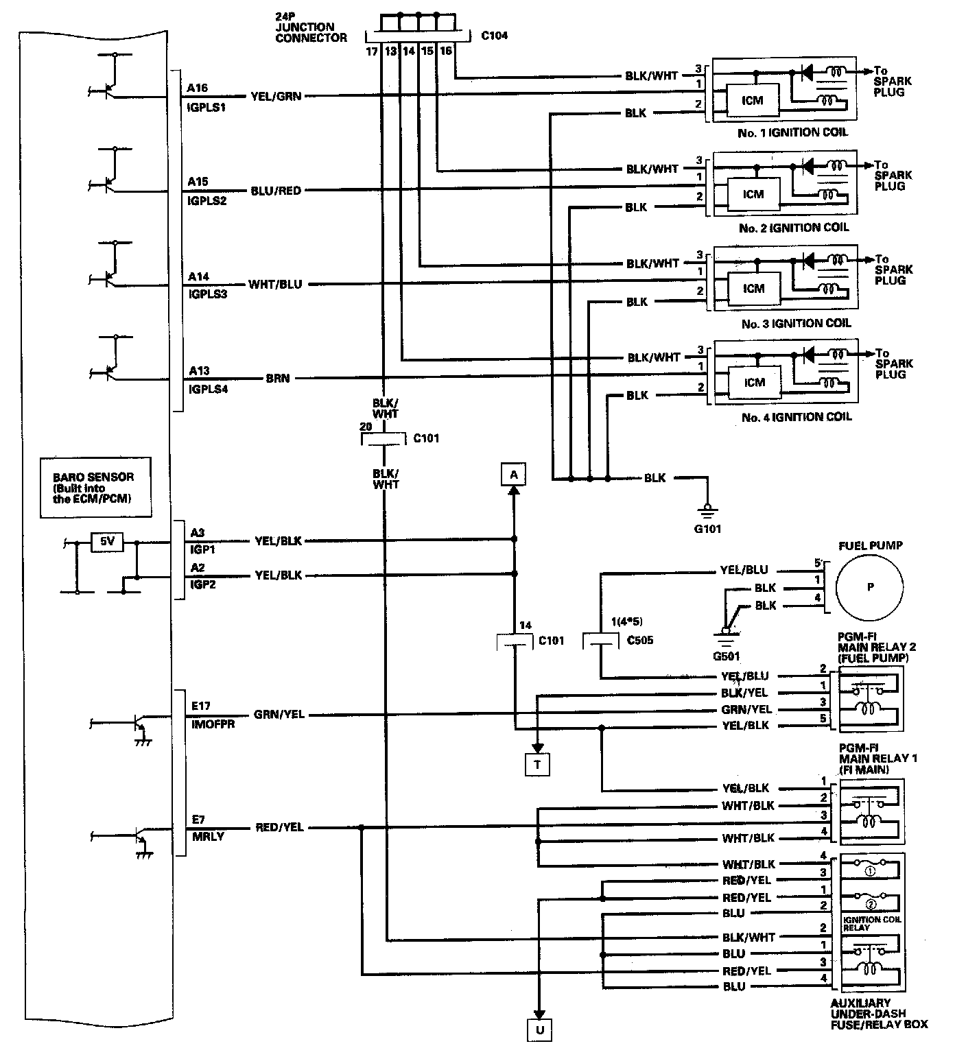
ECM/PCM Circuit Diagram 11-81:



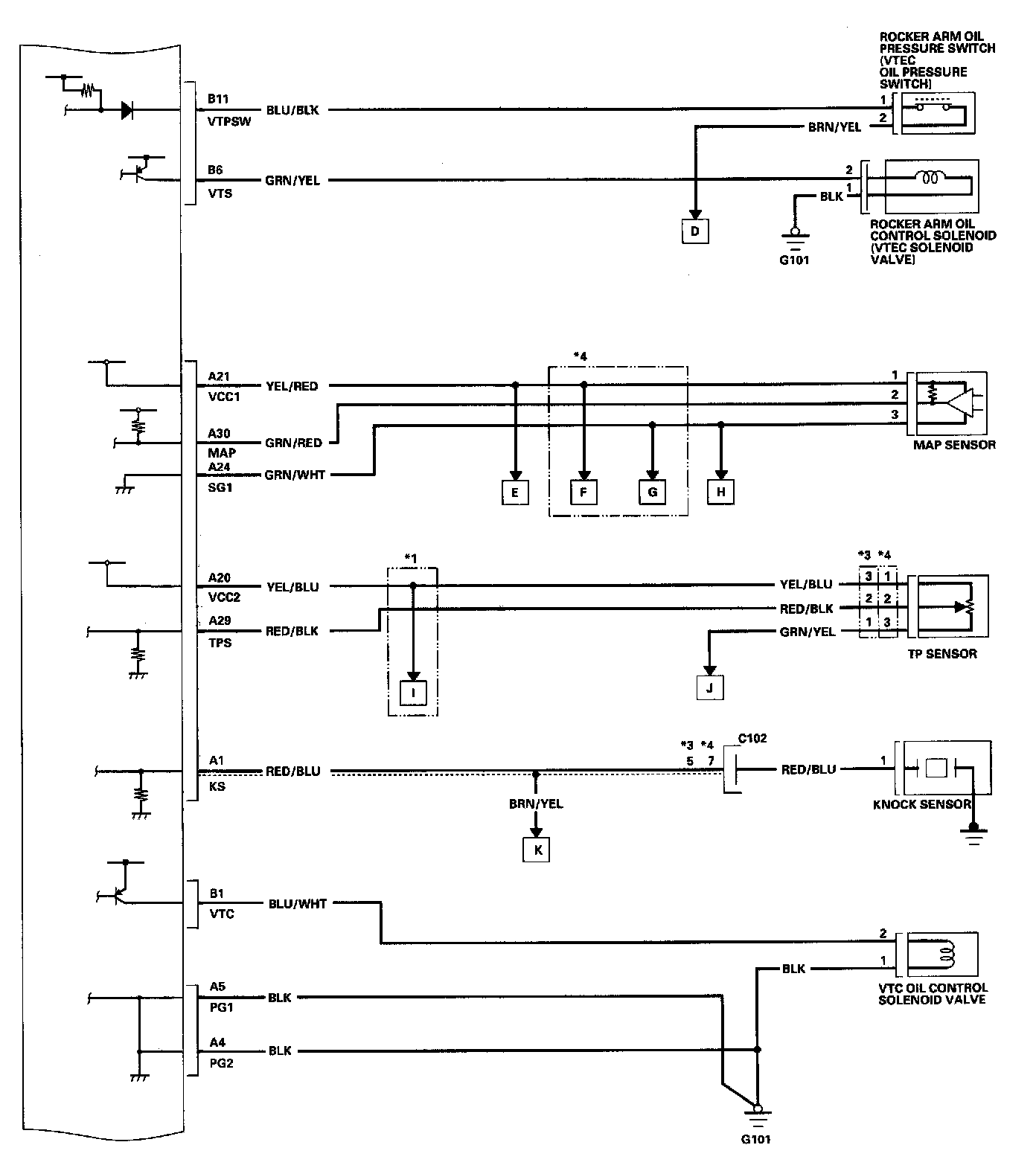
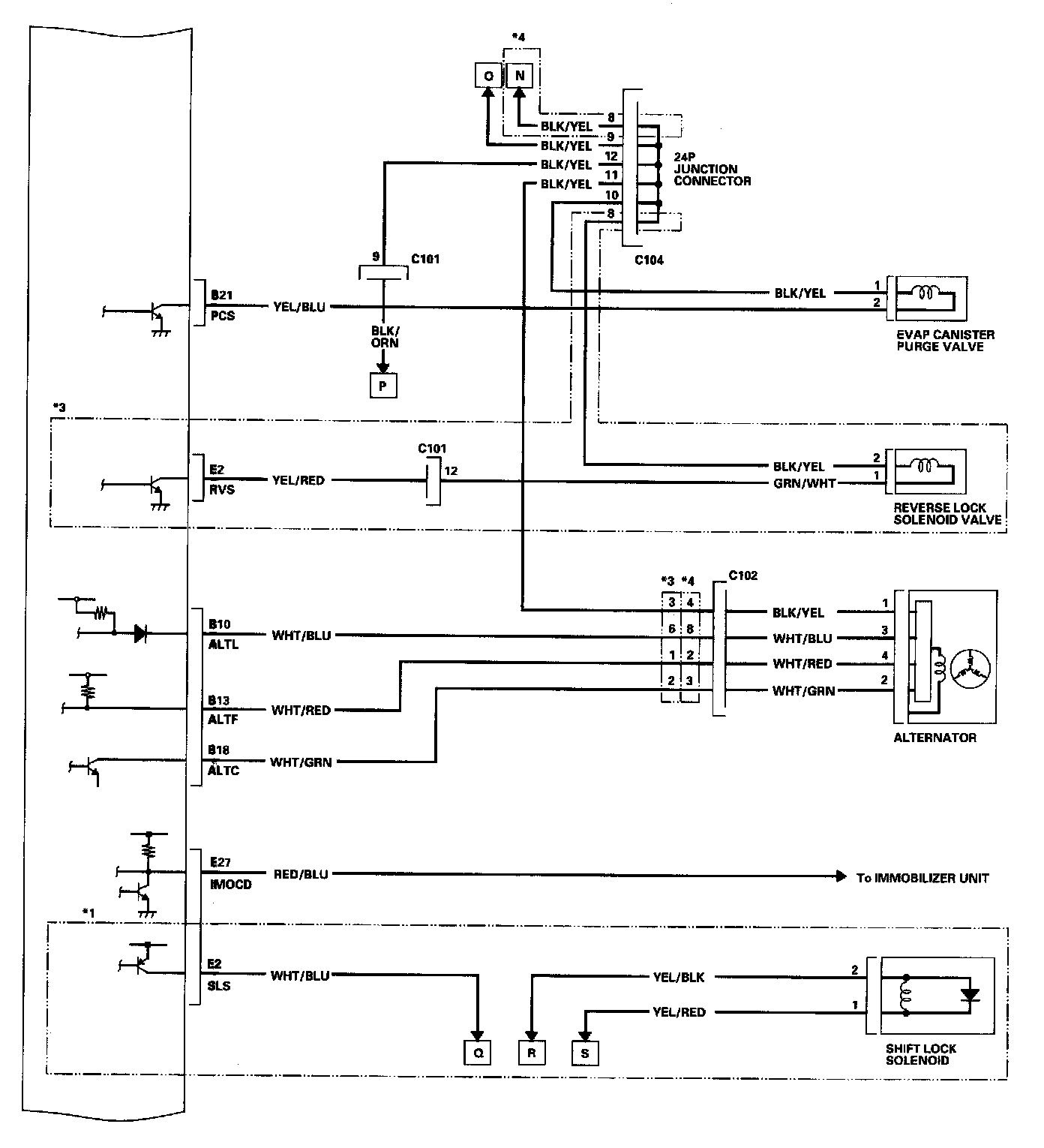
ECM/PCM Circuit Diagram 11-82:



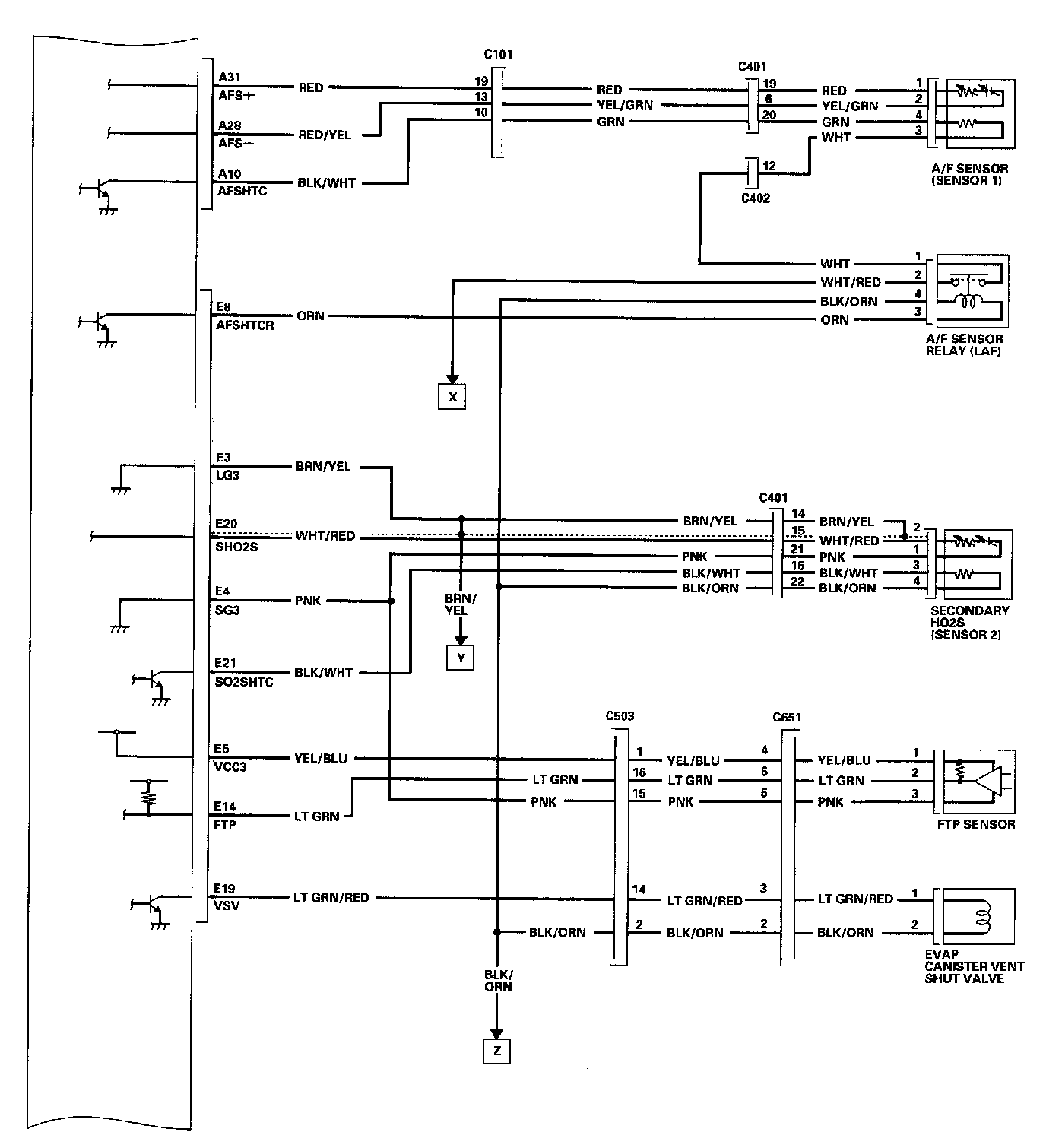
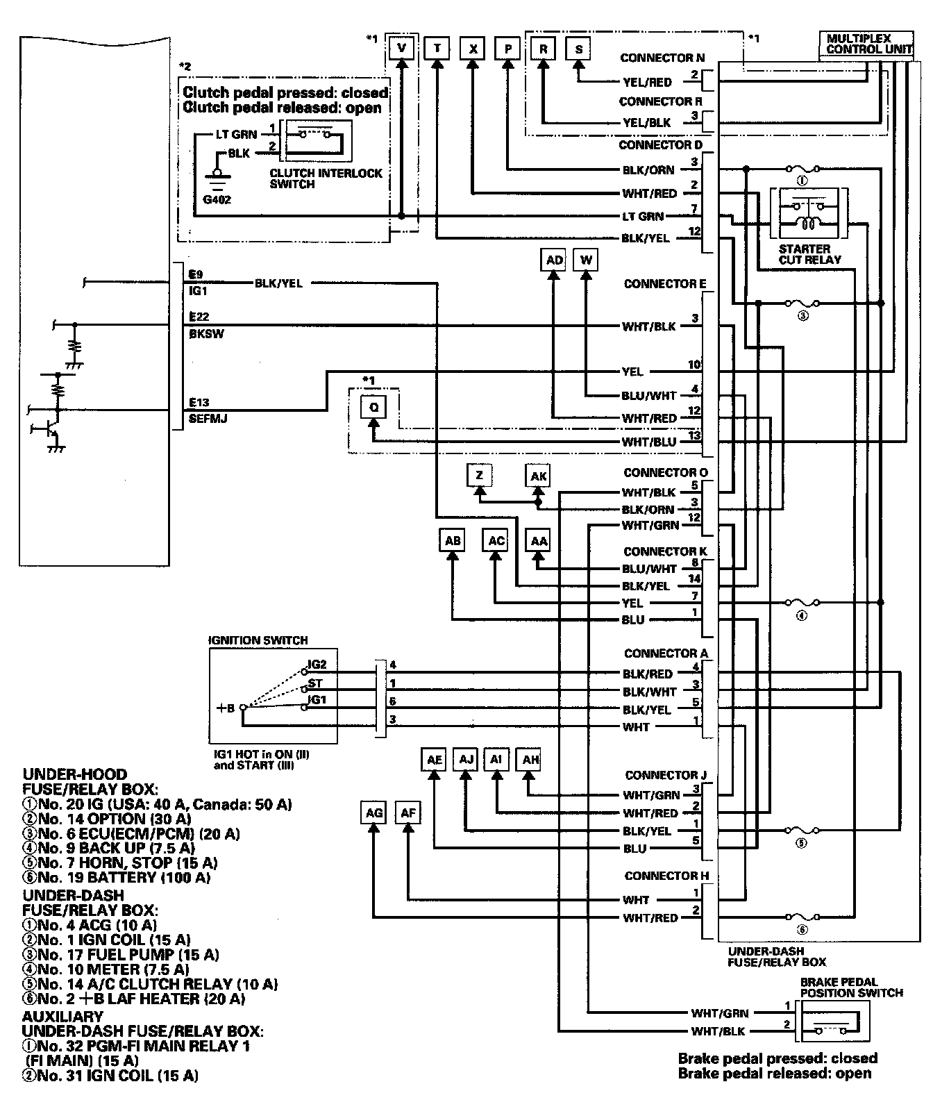
ECM/PCM Circuit Diagram 11-83:



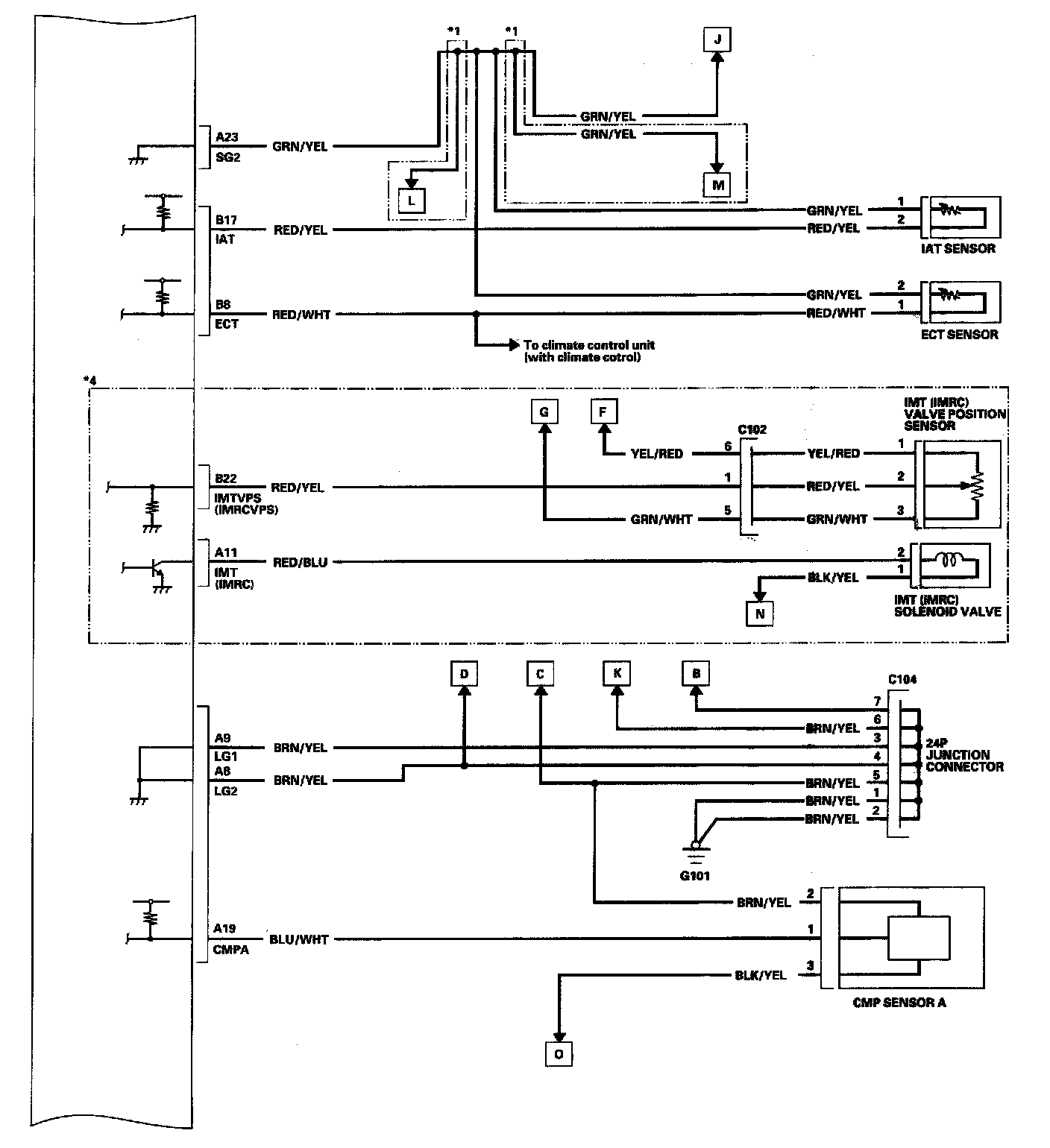
ECM/PCM Circuit Diagram 11-84:



ECM/PCM Circuit Diagram 11-85:



ECM/PCM Circuit Diagram 11-86:



ECM/PCM Circuit Diagram 11-87:



ECM/PCM Circuit Diagram 11-88:



ECM/PCM Circuit Diagram 11-89: