LEMON Manuals: Even more car manuals for everyone: 1960-2025
Home >> Acura >> 2006 >> TL Automatic >> Repair and Diagnosis >> Accessories & Equipment >> Memory Modules >> Driving Position Memory Systems (DPMS) >> Circuit Diagram - Power Mirror
April 5, 2026: LEMON Manuals is launched! Read the announcement.

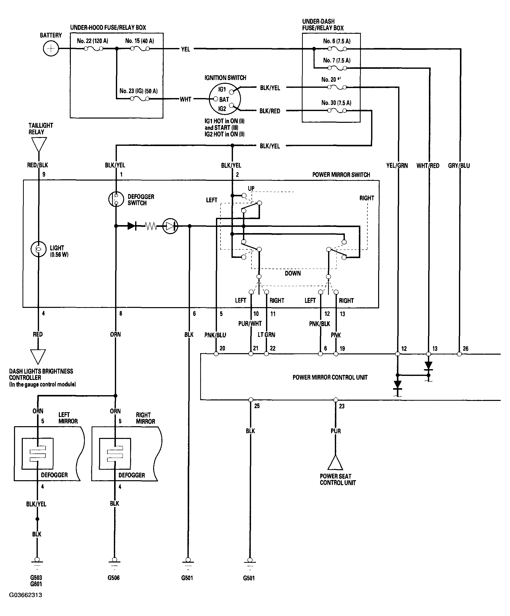
Circuit Diagram - Power Mirror

Fig 1: Circuit Diagram - Power Mirror (1 Of 2)
G03662313Courtesy of AMERICAN HONDA MOTOR CO., INC.
Fig 2: Circuit Diagram - Power Mirror (2 Of 2)
G03662314Courtesy of AMERICAN HONDA MOTOR CO., INC.