LEMON Manuals: Even more car manuals for everyone: 1960-2025
Home >> Acura >> 2006 >> TL Standard >> Repair and Diagnosis (Single Page) >> Body & Frame >> Seats >> Driving Position Memory Systems (DPMS) >> Circuit Diagram - Power Seat
April 5, 2026: LEMON Manuals is launched! Read the announcement.

Circuit Diagram - Power Seat

Fig 1: Circuit Diagram - Power Seat (1 Of 4)
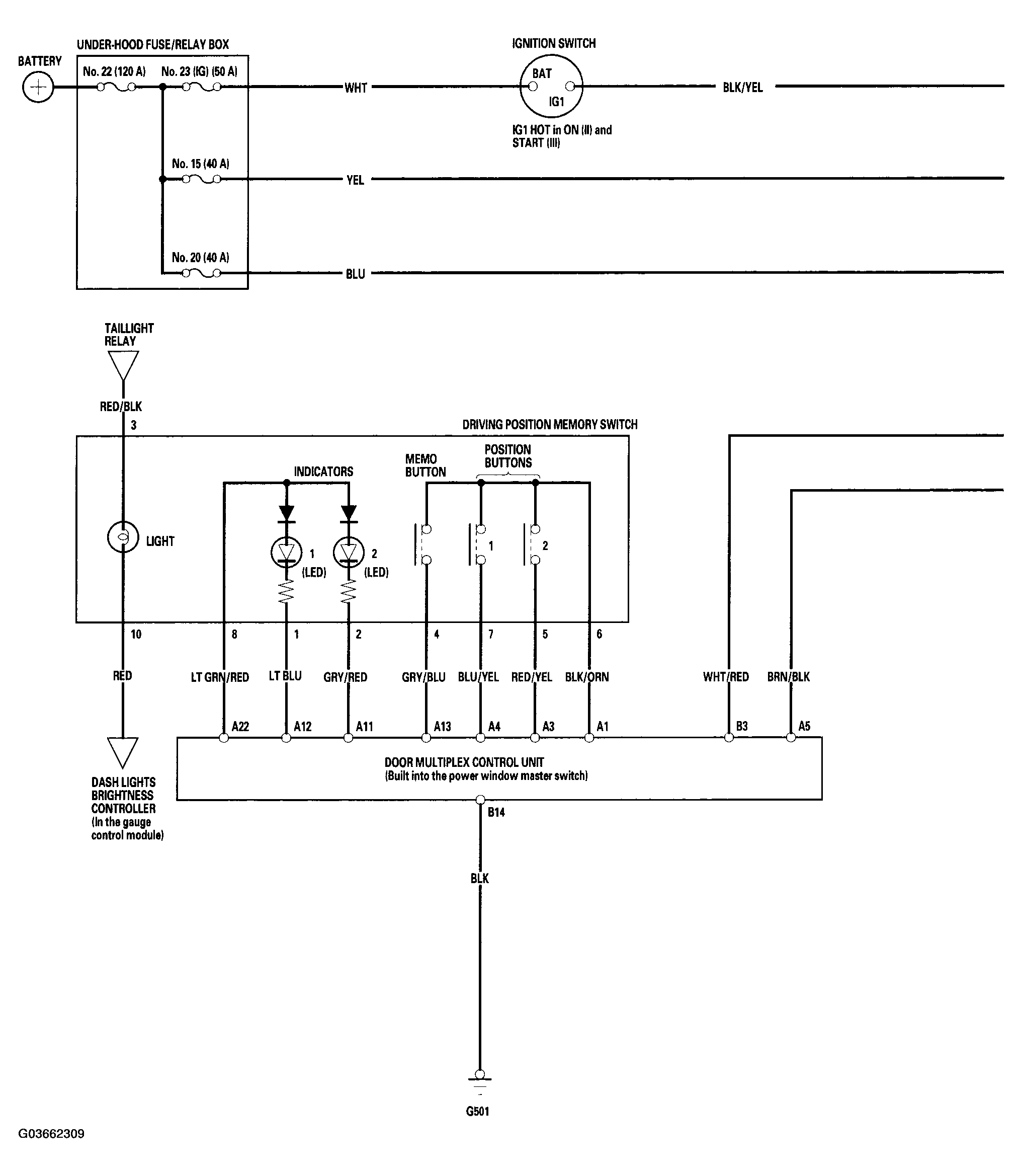
G03662309Courtesy of AMERICAN HONDA MOTOR CO., INC.
Fig 2: Circuit Diagram - Power Seat (2 Of 4)
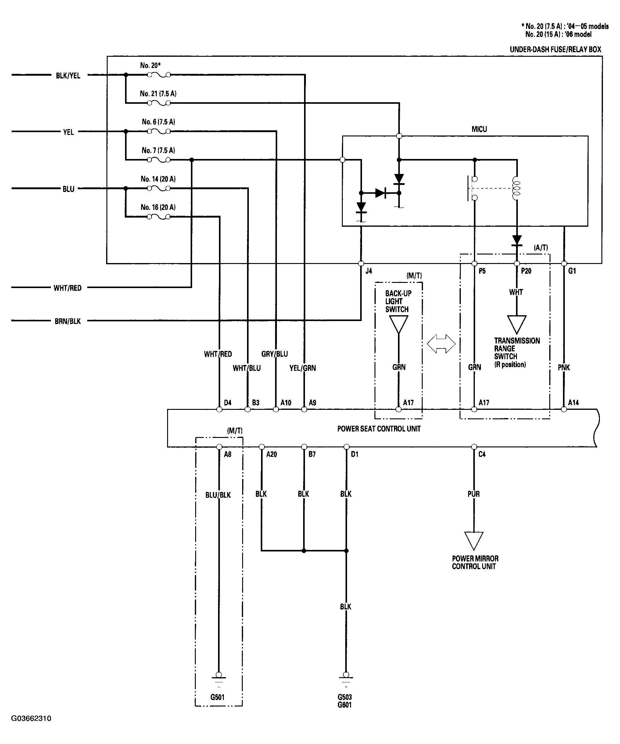
G03662310Courtesy of AMERICAN HONDA MOTOR CO., INC.
Fig 3: Circuit Diagram - Power Seat (3 Of 4)
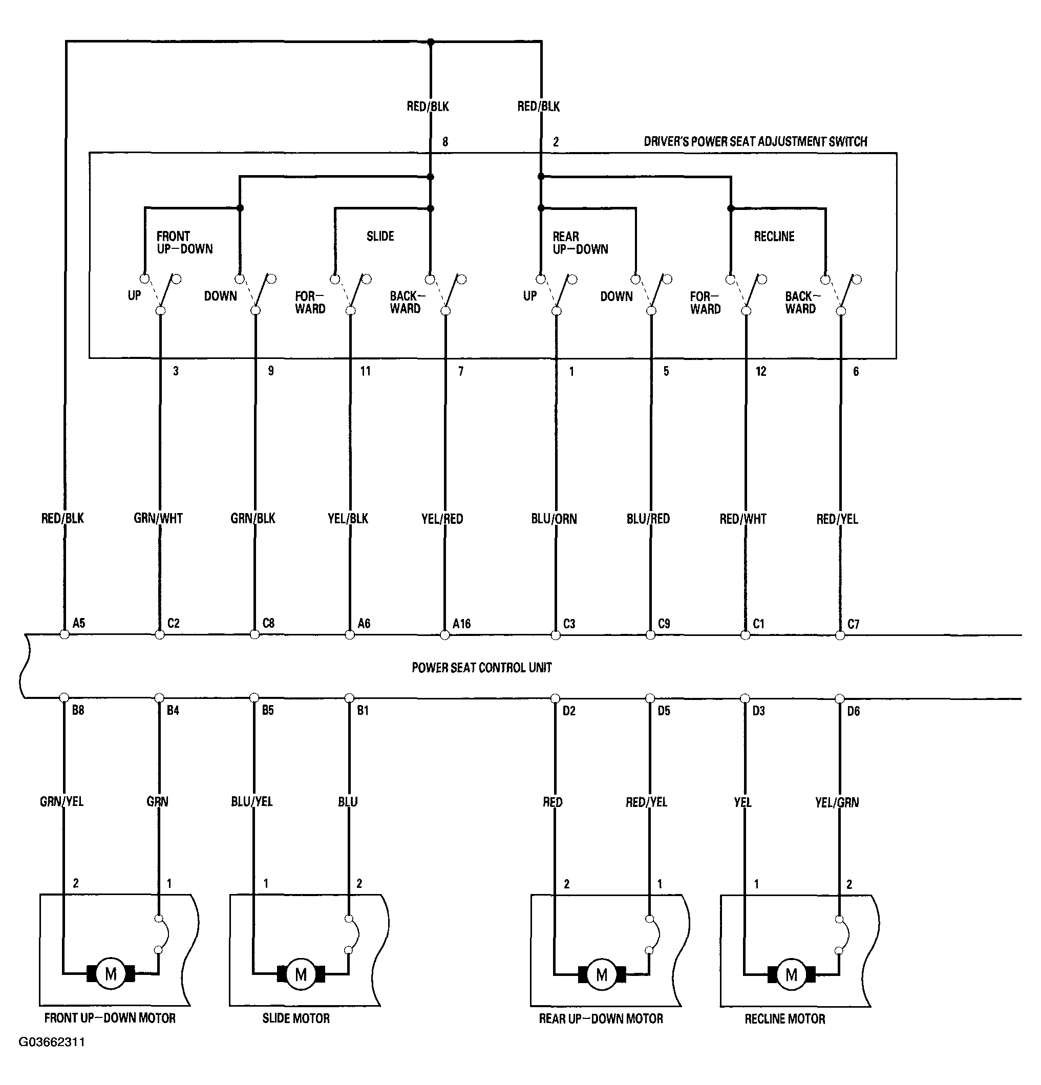
G03662311Courtesy of AMERICAN HONDA MOTOR CO., INC.
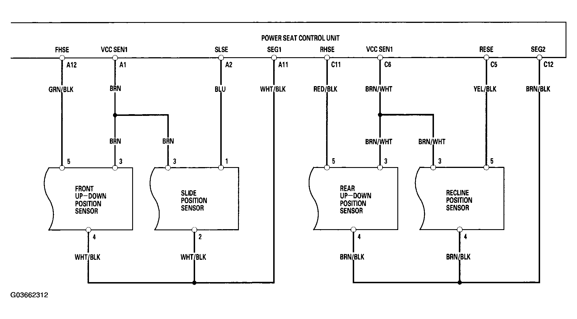
Fig 4: Circuit Diagram - Power Seat (4 Of 4)
G03662312Courtesy of AMERICAN HONDA MOTOR CO., INC.