LEMON Manuals: Even more car manuals for everyone: 1960-2025
Home >> Acura >> 2006 >> TL Standard >> Repair and Diagnosis (Single Page) >> Engine Performance >> System >> Advanced Diagnostics >> DTC P2118: Throttle Actuator Current Circuit Range/Performance Problem >> Notes
April 5, 2026: LEMON Manuals is launched! Read the announcement.

DTC P2118: Throttle Actuator Current Circuit Range/Performance Problem: Notes

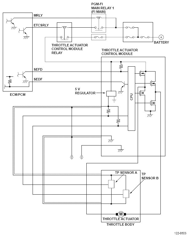
Fig 1: Throttle Actuator Control Module Circuit Diagram
G04817164